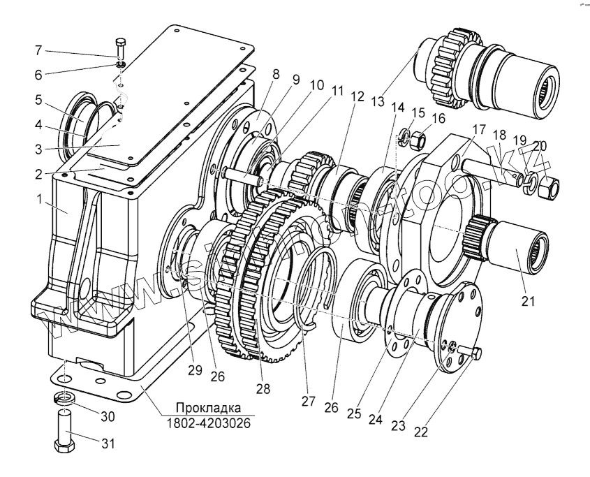
Каталог запасных частей к технике: МТЗ БЕЛАРУС 1502. Редуктор. Вал-шестерня
1
2
3
4
5
6
7
8
9
9
10
11
12
13
14
15
16
17
18
19
20
21
22
23
24
25
26
26
26
26
27
28
29
30
31
| Позиция на иллюстрации | Заводской номер детали | Название детали | |
|---|---|---|---|
| 2103-4203030 | 2103-4203030 | Вал-шестерня | |
| 2103-4203010 | 2103-4203010 | Редуктор | |
| 1 | 2103-4203011 | Корпус | |
| 2 | 1802-4203023 | Прокладка | |
| 3 | 1802-4203019 | Крышка | |
| 4 | Кольцо075-080-30-1-4 | Кольцо 075-080-30-1-4 | |
| 5 | МЛ127-4503023 | Крышка | |
| 6 | 4598166045 | Шайба 6Т | |
| 7 | БолтМ6-6gх20.88.35.019 | Болт | |
| 8 | 1802-4203024 | Прокладка | |
| 9 | Подшипник210А | Подшипник | |
| 9 | Подшипник210АУШ1 | Подшипник | |
| 10 | 1802-4203017 | Шпилька | |
| 11 | Заглушка40-08пс.Ц9хр. | Заглушка 40-08пс.Ц9хр. | |
| 12 | 2103-4203031 | Вал-шестерня | |
| 13 | 2103-4203032 | Вал-шестерня | |
| 14 | Подшипник113 | Подшипник | |
| 15 | 4598166068 | Шайба 12ОТ | |
| 16 | ГайкаМ12-6Н.04.019 | Гайка | |
| 17 | 2102-4203026 | Переходник | |
| 18 | 2102-4203014 | Шпилька | |
| 19 | 4598166070 | Шайба 16ОТ | |
| 20 | ГайкаМ16-6Н.6.019 | Гайка | |
| 21 | 2102-2023324 | Муфта зубчатая | |
| 22 | БолтМ8-6gх20.88.35.019 | Болт | |
| 23 | 4598166046 | Шайба 8Т | |
| 24 | 1802-4203013 | Ось | |
| 25 | 1802-4203021 | Прокладка | |
| 26 | Подшипник42210М | Подшипник | |
| 26 | Подшипник42210КМ | Подшипник | |
| 27 | Кольцо2С90 | Кольцо | |
| 28 | 2103-4203012 | Шестерня | |
| 29 | 1802-4203022 | Кольцо упорное | |
| 30 | 4598166069 | Шайба 14 ОТ | |
| 31 | БолтМ14х1,5-6gх45.88.35.019 | Болт М14х1,5-6gх45.88.35.019 |
Содержащиеся в справочниках-каталогах запасные части и детали не предлагаются к продаже, а носят исключительно информационный характер