Каталог запасных частей к технике: МТЗ БЕЛАРУС 1502. Коробка передач
1502-1700010-Б
1502-1700010-Б
1502-1701170
1502-1701170
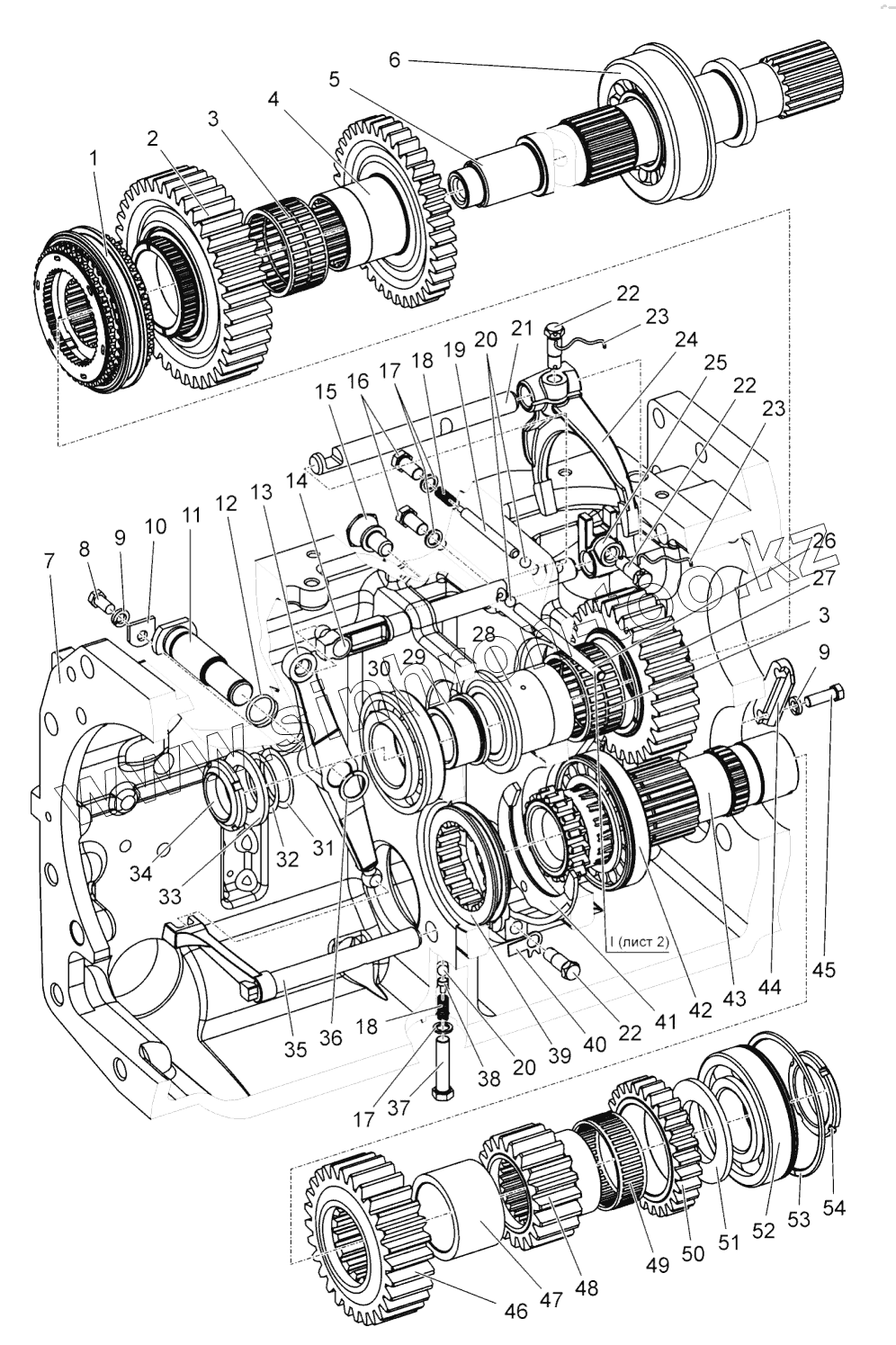
1
2
3
3
4
5
6
7
8
9
9
10
11
12
13
14
15
16
17
17
18
18
19
20
20
21
22
22
22
23
23
24
25
26
27
28
29
30
31
32
33
34
35
36
37
38
39
40
41
42
43
44
45
46
47
48
49
50
51
52
53
54
| Позиция на иллюстрации | Заводской номер детали | Название детали | |
|---|---|---|---|
| 1502-1700010-Б | 1502-1700010-Б | Коробка передач | |
| 1502-1701170 | 1502-1701170 | Крышка | |
| 1 | GT-D109/116 | Синхронизатор | |
| 2 | 2025-1701312-Б | Шестерня | |
| 3 | Подшипник3КК75х86х40Е | Подшипник | |
| 4 | 2125-1701313-Б | Шестерня | |
| 5 | 1802-1701252 | Вал | |
| 6 | Подшипник6-627613А1К | Подшипник | |
| 7 | 1502-1701026 | Корпус | |
| 8 | БолтМ10-6gх20.88.35.019 | Болт | |
| 9 | 4598166067 | Шайба 10ОТ | |
| 10 | 85-1702043 | Пластина | |
| 11 | 85-1702042 | Ось | |
| 12 | Кольцо026-030-25-2-2 | Кольцо 026-030-25-2-2 | |
| 13 | 85-1702041 | Коромысло | |
| 14 | 85-1702050 | Поводок | |
| 15 | 50-1002318-Б | Рым | |
| 16 | БолтМ12-6gх25.88.35.019 | Болт | |
| 17 | 85-1702051 | Шайба | |
| 18 | 50-1702148-А | Пружина фиксатора | |
| 19 | 85-1702048 | Штифт | |
| 20 | Шарик10,0-60 | Шарик 10,0-60 | |
| 21 | 2022-1702037-Б | Поводок | |
| 22 | 80-1702108 | Болт | |
| 23 | Проволока1,6-О-С | Проволока 1,6-О-С | |
| 24 | 1222-1702029] | Вилка | |
| 25 | 85-1702045 | Поводок | |
| 26 | 2022-1702046 | Шток | |
| 27 | 2025-1701314-Б | Шестерня | |
| 28 | 2025-1701349-Б | Втулка | |
| 29 | 1522-1701350 | Втулка | |
| 30 | Подшипник6-67512АШ2 | Подшипник | |
| 31 | 1522-1701254 | Шайба 0,2 мм | |
| 32 | 1522-1701254-01 | Шайба 0,5 мм | |
| 33 | 1522-1701354 | Шайба | |
| 34 | 80-1701045 | Гайка | |
| 35 | 2022-1702038 | Поводок | |
| 36 | КольцоС25 | Кольцо С25 | |
| 37 | БолтМ12-6gх55.88.35.019 | Болт М12-6gх55.88.35.019 | |
| 38 | 80-1704039 | Направляющая | |
| 39 | 80-1701184 | Муфта | |
| 40 | 220-3503024 | Пластина стопорная | |
| 41 | 85-1702034 | Вилка | |
| 42 | Подшипник692215К1М | Подшипник | |
| 43 | 2022-1701240-Б | Вал | |
| 44 | 80-1701205 | Планка | |
| 45 | БолтМ10-6gх30.88.35.019 | Болт | |
| 46 | 2022-1701221 | Шестерня | |
| 47 | 2022-1701227 | Втулка | |
| 48 | 2022-1701224 | Шестерня | |
| 49 | ПодшипникК80х88х30Е | Подшипник | |
| 50 | 2022-1701202 | Шестерня | |
| 51 | 2022-1701226 | Шайба | |
| 52 | 50312А | Подшипник | |
| 53 | 80-1701206 | Кольцо | |
| 54 | 2823-1701049 | Гайка | |
| 55 | 2022-1702035 | Поводок | |
| 56 | 2022-1702027 | Вилка | |
| 57 | 85-1702301 | Ось | |
| 58 | Шарик12,7-60 | Шарик 12,7-60 | |
| 59 | ВыключательВК12-41 | Выключатель | |
| 60 | 50-1702048 | Прокладка | |
| 61 | 12-23-668-А | Пружина | |
| 62 | 2022-1702305 | Штифт | |
| 63 | 2022-1701340-А | Шестерня | |
| 64 | 2022-1701307 | Кольцо | |
| 65 | 2022-1701325-А | Вал | |
| 66 | 2022-1701306-А | Втулка | |
| 67 | NUP308EC | Подшипник | |
| 68 | 2022-1701049 | Гайка | |
| 69 | 2022-1701317 | Стакан | |
| 70 | 2022-1701310 | Стакан | |
| 71 | 4598166046 | Шайба 8Т | |
| 72 | БолтМ8-6gх25.88.35.019 | Болт | |
| 73 | 80-1701420 | Трубка | |
| 74 | 80-1701549 | Штуцер | |
| 75 | 80-1701057 | Штуцер | |
| 76 | Д18-055-А | Шайба | |
| 77 | 80-1701430 | Трубка | |
| 78 | 2022-1701344 | Шестерня | |
| 79 | 2022-1701347 | Кольцо пружинное | |
| 80 | КольцоС45 | Кольцо С45 | |
| 81 | 2022-1701346 | Втулка | |
| 82 | Подшипник692309КМ | Подшипник | |
| 83 | 2022-1701305 | Шайба | |
| 84 | Подшипник3КК52х60х39Е | Подшипник | |
| 85 | 2022-1701351 | Шестерня | |
| 86 | 54-31-472 | Кольцо пружинное | |
| 87 | 2022-1701352 | Втулка | |
| 88 | 2022-1701343 | Муфта | |
| 89 | 2022-1701330 | Вал | |
| 90 | 2022-1701361 | Шестерня | |
| 91 | 2022-1701339-Б | Втулка | |
| 92 | 80-1701396 | Кольцо | |
| 93 | БолтМ12-6gх30.88.35.019 | Болт | |
| 94 | 50-1702092 | Болт призонный М12х42 | |
| 95 | 4598166068 | Шайба 12ОТ | |
| 96 | 1502-1702080 | Корпус вилок | |
| 97 | Д01-015 | Штифт установочный | |
| 98 | 1502-1701020 | Узел передач | |
| 99 | 48А-3801023 | Трубка | |
| 100 | 70-1115012 | Хомутик | |
| 101 | БолтМ16-6gх45.88.35.019 | Болт | |
| 102 | 4598166070 | Шайба 16ОТ | |
| 103 | БолтМ12-6gх60.88.35.019 | Болт | |
| 104 | 1222-1701072 | Шайба | |
| 105 | 1222-1701071 | Штифт | |
| 106 | 80-1701525 | Шпилька | |
| 107 | ПробкаКГ3/8".А12.019 | Пробка | |
| 108 | Кольцо027-032-30-1-4 | Кольцо | |
| 109 | 80-4608021 | Заглушка | |
| 110 | 1222-1704010 | Привод насоса | |
| 111 | 80-1704016 | Прокладка | |
| 112 | ШЦК10х25 | Штифт | |
| 113 | 2022-1701454 | Крышка | |
| 114 | 2022-1701456 | Прокладка | |
| 115 | 2025-1701531 | Пробка | |
| 116 | 85-1702026 | Прокладка | |
| 117 | 1502-1702010 | Механизм управления | |
| 118 | БолтМ10-6gх35.88.35.019 | Болт | |
| 119 | ДД-20М | Датчик давления | |
| 120 | 1221-1737099 | Штуцер | |
| 121 | 2022-1701160 | Вал | |
| 122 | 80-1701063 | Пробка | |
| 123 | ПробкаКГ1/8".А12.019 | Пробка | |
| 124 | 4598166045 | Шайба 6Т | |
| 125 | БолтМ6-6gх16.88.35.019 | Болт | |
| 126 | 1502-1700210 | Кожух | |
| 127 | ДГС-М-101-12-01 | Датчик гидросигнализатор | |
| 128 | Кольцо022-025-19-1-4 | Кольцо 022-025-19-1-4 | |
| 129 | 80-1737112 | Прокладка | |
| 130 | 80-1737110 | Фильтр-распределитель в сборе | |
| 131 | 80-1716016 | Прокладка | |
| 132 | 1502-1701180 | Корпус | |
| 133 | Кольцо059-065-36-2-4 | Кольцо 059-065-36-2-4 | |
| 134 | Кольцо068-072-25-2-2 | Кольцо 068-072-25-2-2 | |
| 135 | 1502-1701171 | Корпус | |
| 136 | Кольцо025-029-25-2-2 | Кольцо | |
| 137 | 1502-1701173 | Штуцер | |
| 138 | БолтМ10-6gх70.88.35.019 | Болт | |
| 139 | 1502-1702085 | Маслопровод | |
| 140 | 1502-1702090 | Маслопровод | |
| 141 | 1502-1701200 | Фильтр | |
| 142 | 1221-1802091 | Пробка резьбовая | |
| 143 | 2102-1701525 | Шпилька | |
| 144 | 1502-1701016 | Крышка | |
| 145 | 80-1701399-Б | Прокладка |
Содержащиеся в справочниках-каталогах запасные части и детали не предлагаются к продаже, а носят исключительно информационный характер