Каталог запасных частей к технике: МТЗ 1502. Коробка клапанная с фильтром
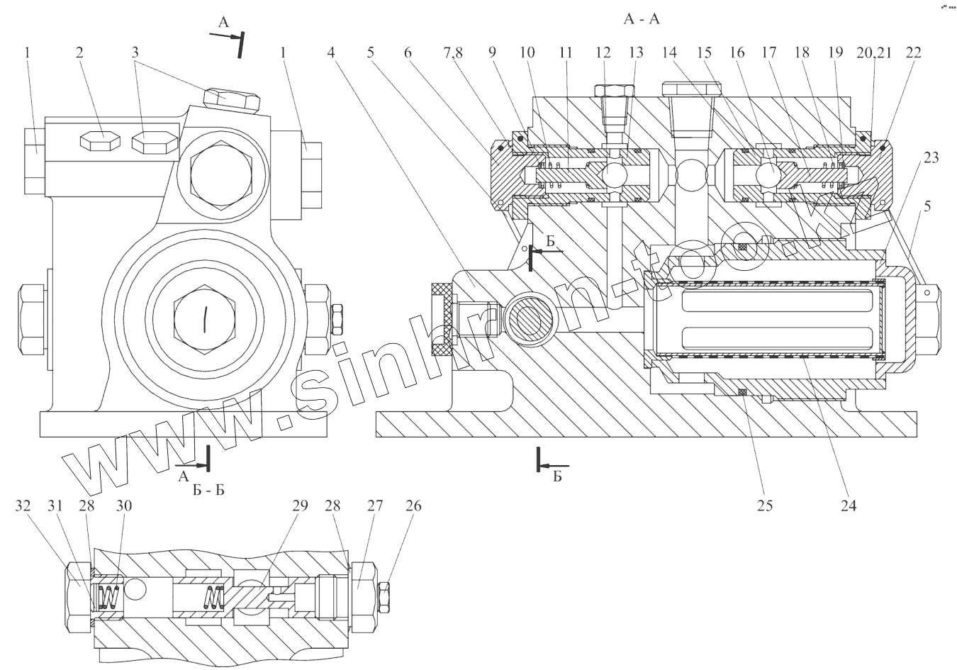
1
1
2
3
4
5
5
6
7
8
9
10
11
12
13
14
15
16
17
18
19
20
21
22
23
24
25
26
27
28
28
29
30
31
32
| Позиция на иллюстрации | Заводской номер детали | Название детали | |
|---|---|---|---|
| 2102-2400190 | 2102-2400190 | Клапан | |
| 2102-2400180 | 2102-2400180 | Коробка клапанная с фильтром | |
| 2102-2400190-01 | 2102-2400190-01 | Клапан | |
| 1 | 80-3513019-01 | Заглушка | |
| 2 | ПробкаКГ1/4dmА12.019 | Пробка КГ 1/4dm А12.019 | |
| 3 | ПККГ3/8dm | Пробка | |
| 4 | 2102-2400181 | Корпус | |
| 5 | Проволока1.0-О-с | Проволока 1.0-О-с | |
| 6 | 2102-2400194 | Пробка | |
| 7 | 2102-2400193 | Шайба | |
| 8 | 2102-2400193-01 | Шайба | |
| 9 | ШайбаС5.01.019 | Шайба | |
| 10 | 2102-2400197 | Пружина | |
| 11 | 2102-2400194 | Пробка | |
| 12 | Шарик10,0-60 | Шарик 10,0-60 | |
| 13 | 2102-2400191 | Корпус | |
| 14 | Кольцо017-021-25-2-2 | Кольцо | |
| 15 | 2102-2400191 | Корпус | |
| 16 | Шарик10,0-60 | Шарик 10,0-60 | |
| 17 | 2102-2400192 | Направляющая | |
| 18 | 2102-2400196 | Пружина | |
| 19 | ШайбаС5.01.019 | Шайба | |
| 20 | 2102-2400193 | Шайба | |
| 21 | 2102-2400193-01 | Шайба | |
| 22 | 2102-2400194 | Пробка | |
| 23 | 2102-2400200 | Фильтр | |
| 24 | 2102-2023470 | Фильтр | |
| 25 | Кольцо054-060-36-1-4 | Кольцо 054-060-36-1-4 | |
| 26 | ПробкаКГ1/8dmА12.019 | Пробка КГ 1/8dm А12.019 | |
| 27 | 1221-1737114 | Пробка | |
| 28 | 1221-1737126 | Прокладка клапана | |
| 29 | 80-1737117 | Клапан | |
| 30 | 80-1737118 | Пружина | |
| 31 | ШайбаС5.01.019 | Шайба | |
| 32 | 50-1404075 | Пробка |
Содержащиеся в справочниках-каталогах запасные части и детали не предлагаются к продаже, а носят исключительно информационный характер