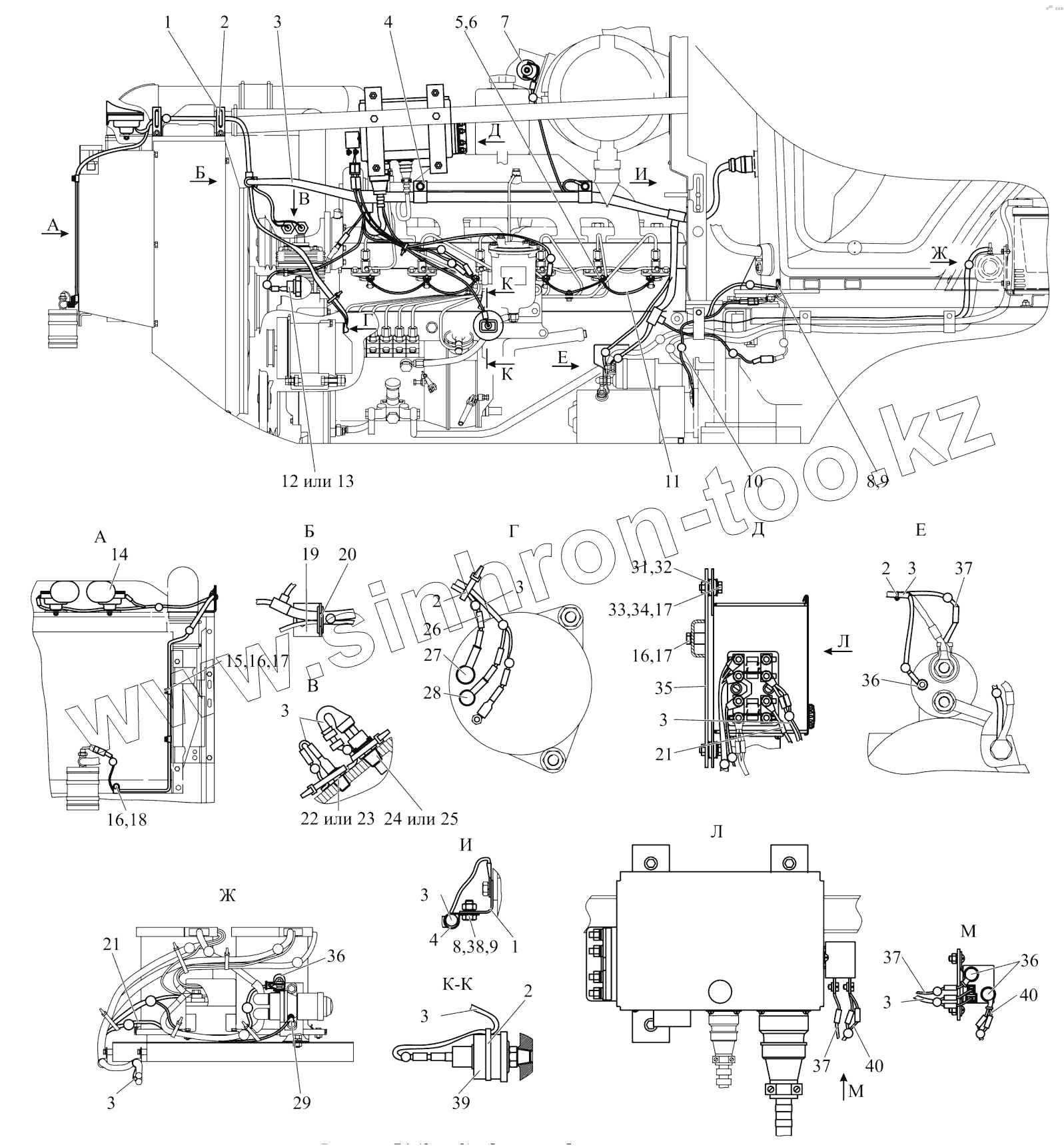
Каталог запасных частей к технике: МТЗ 1502. Электрооборудование двигателя
1
1
2
2
2
2
3
3
3
3
3
3
3
3
3
4
4
5
6
7
8
8
9
9
10
11
12
13
14
15
16
16
16
17
17
17
18
19
20
21
21
22
23
24
25
26
27
28
29
31
32
33
34
35
36
36
36
37
37
37
38
39
40
40
| Позиция на иллюстрации | Заводской номер детали | Название детали | |
|---|---|---|---|
| 1502-3700030 | 1502-3700030 | Электрооборудование двигателя | |
| 1 | 70-6702111 | Угольник | |
| 2 | 80-3723045 | Манжета | |
| 3 | 1502-3724360 | Жгут 360 | |
| 4 | 220-3723012 | Хомутик | |
| 5 | ГайкаМ5-6Н.6.019 | Гайка | |
| 6 | 4598166044 | Шайба 5Т | |
| 7 | ДСФ-65 | Датчик засоренности воздуха | |
| 8 | БолтM8-6gx20.88.35.019 | Болт M8-6gx20.88.35.019 | |
| 9 | 4598166046 | Шайба 8Т | |
| 10 | 2103-3724390 | Провод | |
| 11 | 1221-3724383 | Провод | |
| 12 | ДАДМ-03 | Датчик | |
| 13 | ММ111Д-3810600-01 | Датчик аварийного давления | |
| 14 | 2103-3721010 | Установка сигналов звуковых | |
| 15 | 52.98.710-08 | Хомутик | |
| 16 | БолтM6-6gx12.88.35.019 | Болт M6-6gx12.88.35.019 | |
| 17 | 4598166045 | Шайба 6Т | |
| 18 | 52.98.710-06 | Хомутик | |
| 19 | 1220-3723011-А | Кронштейн | |
| 20 | 70-3723042-02 | Втулка | |
| 21 | 1502-3723045 | Провод 1з | |
| 22 | ДАТЖ | Датчик аварийной температуры | |
| 23 | ТМ111-02 | Датчик | |
| 24 | ДУТЖ-02М | Датчик указателя температуры | |
| 25 | 301.3828 | Датчик | |
| 26 | 1502-3724110 | Провод 1 | |
| 27 | 50Л-3724050 | Чехол | |
| 28 | 54.24.445-Б | Наконечник | |
| 29 | М2-14.13.238 | Чехол | |
| 30 | 1502-3700025 | Коробка | |
| 31 | 70-3723042-01 | Втулка | |
| 32 | 2103-3747026 | Втулка | |
| 33 | БолтM6-6gx25.88.35.019 | Болт M6-6gx25.88.35.019 | |
| 34 | ШайбаС.6.01.019 | Шайба С.6.01.019 | |
| 35 | 1502-3747040 | Планка | |
| 36 | 70-3723035 | Наконечник | |
| 37 | 1502-3724385 | Провод 1ж | |
| 38 | ГайкаМ8-6Н.6.019 | Гайка | |
| 39 | ДД-6М | Датчик давления | |
| 40 | 1221-3724380-А | Жгут |
Содержащиеся в справочниках-каталогах запасные части и детали не предлагаются к продаже, а носят исключительно информационный характер