Каталог запасных частей к технике: Мозырский МЗ ПТС-1. Гидросистема
1
1
2
2
2
2
3
4
5
6
8
10
11
11
12
12
13
14
14
15
15
16
16
17
18
19
19
20
21
21
21
21
22
23
23
23
23
23
23
23
23
23
23
24
24
24
24
24
24
24
24
24
24
24
24
24
24
24
24
24
24
25
25
25
25
25
25
25
25
25
25
25
25
25
25
25
25
26
26
26
26
27
28
28
29
29
30
30
31
31
31
31
31
31
31
31
32
32
33
33
33
33
33
33
33
33
33
33
33
33
33
33
33
33
33
33
33
33
33
33
33
33
33
33
33
33
33
33
33
33
33
33
33
33
34
34
35
35
36
36
36
36
37
38
38
39
40
41
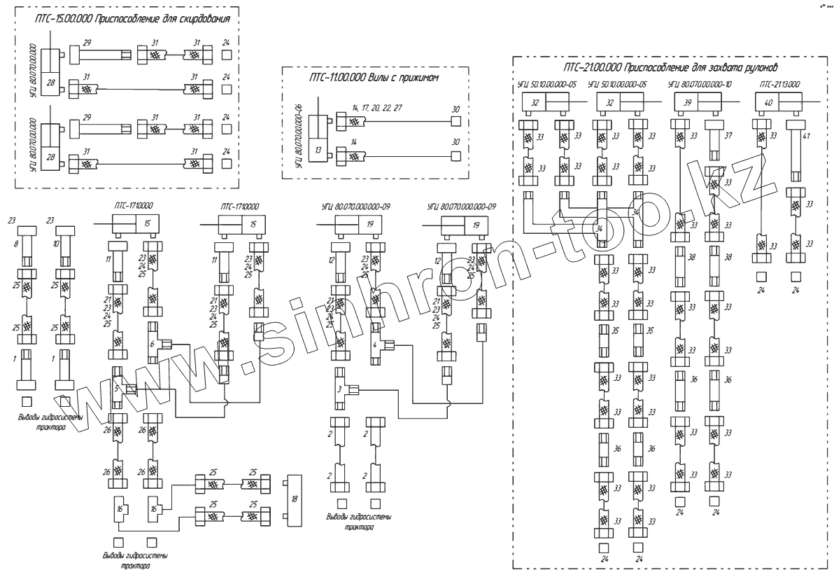
| Позиция на иллюстрации | Заводской номер детали | Название детали | |
|---|---|---|---|
| 1 | ПТС-1701000 | Трубопровод | |
| 2 | ПТС-1701000-01 | Трубопровод | |
| 3 | ПТС-1702000 | Трубопровод | |
| 4 | ПТС-1702000-01 | Трубопровод | |
| 5 | ПТС-1703000 | Трубопровод | |
| 6 | ПТС-1704000 | Трубопровод | |
| 7 | ПТС-1705000 | Трубопровод | |
| 8 | ПТС-1705000-01 | Трубопровод | |
| 9 | ПТС-1706000 | Трубопровод | |
| 10 | ПТС-1706000-01 | Трубопровод | |
| 11 | ПТС-1708000 | Трубопровод | |
| 12 | ПТС-1708000-01 | Трубопровод | |
| 13 | УГЦ80.070.00.000-06 | Гидроцилиндр | |
| 14 | РВД12-21-1450-У | Рукав | |
| 15 | ПТС-1710000 | Гидроцилиндр | |
| 16 | ПТС-1711000 | Тройник | |
| 17 | У459.027-02 | Зажим | |
| 18 | ДЗ-133.50.00.500 | Гидроклапан с плитой | |
| 19 | УГЦ80.070.000.000-09 | Гидроцилиндр | |
| 20 | M6-8g х35.48 | Болт | |
| 21 | У459.029.000 | Штуцер с дросселем | |
| 22 | М6-7Н.5 | Гайка | |
| 23 | М036.50Б.10 | Корпус левый | |
| 24 | М036.50Б.20 | Корпус правый | |
| 25 | ПН.036.83.090 | РВД | |
| 26 | ПН.036.83.110 | РВД | |
| 27 | 6.02.08-10кп | Шайба | |
| 28 | УГЦ80.070.000.000 | Гидроцилиндр | |
| 29 | ДЗ-133.45.00.040 | Трубопровод | |
| 30 | 3057-4616320-А | Клапан запорного устройства правый | |
| 31 | РВД1221-2050-У | Рукав | |
| 32 | УГЦ50.10.00.000-05 | Гидроцилиндр | |
| 33 | РВД12-21-650-У | Рукав | |
| 34 | ПТС-2107000 | Трубопровод | |
| 35 | ПТС-2109000 | Трубопровод | |
| 36 | ПТС-2112000 | Трубопровод | |
| 37 | ПТС-2111000 | Трубопровод | |
| 38 | ПТС-2108000 | Трубопровод | |
| 39 | УГЦ80.070.000.000-10 | Гидроцилиндр | |
| 40 | ПТС-2113000 | Гидроцилиндр | |
| 41 | ПТС-2111000-01 | Трубопровод |
Содержащиеся в справочниках-каталогах запасные части и детали не предлагаются к продаже, а носят исключительно информационный характер