Вернуться на главную
Поиск
Каталоги запчастей к технике
Спецтехника
Мозырский МЗ
BELARUS-SAMPO МЛХ46
11CC Смазка шарнира;Greasing joint
Каталог запасных частей к технике: Мозырский МЗ BELARUS-SAMPO МЛХ46. 11CC Смазка шарнира;Greasing joint
zoom-in
zoom-out
enlarge
shrink
circle-right
circle-left
file-text2
info
cart
Тип техники
Не выбрано
Легковые автомобили
Грузовые автомобили и прицепы
Автобусы
Сельхозтехника
Спецтехника
Двигатели
Мототехника
Марка
Не выбрано
Ammann
BOMAG
CARMIX
CASE IH
Changlin
ChengGong
Dimex
Doosan
DYNAPAC
Foton
HAMM
Hidromek
Hitachi
Hyundai
JCB
JLG
John Deere
Komatsu
LIEBHERR
LiuGong
Lonking (LongGong)
Luneng
MANITOU
Mitsuber
New Holland
PENGPU
RM-Terex
SANY
SDLG
SEM
Shantui
Shehwa HBXG
Soosan
TIGARBO
VOGELE
Volvo
WAY
WIRTGEN
XCMG
XGMA
Xiamen
YTO
Yuchai
Zoomlion
Автокран
АЗСМ
Алтайлесмаш
Амкодор
АОМЗ
Атек
АТЗ
Балканкар Рекорд
БелАЗ
Беловеж
Борекс
Брянский Арсенал
Булат
ВЭКС
ГАЗ
Геомаш
Гидромаш
Донекс
Дормаш
Дормашина
Дорэлектромаш
ДЭЗ
ЕлАЗ
ЗЗГТ
Ижнефтемаш
Канаш-электрокар
КЗКТ
ККЗ
Клевер
Клинцовский автокрановый завод
КМЗ
КМЗ 1 Мая
Ковровец
Коммаш
Кранэкс
КЭЗ
КЭМЗ
ЛЗА
МАЗ
МЗИК
МЗКМ
МЗКТ
Михневский РМЗ
МоАЗ
Мозырский МЗ
МТЗ
ОЗП
Онежец
ПАО "ТЗА"
ППС Детва
Промтрактор
ПТЗ
Раскат
СпецАгрегат
ТВЭКС
ТТМ
УВЗ
Угличмаш
УЗТМ
ХТЗ
ЧЗКМ
ЧСДМ
ЧТЗ
ЭКСКО
ЭКСМАШ
ЮрМаш
Модель
Не выбрано
BELARUS-SAMPO МЛХ46 (2010)
ГМ-42Т (2022)
КРД-1,5 (2010)
ОПТ-9195 (2010)
ОПТ-9195 (2022)
ПТС-1 (2010)
ПФС-0,75 (2010)
ПФС-0,75 (2019)
Схема
>
Не выбрано
11AA Лестница;Ladder
11AB Передняя рама;Front frame
11AC Корпус светового оборудования;Lights, Housing
11AD Световое оборудование;Drive lights
11AE Нижняя защита кабины, право;Cabin guard RH
11AF Нижняя защита кабины, лево;Cabin guard LH
11AG Передняя защита кабины;Cabin guard front
11AH Направляющая;Air deflector
11BB Рамка;Stamm
11BD Батарея;Battery
11BE Дозаправочный шланг;Refuelling hose
11BF Вспомогательный бак;Assistance tank
11BG Корпус;Switch Box
11CA Шарнир рамы;Joint
11CB Датчик;Angle sensor
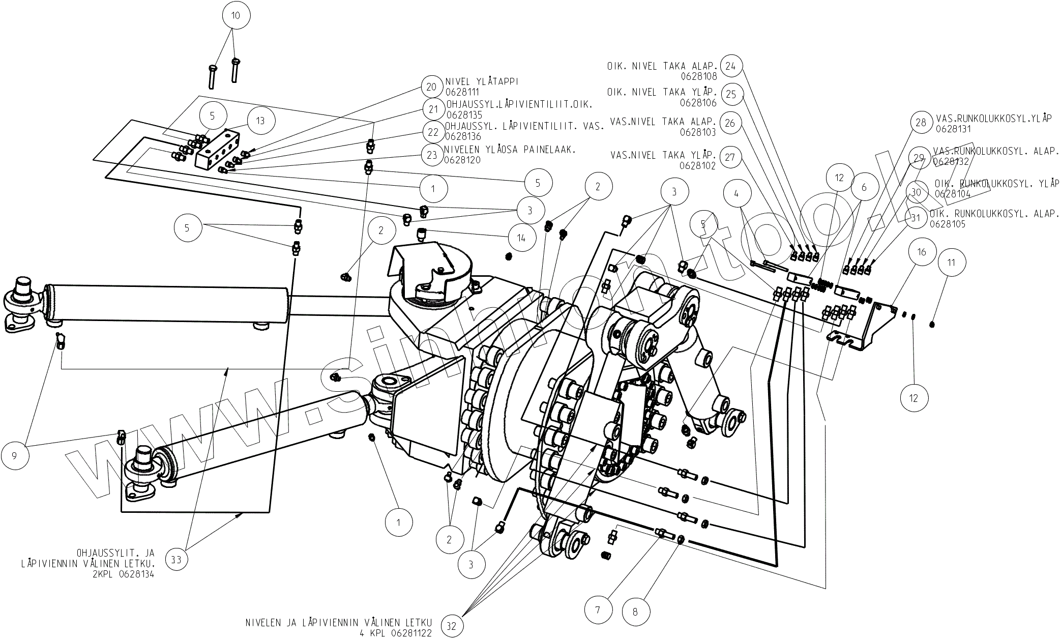
11CC Смазка шарнира;Greasing joint
12BB Всасывание воздуха и глушитель;Suction- and exhaust pipe\
12BC Обойма;Fastening
12CB Радиатор двигателя;Engine cooler
12CD Расширительный бачок;Expansion tank
12CG Охладитель топлива;Fuel cooler
12DA Топливные шланги;Fuel hoses
12DB Оборудование двигателя;Engine equipment
12DE Обогреватель двигателя;Engine heater
13AA Кабина;Cabin
13CC Обшивка кабины;Insulator
13DA Дверь, левая;Door, LH
13DB Дверь, правая;Door, RH
13DC Ящик в двери;Door box
13EB Стеклоочиститель;Wiper
13FB Корпус обогревателя;Heater device housing
13FC Обогреватель;Air condit.
13GA Сиденье;Seat
13GB Внутрен. пластина;Raising
13GC Боковой наклон;Sidetilt
13HB Приборная панель, передняя;Instrument panel, front
13HC Зеркало заднего вида;Rear view mirror
13HE Панель приборов, боковая 1;Instrument panel RH 1
13HF Панель приборов, боковая 2;Instrument panel RH 2
13HG Корпус модуля кабины;Cabin modul box
13HH Холодильник;Cooler box
13HI Панель инструментов;Instrument Panel
13HJ Джойстики;Sakae Sakae-levers
13HK Вертикальные джойстики;Vertical levers
13HN Джойстики;EME 2 EME-levers 2
13HO Эксцидор;Excidor
13KA Внутренный потолок;Inner roof
13KB Поисковый свет;Search light
13KC Кронштейн светового оборудования;Rack, top
13KF Мигалка;Rotating Flasher
13LA Огнетушитель;Extinguisher
14EA Передняя моторы;Front motors
14EC Задние моторы;Rear engines
14EE Бортовой редуктор 1;Final drive 1
14EF Бортовой редуктор 2;Final drive 2
14EG Бортовой редуктор 3;Final drive 3
14GA Педаль тормоза;Brake pedal
15AA Масляный бак;Oil tank
15AC Всасывающий/Обратный фильтр;Suction/Return filter
15AE Фильтр давления;Pressure Filter
15AG Обратный фильтр;Return filter
15DA Гидравлический насос;Rexroth Work pump Rexroth
15EA Насос хода;Drive pump
15EB Соединение насосов;Joining pumps
15FA Насос заполнения масляного бака;Refuelling pump
15FB Шланг заправки гидравлики;Refueling Hose, Hydraulic
15FC Масляный радиатор;Hydraulic oil cooler
15FF Рукава, управление;Hoses, steering
15FH Рукава, замок рамы;Hoses, frame lock
15GA Вакуумный насос;Vacuum pump
15HA Распределитель;Flow divider
15JA Распределитель заднего привода;Valve rear wheel drive
15KC Клапан манипулятора;Crane valve
15KD Распределитель манипулятора, Обойма;Crane hoses, Holder
15KE Распеделитель линии;LS LS valve
15KF Держатель шлангов передней рамы;Hose holder, Front frame
15KG Коллекторные блоки;Collector Blocks
15NA Респределитель систем: тормозов, давления;Valve: brakes, 2-speed, harv.pressure
15SG Рукава, стрела;Hoses, head
15SH ШЛАНГИ УБОРОЧНОЙ ГОЛОВКИ;HOSES HARVESTER HEAD
15SJ РВД Kesla;Hoses, Kesla
17BA Щит задней рамы 1;Guards of rear frame 1
17BB Щит задней рамы 2;Guards of rear frame 2
17BBA Щит задней рамы 3;Guards of rear frame 3
17BC Щит задней рамы 4;Guards of rear frame 4
17BD Щит задней рамы 5;Guards of rear frame 5
17BH Защита, Цилиндр;Guards, Cylinder
16BB Переходник жгутов кабины;Inlet cabin cables
18AB Жгуты кабины;Cables, Cabin
18AC Переходник жгутов кабины;Inlet cabin cables
18AD Жгуты, задняя рама;Cables, rear frame
18AE Электрич.жгуты кабины;Cables
18AF Электрич.жгуты кабины (Германия);Cables (Germany)
18AQ Жгуты, Motomit PC;Cables, Motomit PC
18AR Жгуты, Motomit IT;Cables, Motomit IT
18BA Схема печатной платы;Circuit card
18DB Модуль головки;Head module
18DE Измерительный прибор Motomit IT;Motomit modules IT
18DF Измерительный прибор Motomit PC;Motomit modules PC
18DG Sunit PC
18DI SIERRA-GX400
18EA Измерительный прибор Technion;Technion modules
19AA Крепеж манипулятора и рабочее освещение;Crane mounting + worklights
19AAA Крепеж манипулятора, Kesla 685H;Crane mounting, Kesla 685H
19AB Колеса;Tyres
19BA A4 принтер HP100;A4 printer HP100
19BB A4 принтер HP200;A4 printer HP200
19CB Противовесы;Extra weights
19CC Обработка пней;Stump spraying
19DC Солнцезащитные шторы;Sun shade
19DD Датчик наклона;Tiltsensor
19DF Сливной насос масла;Oil drainage pump
19EA Противопожарная система;Fire extinguishing system
19EB Противопожарная система, бак;Fire extinguishing system, tank
19EC Противопожарная система, шланг;Fire extinguishing system, tap
19FA Камера заднего вида;Rear view camera
19FC Светоотражатель;Safety triangel
19FE Задний фонарь;Rearlight
19GA Транспортные знаки, передние;Traffic equipment front
19GB Транспортные знаки, задние;Traffic equipment rear
19GC Транспортные приборы;Traffic equipment
19HA Technion PC;Technion PC
20AA Шарнир BBR 8;Link BBR 8
20AB Комплекты тормозов BBR 8;Brake kit BBR 8
20AC Переходник BBR 8;Pin BBR 8
20AD Переходник BBR 8;Pin BBR 8
21AA Предупреждающие наклейки;Transfers, alert
21AC Наклейки;Transfers
21AE Наклейки;Transfers
1
1
2
2
2
3
3
3
4
5
5
5
5
6
7
8
9
10
11
12
12
13
14
16
20
21
22
23
24
25
26
27
28
29
30
31
32
33
Позиция на иллюстрации
Заводской номер детали
Название детали
1
0252420
Масленка
2
0252475
Масленка
3
0252511
Штуцер
4
0450089
Винт
5
0450703
Масленка
6
0451779
Кожух
7
0453401
Штуцер
8
0453402
Гайка
9
0453622
Масленка
10
6222277
Винт
11
6593738
Гайка
12
7400029
Шайба
13
R850173
Стержень
14
R856761
Приставка
16
R862234
Обойма
20
0628111
Шланг
21
0628135
Шланг
22
0628136
Шланг
23
0628120
Шланг
24
0628108
Шланг
25
0628106
Шланг
26
0628103
Шланг
27
0628102
Шланг
28
0628131
Шланг
29
0628132
Шланг
30
0628104
Шланг
31
0628105
Шланг
32
0628122
Шланг
33
0628134
Шланг
Содержащиеся в справочниках-каталогах запасные части и детали не предлагаются к продаже, а носят исключительно информационный характер
Дополнительная информация
×
Название:
Номер:
Примечание: