Вернуться на главную
Поиск
Каталоги запчастей к технике
Спецтехника
МоАЗ
6014
Подогреватель двигателя 6442-1000032
Каталог запасных частей к технике: МоАЗ 6014. Подогреватель двигателя 6442-1000032
zoom-in
zoom-out
enlarge
shrink
circle-right
circle-left
file-text2
info
cart
Тип техники
Не выбрано
Легковые автомобили
Грузовые автомобили и прицепы
Автобусы
Сельхозтехника
Спецтехника
Двигатели
Мототехника
Марка
Не выбрано
Ammann
BOMAG
CARMIX
CASE IH
Changlin
ChengGong
Dimex
Doosan
DYNAPAC
Foton
HAMM
Hidromek
Hitachi
Hyundai
JCB
JLG
John Deere
Komatsu
LIEBHERR
LiuGong
Lonking (LongGong)
Luneng
MANITOU
Mitsuber
New Holland
PENGPU
RM-Terex
SANY
SDLG
SEM
Shantui
Shehwa HBXG
Soosan
TIGARBO
VOGELE
Volvo
WAY
WIRTGEN
XCMG
XGMA
Xiamen
YTO
Yuchai
Zoomlion
Автокран
АЗСМ
Алтайлесмаш
Амкодор
АОМЗ
Атек
АТЗ
Балканкар Рекорд
БелАЗ
Беловеж
Борекс
Брянский Арсенал
Булат
ВЭКС
ГАЗ
Геомаш
Гидромаш
Донекс
Дормаш
Дормашина
Дорэлектромаш
ДЭЗ
ЕлАЗ
ЗЗГТ
Ижнефтемаш
Канаш-электрокар
КЗКТ
ККЗ
Клевер
Клинцовский автокрановый завод
КМЗ
КМЗ 1 Мая
Ковровец
Коммаш
Кранэкс
КЭЗ
КЭМЗ
ЛЗА
МАЗ
МЗИК
МЗКМ
МЗКТ
Михневский РМЗ
МоАЗ
Мозырский МЗ
МТЗ
ОЗП
Онежец
ПАО "ТЗА"
ППС Детва
Промтрактор
ПТЗ
Раскат
СпецАгрегат
ТВЭКС
ТТМ
УВЗ
Угличмаш
УЗТМ
ХТЗ
ЧЗКМ
ЧСДМ
ЧТЗ
ЭКСКО
ЭКСМАШ
ЮрМаш
Модель
Не выбрано
40481 (2003)
40484-21
4055-21
6014 (2002)
Схема
>
Не выбрано
Кабина и оперение 6442-5000010 и 6442-84000000
Вентиляционный люк крыши 7406-5700030
Дверь 7406-6100002
Сиденье водителя 7406-6800002
Отопление кабины 6442-8100000
Вентилятор 546П-8102010
Установка двигателя 6441-1000003
Масляный радиатор 6442-1300010
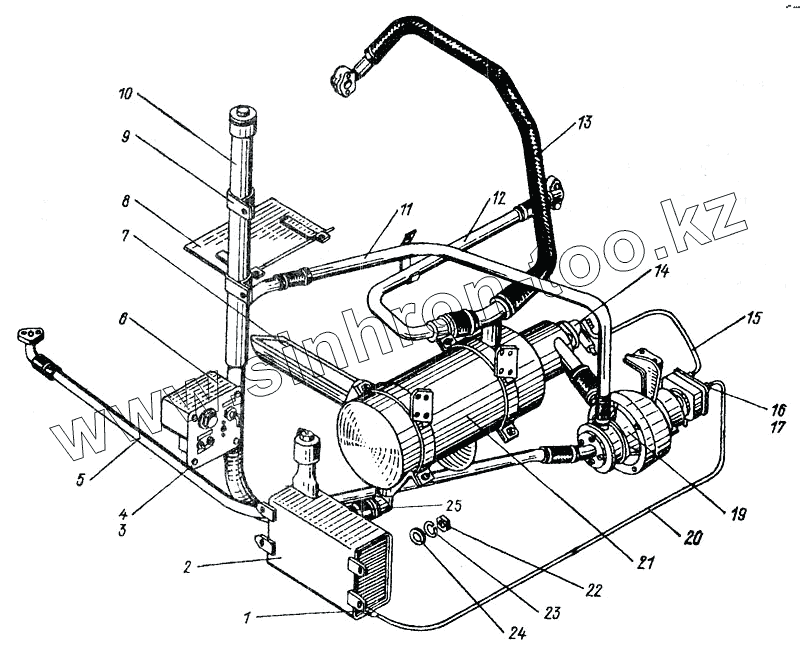
Подогреватель двигателя 6442-1000032
Детали крепления подогревателя 6442-1000032
Детали установки пускового подогревателя 6442-1000032
Топливный бак 6442-1101010
Привод управления двигателем и останов 6442-1100015
Система очистки воздуха 6442-1100010
Система выпуска газа 6442-1200001
Радиатор 546-1301010
Рамка радиатора и кожух 6442-1302010
Клапан паровоздушный 546П-1304100
Привод вентилятора 64423-1300012
Привод вентилятора 64423-1300012
Натяжной ролик 7405-1308110
Жалюзи 546-1310110
Сцепление 6441-1600001
Картер сцепления с ведущим диском 546П-1601490-02
Механизм выключения сцепления 6441-1600010, 6442-1600010
Блок трансмиссии 64423-1700000
Управление коробкой передач 546П-1703110-10, 6442-1703110
Установка блока трансмиссии 64423-1700001
Коробка дополнительная 64423-1800010
Механизм переключения 529-1803015-А
Управление дополнительной коробкой 6442-1800009
Карданные валы 546П-2201010-01, 546П-2202010-01
Ведущий мост 6441-2400010
Редуктор главной передачи 6441-2402010
Дифференциал 546А-2403012-А
Водило 546П-2405018
Рама, щит и буксирные пальцы 6442-2800003
Рама 99862-2800010-01
Детали подвески 6441-2900002
Рессора 546П-2912014-Б
Амортизатор 546П-2915306-01
Установка колес 6441-3101001
Установка и цапфы и ступицы колеса скрепера 99862-3100002
Установка рулевого управления 6442-3400001
Механизм обратной связи 6442-3400001
Рулевой механизм с распределителем 6442-3400010
Колонка с рулевым колесом 6442-3400015
Карданный вал 6442-3401300
Бустеры 546П-3405005-А1, 546П-3405006-А1
Золотниковая коробка 546П-3416005-01
Передняя тяга 6442-3421009
Головка тяги 546-3421016
Задняя тяга 546П-3421047-13
Тяга переключения 546П-3421063
Гидробак 6442-3400020
Фильтр 6442-3410080
Колесный тормоз тягача 6442-3501000
Привод тормозного крана 6442-3500032
Пневмосистема тормозов тягача 6442-3500003
Стояночный тормоз 6401-3507006-20
Установка компрессора 6441-3500009
Компрессор 500-3509015-Б1
Цилиндр с пружинным энергоаккумулятором 7405-3519010
Тормозной цилиндр 6442-3519110
Колесный тормоз скрепера 99862-3501000
Пневмосистема тормозов скрепера 99862-35000003
Тормозной цилиндр
Установка электрооборудования самоходного скрепера 6442-3700002
Установка электрооборудования на панели приборов 6442-3800001
Установка сцепного устройства 6442-2700001
Установка сцепного устройства 6442-2700001
Установка сцепного устройства 6442-2700001
Коробка отбора мощности с полужесткой муфтой 546Б-4202010, 6441-4202017
Обратный клапан Д357П-4610100
Гидравлический замок Д357П-4610210-03
Переключатель насоса Д357П-4610310
Гидрораспределитель Д357П-4612010
Гидроцилиндр Д357П-4614010
Механизм управления гидрораспределителем
Гидросистема скрепера
Ковш 99862-9200006
Защитный лист 99862-9212124, кронштейны задних фонарей 99862-9212200,-9212201
Задняя стенка 99862-9213012-01 и заслонка 99862-9220005-01
Ролики, пальцы
Инструмент шоферский
Инструмент шоферский
Инструмент шоферский
1
2
3
4
5
6
7
8
9
10
11
12
13
14
15
16
17
19
20
21
22
23
24
25
Позиция на иллюстрации
Заводской номер детали
Название детали
6442-1000032
6442-1000032
Подогреватель двигателя
6442-1015040
6442-1015040
Воздухопровод
1
379049
Ниппель конечный
2
546П-1015263-02
Бачок подогревателя
3
220078
Винт
4
252133
Шайба
5
6442-1015156
Труба подводящая
6
ПЖД44-1015410
Щиток управления
7
546П-1015190-01
Направляющая
8
546П-1015804
Отражатель газов
9
448933
Кляммер
10
6441-1015025
Труба заливная
11
6441-1015150
Труба отводящая
12
546В-1015087
Труба подводящая
13
6442-1015095
Рукав
14
ПЖД30-1015500-07
Клапан электромагнитный
15
6441-1015520
Топливопровод
16
379225
Гайка
17
379275
Муфта
19
6441-1015200
Нагнетатель
20
6441-1015524
Топливопровод
21
ПЖД44-1015010
Котел подогревателя в сборе
22
250510
Гайка
23
252135
Шайба
24
252005
Шайба
25
6442-1015032
Труба заливная (нижняя)
Содержащиеся в справочниках-каталогах запасные части и детали не предлагаются к продаже, а носят исключительно информационный характер
Дополнительная информация
×
Название:
Номер:
Примечание: