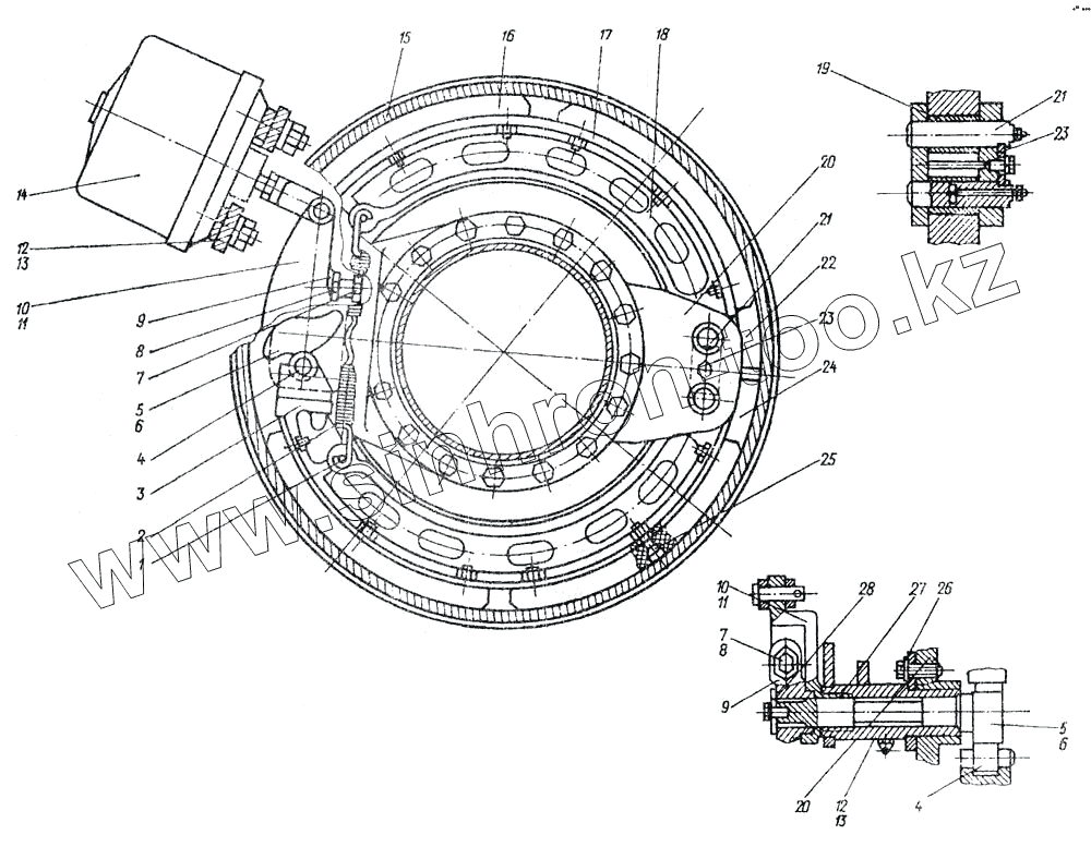
Каталог запасных частей к технике: МоАЗ 6014. Колесный тормоз скрепера 99862-3501000
1
2
3
4
4
5
5
6
6
7
7
8
8
9
9
10
10
11
11
12
12
13
13
14
15
16
17
18
19
20
20
21
21
22
23
23
24
25
26
27
28
| Позиция на иллюстрации | Заводской номер детали | Название детали | |
|---|---|---|---|
| 250908 | 250908 | Гайка | |
| 205654 | 205654 | Болт | |
| 1 | 546П-3501098 | Палец пружины | |
| 2 | 546П-3501034 | Пружина | |
| 3 | 546П-3501096 | Носок колодки | |
| 4 | 546П-3501109 | Ролик | |
| 5 | 529А-3501110-01 | Кулак разжимной правый | |
| 6 | 529А-3501111-01 | Кулак разжимной левый | |
| 7 | 6441-3501141 | Шайба | |
| 8 | 445800 | Гайка | |
| 9 | 6441-3501138 | Рычаг регулировочный | |
| 10 | 6441-3501180 | Рычаг нажимной правый | |
| 11 | 6441-3501181 | Рычаг нажимной левый | |
| 12 | 6441-3519170 | Кронштейн правый | |
| 13 | 6441-3519171 | Кронштейн левый | |
| 14 | 6442-3519110 | Цилиндр тормозной | |
| 15 | 529А-3501070-01 | Барабан тормозной | |
| 16 | 529-3501105 | Накладка | |
| 17 | 546П-3501095 | Колодка | |
| 18 | 546П-3501090 | Колодка | |
| 19 | 200-3501108 | Втулка | |
| 20 | 546П-3501018-Б | Суппорт | |
| 21 | 529А-3501132 | Ось колодки | |
| 22 | 546П-3501170 | Диск защитный | |
| 23 | 546П-3501134 | Пластина стопорная | |
| 24 | 546П-3501171 | Диск защитный | |
| 25 | 221728 | Винт | |
| 26 | 202119 | Болт | |
| 27 | 200-3501016 | Втулка | |
| 28 | 200-3501155-А | Винт |
Содержащиеся в справочниках-каталогах запасные части и детали не предлагаются к продаже, а носят исключительно информационный характер