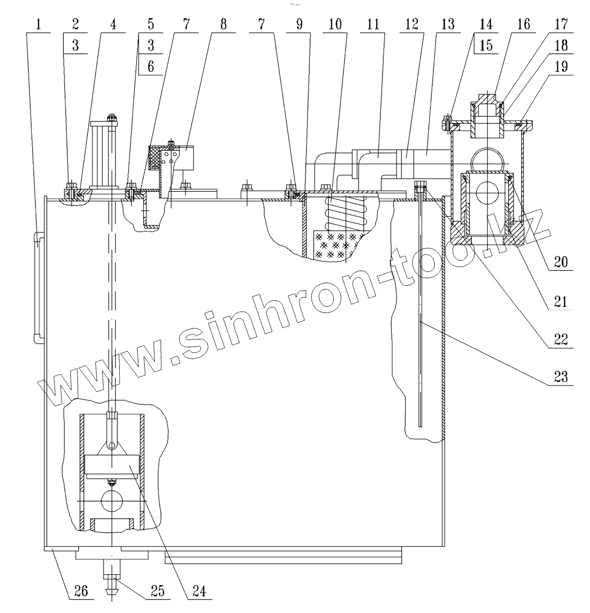
Каталог запасных частей к технике: МоАЗ 40484-21. Гидробак
1
2
3
3
4
5
6
7
7
8
9
10
11
12
13
14
15
16
17
18
19
20
21
22
23
24
25
26
| Позиция на иллюстрации | Заводской номер детали | Название детали | |
|---|---|---|---|
| 1 | 6908-3410132 | Маслоуказатель | |
| 2 | 201495 | Болт | |
| 3 | 252136 | Шайба | |
| 4 | 130-140-58-2-2 | Кольцо ГОСТ 18829-73 | |
| 5 | 201497 | Болт | |
| 6 | 7508-3410183 | Прижим | |
| 7 | 140-150-58-2-2 | Кольцо | |
| 8 | 7505-3410175 | Сапун | |
| 9 | 7508-3410080 | Фильтр | |
| 10 | Д357П-4612078-01 | Пружина золотника | |
| 11 | 7508-3410088 | Крышка с угольником | |
| 12 | Д357П-4617190-01 | Хомут | |
| 13 | Д357Г-10954 | Рукав всасывающий | |
| 14 | 201454 | Болт | |
| 15 | 252135 | Шайба | |
| 16 | 7406-4612016 | Пробка | |
| 17 | 040-045-30-2-2 | Кольцо | |
| 18 | 6908-3410128 | Горловина заливная | |
| 19 | 085-095-58-2-2 | Кольцо | |
| 20 | 056-066-58-2-2 | Кольцо | |
| 21 | 6908-3410124 | Клапан с заглушкой | |
| 22 | 015-019-25-2-2 | Кольцо ГОСТ 18829-73 | |
| 23 | 6908-3410070 | Стержень маслоизмерительный | |
| 24 | 6908-3410050-10 | Клапан | |
| 25 | 6908-3410078 | Пробка сливная | |
| 26 | 69081-3410012 | Корпус гидробака |
Содержащиеся в справочниках-каталогах запасные части и детали не предлагаются к продаже, а носят исключительно информационный характер