Каталог запасных частей к технике: МоАЗ 40481. Картер гидромеханической передачи
7548-1701320
2
3
4
5
6
7
9
10
11
12
13
14
15
16
17
18
19
20
21
22
23
24
25
26
27
28
29
30
31
32
33
34
35
36
37
38
39
40
41
42
42
42
43
44
44
45
46
47
48
49
49
50
50
51
51
51
51
51
51
51
52
53
54
54
55
56
56
57
57
57
58
58
58
58
59
60
61
62
63
64
65
66
66
67
67
67
67
68
69
70
71
72
73
74
75
76
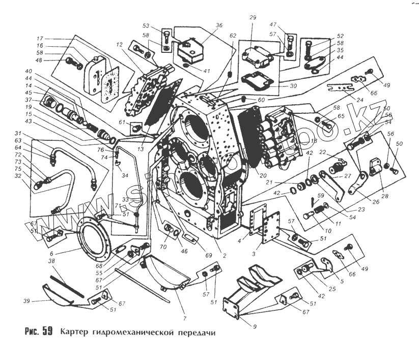
| Позиция на иллюстрации | Заводской номер детали | Название детали | |
|---|---|---|---|
| 7548-1701320 | 7548-1701320 | Картер | |
| 2 | 7548-1701322 | Картер | |
| 3 | 7548-1701324 | Крышка | |
| 4 | 7548-1701326 | Прокладка | |
| 5 | 7548-1701396 | Планка | |
| 6 | 7548-1701548 | Кольцо | |
| 7 | 7548-1701650 | Брызговик | |
| 8 | 7548-1701668-10 | Уплотнитель | |
| 9 | 7548-1701670 | Брызговик | |
| 10 | 540-1703133 | Палец | |
| 11 | 540-1712131 | Пружина | |
| 12 | 7548-171221.0-10 | Коробка золотниковая | |
| 13 | 7548-1712342-10 | Прокладка | |
| 14 | 7548-1712362-10 | Седло | |
| 15 | 7548-1712366-10 | Опора | |
| 16 | 7548-1712380 | Клапан корректирующий | |
| 17 | 7548-1712396 | Прокладка | |
| 18 | 7548-1712410-20 | Механизм управления | |
| 19 | 7548-1712432 | Пружина | |
| 20 | 7548-1712458-20 | Прокладка | |
| 21 | 7548-1712528 | Крышка | |
| 22 | 7548-1712530 | Датчик | |
| 23 | 7548-1712535 | Втулка | |
| 24 | 7548-1712536 | Фиксатор | |
| 25 | 7548-1712538 | Питатель | |
| 26 | 7548-1712542-10 | Рычаг | |
| 27 | 7648-1712546-10 | Рычаг | |
| 28 | 7548-1712550 | Кронштейн | |
| 29 | 7548-1712556 | Крышка | |
| 30 | 17548-1712558 | Прокладка | |
| 31 | 7548-1712642 | Трубка смазки | |
| 32 | 7548-1712662 | Труба | |
| 33 | 7548-1712672 | Труба | |
| 34 | 7548-1712674 | Угольник | |
| 35 | 7548-1712688 | Крышка | |
| 36 | 69081-1712878 | Крышка | |
| 37 | 7548-1712996 | Заглушка | |
| 38 | 7548-1767069 | Уплотнитель | |
| 39 | 7548-1767090 | Брызговик | |
| 40 | 517463-100 | Шарик | |
| 41 | 008-012-25-2-3 | Кольцо | |
| 42 | 014-018-25-2-3 | Кольцо | |
| 43 | 020-025-30-2-3 | Кольцо | |
| 44 | 024-030-36-2-3 | Кольцо | |
| 45 | 030-035-30-2-3 | Кольцо | |
| 46 | 040-045-30-2-3 | Кольцо | |
| 47 | 200317 | Болт М10х45 | |
| 48 | 200379 | Болт М12х100 | |
| 49 | 201456 | Болт | |
| 50 | 201460 | Болт | |
| 51 | 201495 | Болт | |
| 52 | 201530 | Болт М12х35 | |
| 53 | 206590 | Болт М12х80 | |
| 54 | 252006 | Шайба | |
| 55 | 252039 | Шайба 10 | |
| 56 | 252135 | Шайба | |
| 57 | 252136 | Шайба | |
| 58 | 252137 | Шайба | |
| 59 | 258025 | Шплинт 2,2x20 | |
| 60 | 262531 | Пробка КГ1/8 | |
| 61 | 262532 | Пробка КГ1/4 | |
| 62 | 262534 | Пробка КГ 1/2 | |
| 63 | 314708 | Гайка соединительная | |
| 64 | 314802 | Муфта | |
| 65 | 340321 | Болт М12х90 | |
| 66 | 342705 | Пластина | |
| 67 | 342765 | Пластина | |
| 68 | 343532 | Штифт 18x40 | |
| 69 | 343555 | Штифт 12x30 | |
| 70 | 344373 | Пробка М42х2 | |
| 71 | 344611 | Кляммер | |
| 72 | 379225 | Гайка | |
| 73 | 379275 | Муфта | |
| 74 | 379276 | Муфта | |
| 75 | 379623 | Угольник | |
| 76 | 379700 | Гайка накидная |
Содержащиеся в справочниках-каталогах запасные части и детали не предлагаются к продаже, а носят исключительно информационный характер