Каталог запасных частей к технике: Mitsuber ML-541R Munich. Рабочее оборудование
1
2
2
3
3
3
3
4
4
4
4
4
4
5
5
5
5
5
5
6
6
6
6
6
6
9
10
11
12
13
13
13
13
13
13
14
14
14
14
14
14
15
15
15
15
15
15
16
16
16
17
18
18
19
20
21
21
22
22
23
23
24
25
26
27
28
29
29
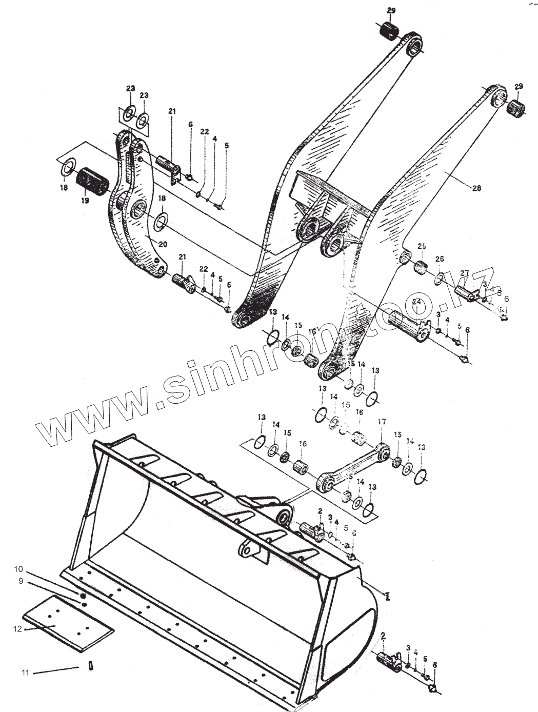
| Позиция на иллюстрации | Заводской номер детали | Название детали | |
|---|---|---|---|
| 1 | Z5GCS.8.1.1A | КОВШ | |
| 2 | Z5G.8.7 | ШПИЛЬКА | |
| 3 | 85Z.06-5 | ШАЙБА | |
| 4 | GB93-87 | ШАЙБА 12 | |
| 5 | GB5783-86 | БОЛТ М10х30 | |
| 6 | GB1152-89 | МАСЛЕНКА M10х1 | |
| 9 | GB93-87 | ШАЙБА 12 | |
| 10 | ZL40A.11.1-19 | ГАЙКА | |
| 11 | Z5GCS.8.2-2 | БОЛТ | |
| 12 | Z5GCS.8.2-1 | ПЛАСТИНА | |
| 13 | Z5G.8-5 | КОЛЬЦО | |
| 14 | ZL50E.6-19 | РЕГУЛИРОВОЧНАЯ ПРОКЛАДКА | |
| 15 | GB9877.1-88 | УПЛОТНЕНИЕ FB95x130x12 | |
| 16 | Z5G.8-6A | ВТУЛКА ВАЛА | |
| 17 | Z5G8.3 | СОЕДИНИТЕЛЬНЫЙ ЭЛЕМЕНТ | |
| 18 | ZL50E.8-12 | РЕГУЛИРОВОЧНАЯ ПРОКЛАДКА | |
| 19 | Z5G.8-2 | ВТУЛКА ВАЛА | |
| 20 | Z5G.8.4 | РЫЧАГ НАКЛОНА | |
| 21 | Z5G.8.6 | ШПИЛЬКА | |
| 22 | ZL50E.8-4 | БЛОК | |
| 23 | ZL50E.6-19 | РЕГУЛИРОВОЧНАЯ ПРОКЛАДКА | |
| 24 | Z5G.8.5 | ВТУЛКА ВАЛА | |
| 25 | Z5G.8-1 | ВТУЛКА ВАЛА | |
| 26 | ZL50E.8-16 | ШАЙБА | |
| 27 | ZL50E.8.7 | ШПИЛЬКА ВАЛА | |
| 28 | Z5G.8.2 | РЫЧАГ ПОДЪЕМА | |
| 29 | Z5G.8-3 | ВТУЛКА ВАЛА |
Содержащиеся в справочниках-каталогах запасные части и детали не предлагаются к продаже, а носят исключительно информационный характер