Каталог запасных частей к технике: Mitsuber MG-165R Groningen. Двигательная система
1
2
3
4
5
6
7
8
9
10
10
11
11
12
13
14
15
16
17
18
19
20
21
21
22
23
24
25
26
26
27
28
29
30
31
32
33
34
35
36
37
38
39
40
41
42
43
44
45
46
47
48
49
50
51
52
53
54
55
56
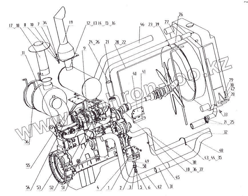
| Позиция на иллюстрации | Заводской номер детали | Название детали | |
|---|---|---|---|
| 1 | 001340007 | Резиновая шайба II | |
| 2 | 001340004 | Труба | |
| 3 | 001340008 | Задний суппорт II | |
| 4 | 104000413 | Болт M14x110 | |
| 5 | 001340016 | Шайба 20 | |
| 6 | 104030086 | Гайка M14 | |
| 7 | 104040030 | Шайба 10 | |
| 8 | 104030014 | Гайка М10 | |
| 9 | 104000085 | Болт М10х25 | |
| 10 | 104040008 | Шайба 10 | |
| 11 | СТАА8.3-С | Двигатель | |
| 11 | CTAA8.3-C | Двигатель | |
| 12 | 104000079 | Болт М8x55 | |
| 13 | 104030024 | Гайка М8 | |
| 14 | 104040007 | Шайба 8 | |
| 15 | 001340020 | Труба | |
| 16 | 001180013 | Хомут | |
| 17 | 001130066 | Труба | |
| 18 | 001470002 | Хомут | |
| 19 | 001470003 | Выхлопная труба | |
| 20 | 111010006 | Скоба 15-18 | |
| 21 | 111010040 | Скоба 65-70 | |
| 22 | 001340025 | Газовая труба d.10x1510 | |
| 23 | 001340026 | Шланг d.20x1400 | |
| 24 | 001340019 | Труба | |
| 25 | 001340027 | Шланг d.57x150 | |
| 26 | 001200035 | Шланг d.57x200 | |
| 27 | 100010011 | Радиатор | |
| 28 | 001470001 | Шайба | |
| 29 | 104000061 | Болт M12x40 | |
| 30 | 104040005 | Шайба 12 | |
| 31 | 100010080 | Труба | |
| 32 | 001340021 | Труба II | |
| 33 | 106000001 | Краник | |
| 34 | 104000082 | Болт M10x30 | |
| 35 | 001340015 | Хомут | |
| 36 | 104020125 | Болт М10x40 | |
| 37 | 001450004 | Соединительная пластина | |
| 38 | 001340023 | Труба | |
| 39 | 111010090 | Скоба 28-32 | |
| 40 | 001340005 | Задний суппорт | |
| 41 | 001340006 | Резиновая шайба III | |
| 42 | 104040053 | Шайба 12 | |
| 43 | 104030065 | Гайка М6 | |
| 44 | 104040009 | Шайба 6 | |
| 45 | 001130055 | Заглушка | |
| 46 | 001340014 | Труба | |
| 47 | 001340003 | Труба I | |
| 48 | 001340028 | Труба II | |
| 49 | 001340018 | Резиновый чехол | |
| 50 | 001340017 | Резиновая шайба | |
| 51 | 001130059 | Кронштейн глушителя | |
| 52 | 001130061 | Труба | |
| 53 | 001130058 | Шайба | |
| 54 | 001130169 | Кронштейн глушителя II | |
| 55 | 001460003 | Труба | |
| 56 | 001460002 | Кронштейн воздухоочистителя |
Содержащиеся в справочниках-каталогах запасные части и детали не предлагаются к продаже, а носят исключительно информационный характер