Каталог запасных частей к технике: Mitsuber MG-165R Groningen. Червячный привод
1
2
3
4
5
6
7
8
9
9
10
10
11
12
13
14
15
16
17
18
19
20
21
22
23
23
24
25
26
27
28
29
30
31
32
33
34
35
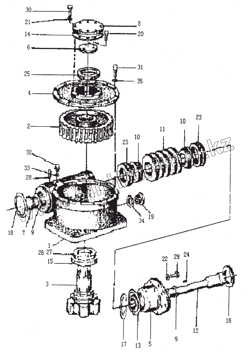
| Позиция на иллюстрации | Заводской номер детали | Название детали | |
|---|---|---|---|
| 1 | НХ8000А-16 | Корпус коробки передач | |
| 2 | НХ8000А.3 | Червячная передача | |
| 3 | НХ8000А-14 | Приводная шестерня | |
| 4 | НХ8000А-7 | Крышка | |
| 5 | НХ8000А-9 | Седло подшипника | |
| 6 | НХ8000А-6 | Крышка подшипника | |
| 7 | HX8000A-17 | Крышка подшипника | |
| 8 | НХ8000А-2 | Крышка | |
| 9 | НХ8000А-12 | Втулка оси | |
| 10 | НХ8000А-13 | Тарелка | |
| 11 | НХ8000А-15 | Червяк | |
| 12 | НХ8000А-11 | Вал | |
| 13 | НХ8000А-5 | Регулировочное кольцо | |
| 14 | НХ8000А-4 | Уплотнительная прокладка | |
| 15 | GB9877.1-88 | УПЛОТНЕНИЕ FB95x130x12 | |
| 16 | НХ8000А-10 | Комбинированная втулка | |
| 17 | GB3452.2-82 | Кольцо 75x3.1 | |
| 18 | GB3452.1-82 | КОЛЬЦО 50x2.65 | |
| 19 | НХ8000А.21 | Индикатор уровня масла | |
| 20 | GВ/Т70.1-86 | Винт М12х25-8.8 | |
| 21 | GВ93-87 | Шайба 6 | |
| 22 | GВ93-87 | Шайба 6 | |
| 23 | GB/T301-95 | Подшипник 51209 | |
| 24 | НХ8000А-1 | Монтажный ключ | |
| 25 | GВ/Т297-94 | Роликовый подшипник 32105 | |
| 26 | GВ/Т297-94 | Роликовый подшипник 32105 | |
| 27 | НХ8000А-19 | Масляный дефлектор | |
| 28 | GB74-85 | Винт | |
| 29 | GВ/Т70.1-86 | Винт М12х25-8.8 | |
| 30 | GВ/Т5782-86 | Болт М6х18 | |
| 31 | GВ/Т5782-86 | Болт М6х18 | |
| 32 | JB1001-77 | Винтовая заглушка М16x1.5 | |
| 33 | JB982-77 | ШАЙБА 16 | |
| 34 | JB 1002-77 | Шайба 42 | |
| 35 | GВ93-87 | Шайба 6 |
Содержащиеся в справочниках-каталогах запасные части и детали не предлагаются к продаже, а носят исключительно информационный характер