Вернуться на главную
Поиск
Каталоги запчастей к технике
Спецтехника
МАЗ
МАЗ-537
Влагомаслоотделитель
Каталог запасных частей к технике: МАЗ-537. Влагомаслоотделитель
zoom-in
zoom-out
enlarge
shrink
circle-right
circle-left
file-text2
info
cart
Тип техники
Не выбрано
Легковые автомобили
Грузовые автомобили и прицепы
Автобусы
Сельхозтехника
Спецтехника
Двигатели
Мототехника
Марка
Не выбрано
Ammann
BOMAG
CARMIX
CASE IH
Changlin
ChengGong
Dimex
Doosan
DYNAPAC
Foton
HAMM
Hidromek
Hitachi
Hyundai
JCB
JLG
John Deere
Komatsu
LIEBHERR
LiuGong
Lonking (LongGong)
Luneng
MANITOU
Mitsuber
New Holland
PENGPU
RM-Terex
SANY
SDLG
SEM
Shantui
Shehwa HBXG
Soosan
TIGARBO
VOGELE
Volvo
WAY
WIRTGEN
XCMG
XGMA
Xiamen
YTO
Yuchai
Zoomlion
Автокран
АЗСМ
Алтайлесмаш
Амкодор
АОМЗ
Атек
АТЗ
Балканкар Рекорд
БелАЗ
Беловеж
Борекс
Брянский Арсенал
Булат
ВЭКС
ГАЗ
Геомаш
Гидромаш
Донекс
Дормаш
Дормашина
Дорэлектромаш
ДЭЗ
ЕлАЗ
ЗЗГТ
Ижнефтемаш
Канаш-электрокар
КЗКТ
ККЗ
Клевер
Клинцовский автокрановый завод
КМЗ
КМЗ 1 Мая
Ковровец
Коммаш
Кранэкс
КЭЗ
КЭМЗ
ЛЗА
МАЗ
МЗИК
МЗКМ
МЗКТ
Михневский РМЗ
МоАЗ
Мозырский МЗ
МТЗ
ОЗП
Онежец
ПАО "ТЗА"
ППС Детва
Промтрактор
ПТЗ
Раскат
СпецАгрегат
ТВЭКС
ТТМ
УВЗ
Угличмаш
УЗТМ
ХТЗ
ЧЗКМ
ЧСДМ
ЧТЗ
ЭКСКО
ЭКСМАШ
ЮрМаш
Модель
Не выбрано
МАЗ-537
Схема
>
Не выбрано
Кабина без обшивки
Кабина и ее крепление
Стеклоочиститель и его привод
Переднее стекло
Боковая дверь кабины
Сиденье водителя
Сиденье пассажира
Принципиальная схема вентиляции агрегатов
Отопитель в сборе
Отопитель независимого действия
Платформа автомобиля МАЗ-537А
Камера электрогенератора
Крепление силового агрегата
Масляный радиатор
Подогреватель ПЖД-600
Масляный бак двигателя
Схема системы смазки
Маслозакачивающий насос МЗН-2
Топливный бак двигателя
Схема топливной системы двигателя
Агрегаты топливной системы двигателя
Бачок для слива топлива
Привод управления подачей топлива
Воздушный фильтр и аварийный останов двигателя
Выхлопные трубы и искрогаситель
Правый блок водяного и масляного радиатора
Схема системы охлаждения двигателя
Термостатная коробка
Вентилятор и его привод
Электромуфта вентиляторов
Баллоны системы воздухопуска и их крепление
Картер и картерные детали гидротрансмиссии
Гидротрансформатор
Трубопроводы гидротрансмиссии
Управление переключением планетарной коробки передач
Масляный насос гидротрансмиссии
Задний масляный насос гидротрансмиссии
Планетарный механизм коробки передач
Промежуточный картер планетарной коробки передач
Механизм управления трансмиссией
Механизм блокировки гидротрансформатора
Фильтр "Гидроциклон"
Масляный фильтр гидротрансформатора
Масляный бак гидротрансмиссии
Подвеска гидротрансмиссии
Клапан первой передачи гидротрансмиссии
Подвеска раздаточной коробки
Раздаточная коробка
Раздаточная коробка
Механизм переключения раздаточной коробки
Пневмовыключатель блокировки дифференциала раздаточной коробки
Дублирующий привод раздаточной коробки
Кран пневмоуправления раздаточной коробкой
Повышающая передача
Повышающая передача
Демпферное соединение повышающей передачи
Карданный вал первого заднего моста
Промежуточный карданный вал
Карданный вал второго заднего моста
Карданный вал второго переднего моста
Карданный вал гидротрансформатора
Картер центрального редуктора первого переднего моста
Центральный редуктор первого переднего моста
Полуосевой кардан с крестовинами передних мостов
Поворотное устройство
Картер центрального редуктора второго переднего моста
Центральный редуктор второго переднего моста
Картер центрального редуктора второго заднего моста
Центральный редуктор второго заднего моста
Межколесный дифференциал первого и второго задних мостов
Подвеска редуктора первого заднего моста
Плунжерный насос
Рама автомобиля МАЗ-537А
Рама автомобиля МАЗ-537
Буксирный прибор
Детали подвески передних колес
Детали подвески вторых передних колес
Амортизатор подвески
Стойки и рычаги задней подвески
Балансир подвески задних колес
Рулевые тяги и поворотные рычаги
Колесо автомобиля
Ступица колеса
Механизм рулевого управления
Гидроусилитель рулевого управления
Насос гидроусилителя руля
Предохранительный клапан гидроусилителя руля
Трубопроводы гидроусилителя руля
Масляный бак гидроусилителя руля
Цилиндр колесного тормоза
Тормозная педаль и привод
Главный тормозной цилиндр
Схема пневмогидравлической системы
Ручной тормоз
Управление ручным тормозом
Компрессор и его привод
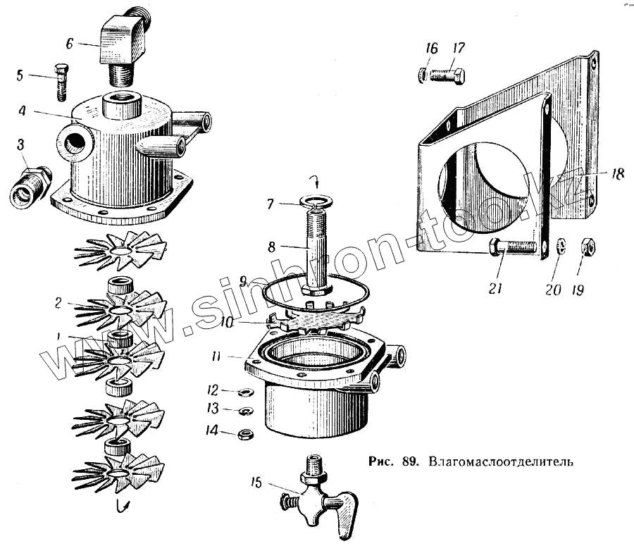
Влагомаслоотделитель
Воздушные баллоны и их крепление
Тормозной кран
Предохранительный клапан и спускной кран
Разобщительный кран
Соединительная головка
Кран отбора воздуха
Буксирный клапан
Аккумуляторные батареи
Фара
Пневматический сигнал
Схема электрооборудования
Поворотная фара
Генератор спецоборудования и его установка
Щиток приборов
Седельное устройство
Коробка отбора мощности
Привод управления коробкой отбора мощности
Установка зарядного агрегата
Установка лебедки автомобиля МАЗ-537А
Установка лебедки автомобиля МАЗ-537Г
Редуктор лебедки автомобиля МАЗ-537Г
Кожух лебедки автомобиля МАЗ-537Г
Возимый инструмент и принадлежности
Невозимый инструмент и принадлежности
Автомобиль МАЗ-537
Автомобиль МАЗ-537А
Автомобиль МАЗ-537Г
Автомобиль МАЗ-537Д
1
2
3
4
5
6
7
8
9
10
11
12
13
14
15
16
17
18
19
20
21
Позиция на иллюстрации
Заводской номер детали
Название детали
537-3511110
537-3511110
Влагомаслоотделитель в сборе
537-3511114
537-3511114
Корпус влагомаслоотделителя в сборе
258288-П
258288-П
Шплинт-проволока
201459-П2
201459-П2
Болт
1
537-3511131
Втулка распорная
2
537-3511124
Крыльчатка
3
379036-П8
Ниппель конечный
4
537-3511116
Корпус влагомаслоотделителя
5
201459-П2
Болт
6
379057-П8
Угольник конечный
7
252161-П2
Шайба пружинная
8
537-3511121
Стяжка
9
400101-В
Кольцо уплотнительное
10
537-3511145
Шайба отражательная
11
537-3511142
Поддон влагомаслоотделителя
12
252005-П29
Шайба 8
13
252135-П2
Шайба
14
250510-П2
Гайка
15
205-3515010-А
Кран спускной в сборе
16
252006-П29
Шайба
17
206536-П2
Болт
18
537-3511154
Кронштейн
19
250512-П2
Гайка
20
252136-П2
Шайба
21
201501-П2
Болт
Содержащиеся в справочниках-каталогах запасные части и детали не предлагаются к продаже, а носят исключительно информационный характер
Дополнительная информация
×
Название:
Номер:
Примечание: