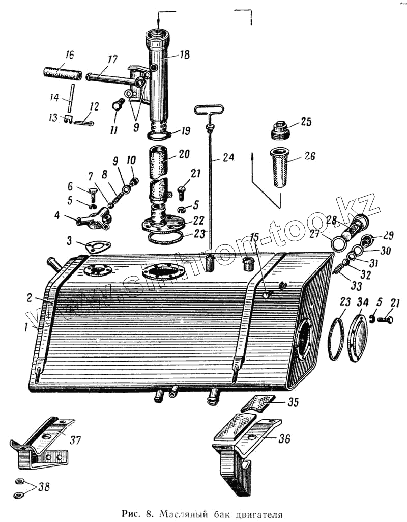
Каталог запасных частей к технике: МАЗ-537. Масляный бак двигателя
1
2
3
4
5
5
5
6
7
8
9
9
10
11
12
13
14
15
16
17
18
19
20
21
21
22
23
23
24
25
26
27
28
29
30
31
32
33
34
35
36
37
38
| Позиция на иллюстрации | Заводской номер детали | Название детали | |
|---|---|---|---|
| 258255-П | 258255-П | Шплинт-проволока | |
| 201452-П2 | 201452-П2 | Болт | |
| 258255-П | 258255-П | Шплинт-проволока | |
| 375828-П | 375828-П | Шайба регулировочная (к-во - по потребности, в среднем 3) | |
| 252138-П2 | 252138-П2 | Шайба пружинная | |
| 252135-П2 | 252135-П2 | Шайба | |
| 535А-1035030 | 535А-1035030 | Трубка подводящая в сборе | |
| 537-1018078 | 537-1018078 | Труба масляного бака с арматурой в сборе | |
| 537-1018360 | 537-1018360 | Наконечник сливной масляного бака в сборе | |
| 372203-П2 | 372203-П2 | Болт | |
| 373800-П2 | 373800-П2 | Винт | |
| 250559-П2 | 250559-П2 | Гайка | |
| 374180-П2 | 374180-П2 | Гайка | |
| 537-1018725-Б | 537-1018725-Б | Клапан редукционный в сборе | |
| 397215-П1 | 397215-П1 | Кляммер двойной | |
| 537-1018163-Б | 537-1018163-Б | Прокладка ленты хомута | |
| 1 | 537-1018014-В2 | Корпус масляного бака в сборе | |
| 2 | 537-1018160-Б | Хомут крепления масляного бака в сборе | |
| 3 | 537-1018745 | Прокладка редукционного клапана | |
| 4 | 537-1018727-Б | Корпус редукционного клапана | |
| 5 | 252136-П2 | Шайба | |
| 6 | 201499-П2 | Болт | |
| 7 | Шарик 3/4" (19,05) Р | Шарик 3/4" (19,05) Р | |
| 8 | 535А-5713132 | Пружина редукционного клапана | |
| 9 | 535А-1035040 | Кольцо уплотнительное | |
| 9 | 535А-1035040 | Кольцо уплотнительное | |
| 10 | 537-1018753 | Винт редукционного клапана | |
| 11 | 535А-1035047 | Зажим поворотного угольника | |
| 12 | 297575-П8 | Шплинт стяжной | |
| 13 | 297580-П8 | Пряжка хомута | |
| 14 | 297584-П8 | Лента стяжная | |
| 15 | 262542-П2 | Пробка | |
| 16 | 535А-1035066 | Шланг соединительный | |
| 17 | 537-1018284-В | Суфлирующая трубка в сборе | |
| 18 | 537-1018085 | Труба в сборе | |
| 19 | 535А-1504323 | Хомутик | |
| 20 | 537-3410190 | Шланг гибкий наливной трубы | |
| 21 | 201495-П2 | Болт | |
| 22 | 537-1018210 | Крышка с наконечником в сборе | |
| 23 | 535А-1503074 | Кольцо уплотнительное | |
| 24 | 537-1018080-Б | Указатель уровня масла в сборе | |
| 25 | 535А-1518466 | Пробка наливной трубы масляного бака | |
| 26 | 537-1518160 | Фильтр наливной трубы масляного бака в сборе | |
| 27 | 535А-1018412 | Прокладка корпуса фильтра | |
| 28 | 537-1018396 | Корпус фильтра отводящего трубопровода в сборе | |
| 29 | 535А-1018542-Б | Пробка сливная масляного бака | |
| 30 | 535А-1018544-Б | Прокладка сливной пробки | |
| 31 | 535А-1018545 | Седло клапана сливного фланца | |
| 32 | Шарик 11/16" (17,463) Р | Шарик 11/16" (17,463) Р | |
| 33 | 535А-1018543 | Пружина клапана сливного фланца | |
| 34 | 537-1018098 | Крышка фланца масляного бака | |
| 35 | 537-1018120 | Прокладка масляного бака | |
| 36 | 537-1018089-Б | Балка задняя масляного бака в сборе | |
| 37 | 537-1018088-Б | Балка передняя масляного бака в сборе | |
| 38 | 250812-П2 | Гайка |
Содержащиеся в справочниках-каталогах запасные части и детали не предлагаются к продаже, а носят исключительно информационный характер