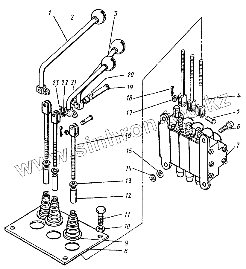
Каталог запасных частей к технике: ЛЗА 40810. Установка гидравлического распределителя 40814-4612
1
2
3
4
5
6
7
8
9
10
11
12
13
14
15
16
17
18
19
20
21
22
23
| Позиция на иллюстрации | Заводской номер детали | Название детали | |
|---|---|---|---|
| 1 | 4014М-4512070 | Рычаг золотника | |
| 2 | 23-64-01-01 | Ручка шаровая | |
| 3 | 4014М-4612068 | Рычаг золотника | |
| 4 | 4081-4612060 | Тяга | |
| 5 | 260057-П29 | Палец 10х28 | |
| 6 | 201548-П29 | Болт М12х50 | |
| 7 | РС162-00000-15 | Гидрораспределитель | |
| 8 | 4081-4612085 | Пластина защитная | |
| 9 | 425-5304090-А | Чехол защитный | |
| 10 | 252005-П29 | Шайба 8 | |
| 11 | 201454-П29 | Болт М8х16 | |
| 12 | 4014М-4612084 | Муфта | |
| 13 | 250512-П29 | Гайка М10 | |
| 14 | 250514-П29 | Гайка М12 | |
| 15 | 252137-П29 | Шайба 12 | |
| 16 | 4014М-4612060 | Тяга | |
| 17 | 252006-П29 | Шайба 10 | |
| 18 | 258036-П29 | Шплинт 3,2х16 | |
| 19 | 260096-П29 | Палец 12х65 | |
| 20 | 4085-1612086 | Втулка | |
| 21 | 4014М-1612066 | Рычаг золотника | |
| 22 | 252007-П29 | Шайба 12 | |
| 23 | 258039-П29 | Шплинт 3,2х20 |
Содержащиеся в справочниках-каталогах запасные части и детали не предлагаются к продаже, а носят исключительно информационный характер