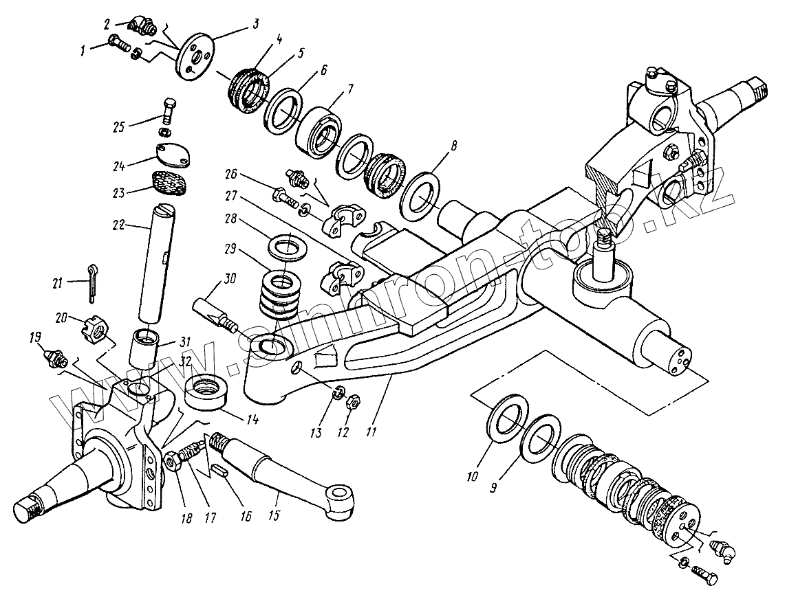
Каталог запасных частей к технике: ЛЗА 40810. Ось задняя и кулаки поворотные 40814-3001
1
2
3
4
5
6
7
8
9
10
11
12
13
14
15
16
17
18
19
20
21
22
23
24
25
26
27
28
29
30
31
32
| Позиция на иллюстрации | Заводской номер детали | Название детали | |
|---|---|---|---|
| 252135-П29 | 252135-П29 | Шайба 8 | |
| 4014-3001030 | 4014-3001030 | Рычаг правый | |
| 4085-2910001-10 | 4085-2910001-10 | Подвеска задняя о колесами в сборе | |
| 4085-2910004-10 | 4085-2910004-10 | Подвеска задняя в сборе | |
| 4014-3001012-02 | 4014-3001012-02 | Кулак поворотный правый в сборе | |
| 1 | 201459-П29 | Болт М8х28 | |
| 2 | 264030-П29 | Масленка П-А-45 | |
| 3 | 4014-3001070-10 | Шайба упорная | |
| 4 | 4014-3001062-10 | Втулка | |
| 5 | 4014-3001064 | Кольцо | |
| 6 | 4014-3001075 | Шайба | |
| 7 | ШС50 | Подшипник шарнирный | |
| 8 | 4014-3001073-01 | Кольцо упорное | |
| 9 | 4014-3001074 | Прокладка регулировочная | |
| 10 | 4014-3001072 | Прокладка регулировочная | |
| 11 | 40814-3001016 | Ось задняя | |
| 12 | 250514-П29 | Гайка М12 | |
| 13 | 252137-П29 | Шайба 12 | |
| 14 | 29908К | Подшипник | |
| 15 | 4014-3001031 | Рычаг левый | |
| 16 | 4045М-3001033 | Шпонка | |
| 17 | 4085-3001026 | Упор | |
| 18 | 250561-П29 | Гайка М16х1,5 | |
| 19 | 264020-П29 | Масленка I-А1 | |
| 20 | 303332-П29 | Гайка М27х1,5 | |
| 21 | 258071-П29 | Шплинт 5х45 | |
| 22 | 40814-3001019 | Шкворень | |
| 23 | 120-3001055 | Прокладка | |
| 24 | 120-3001054 | Крышка | |
| 25 | 201452-П29 | Болт М8х12 | |
| 26 | 201544-П29 | Болт М12х40 | |
| 27 | 4085-3001042 | Крышка | |
| 28 | 120-3001023 | Шайба кулака | |
| 29 | 120-3001022 | Шайба регулировочная | |
| 30 | 4045-3001025 | Клин стопорный | |
| 31 | 120-3001016 | Втулка | |
| 32 | 4014-3001013-02 | Кулак поворотный левый в сборе |
Содержащиеся в справочниках-каталогах запасные части и детали не предлагаются к продаже, а носят исключительно информационный характер