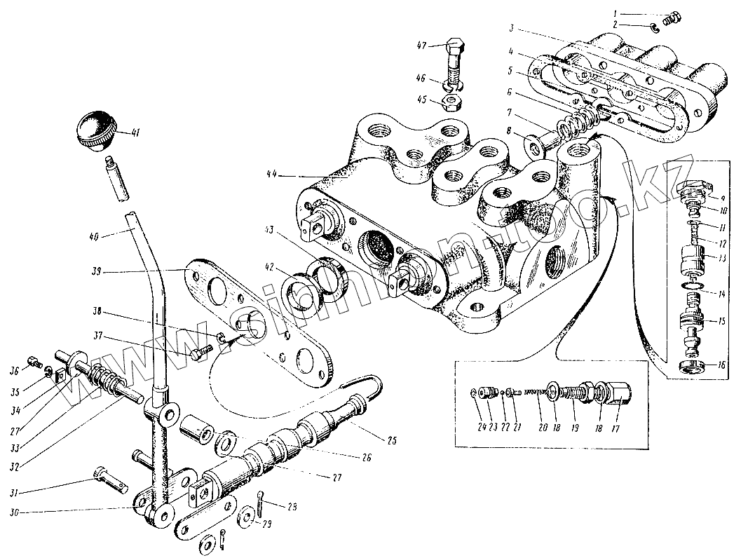
Каталог запасных частей к технике: ЛЗА 4043М. Распределитель гидравлический
4045-4612010-Б
401411-4612010
1
2
3
4
5
6
7
8
9
10
11
12
13
14
15
16
17
18
18
19
20
21
22
23
24
25
26
27
27
28
29
30
31
32
33
34
35
36
37
38
39
40
41
42
43
44
45
46
47
| Позиция на иллюстрации | Заводской номер детали | Название детали | |
|---|---|---|---|
| 258223-П15 | 258223-П15 | Шплинт | |
| 4045-4612424 | 4045-4612424 | Рычаг | |
| 4045-4612010-Б | 4045-4612010-Б | Распределитель гидравлический | |
| 401411-4612010 | 401411-4612010 | Распределитель гидравлический | |
| 262544-П2 | 262544-П2 | Пробка | |
| 262531-П | 262531-П | Пробка | |
| 4000М-1612120 | 4000М-1612120 | Пломба | |
| 4014П-4612015 | 4014П-4612015 | Корпус | |
| 250636-П8 | 250636-П8 | Гайка М16х1,5 | |
| 1 | 201456-П4 | Болт | |
| 2 | 252135-П4 | Шайба | |
| 3 | 4000М-4612078 | Крышка | |
| 4 | 4000М-4612079 | Прокладка | |
| 5 | 4000-4612076-Б | Шайба замочная | |
| 6 | 4045-4612075 | Пружина | |
| 7 | 4000М-4612074 | Втулка | |
| 8 | 4000-4612072-Б | Шайба | |
| 9 | 4045-4612155-Б | Заглушка | |
| 10 | 4045-4612162 | Пробка | |
| 11 | 4000М-3405090 | Кольцо уплотнительное | |
| 12 | 4045-4612150-Б | Пружина клапана | |
| 13 | 4045-4612026 | Направляющая клапана | |
| 14 | 4000М-3405029 | Кольцо уплотнительное | |
| 15 | 4045-4612145-Б | Клапан | |
| 16 | 4045-4612147 | Гнездо клапана | |
| 17 | 4045-4612238-Б1 | Колпак | |
| 18 | 4045-4612233 | Прокладка | |
| 19 | 4045-4612214 | Винт регулировочный | |
| 20 | 4045-4612228 | Пружина предохранительного клапана | |
| 21 | 4045-4612227 | Направляющая предохранительного клапана | |
| 22 | 306835-П | Шарик | |
| 23 | 4045-4612160 | Гнездо предохранительного клапана | |
| 24 | [Кольцо Н2-0х7-2 ГОСТ18829-73] | Кольцо Н2-0х7-2 ГОСТ18829-73 | |
| 25 | 4045-4612090 | Золотник | |
| 26 | 4000М-4612434-А | Втулка распорная | |
| 27 | 252017-П4 | Шайба | |
| 28 | 258039-П | Шплинт 3х20 | |
| 29 | 252006-П4 | Шайба | |
| 30 | 4000М-4612441 | Пластина тяги | |
| 31 | 260058-П8 | Палец | |
| 32 | 4000М-4612432-А | Ось | |
| 33 | 4045-4612245 | Пружина распор пая | |
| 34 | 4000М-4601242 | Планка | |
| 35 | 252135-П4 | Шайба | |
| 36 | 201452-П4 | Болт | |
| 37 | 201454-П4 | Болт | |
| 38 | 252135-П4 | Шайба | |
| 39 | 4000М-4612065 | Крышка | |
| 40 | 4045-4612422 | Рычаг | |
| 41 | RAA-7213 | Рукоятка | |
| 42 | 4003-4612054 | Манжета | |
| 43 | 4045-4612052-Б | Кольцо упорное | |
| 44 | 4015-4612015-Б1 | Корпус | |
| 45 | 250511-П4 | Гайка | |
| 46 | 252137-П2 | Шайба 12 | |
| 47 | 201511-П2 | Болт |
Содержащиеся в справочниках-каталогах запасные части и детали не предлагаются к продаже, а носят исключительно информационный характер