Вернуться на главную
Поиск
Каталоги запчастей к технике
Спецтехника
ЛЗА
ЛЗА 4043М
Педаль и привод тормоза
Каталог запасных частей к технике: ЛЗА 4043М. Педаль и привод тормоза
zoom-in
zoom-out
enlarge
shrink
circle-right
circle-left
file-text2
info
cart
Тип техники
Не выбрано
Легковые автомобили
Грузовые автомобили и прицепы
Автобусы
Сельхозтехника
Спецтехника
Двигатели
Мототехника
Марка
Не выбрано
Ammann
BOMAG
CARMIX
CASE IH
Changlin
ChengGong
Dimex
Doosan
DYNAPAC
Foton
HAMM
Hidromek
Hitachi
Hyundai
JCB
JLG
John Deere
Komatsu
LIEBHERR
LiuGong
Lonking (LongGong)
Luneng
MANITOU
Mitsuber
New Holland
PENGPU
RM-Terex
SANY
SDLG
SEM
Shantui
Shehwa HBXG
Soosan
TIGARBO
VOGELE
Volvo
WAY
WIRTGEN
XCMG
XGMA
Xiamen
YTO
Yuchai
Zoomlion
Автокран
АЗСМ
Алтайлесмаш
Амкодор
АОМЗ
Атек
АТЗ
Балканкар Рекорд
БелАЗ
Беловеж
Борекс
Брянский Арсенал
Булат
ВЭКС
ГАЗ
Геомаш
Гидромаш
Донекс
Дормаш
Дормашина
Дорэлектромаш
ДЭЗ
ЕлАЗ
ЗЗГТ
Ижнефтемаш
Канаш-электрокар
КЗКТ
ККЗ
Клевер
Клинцовский автокрановый завод
КМЗ
КМЗ 1 Мая
Ковровец
Коммаш
Кранэкс
КЭЗ
КЭМЗ
ЛЗА
МАЗ
МЗИК
МЗКМ
МЗКТ
Михневский РМЗ
МоАЗ
Мозырский МЗ
МТЗ
ОЗП
Онежец
ПАО "ТЗА"
ППС Детва
Промтрактор
ПТЗ
Раскат
СпецАгрегат
ТВЭКС
ТТМ
УВЗ
Угличмаш
УЗТМ
ХТЗ
ЧЗКМ
ЧСДМ
ЧТЗ
ЭКСКО
ЭКСМАШ
ЮрМаш
Модель
Не выбрано
ЛЗА 4014 (2006)
ЛЗА 4043М (2006)
ЛЗА 40810 (2006)
Схема
>
Не выбрано
Кабина
Стекла
Стеклоочиститель
Сиденье водителя
Дверь
Окно двери и механизм перемещения стекол
Замки и ручки двери
Капот
Крыло переднее и подножка
Каркас оперения и облицовка радиатора
Облицовка заднего колеса
Бампер
Подвеска двигателя
Блок цилиндров
Головка блока цилиндров
Поршни и шатуны
Вал коленчатый и маховик
Вал распределительный
Клапаны и толкатели
Газопровод
Картер масляный
Маслоприемник
Насос масляный
Радиатор масляный
Вентиляция картера
Фильтр масляный
Бак топливный и пробка топливного бака
Трубопроводы топливные
Фильтр-отстойник грубой очистки топлива
Насос топливный
Карбюратор
Управление подачей топлива и воздушной заслонкой
Глушитель
Радиатор
Насос водяной
Вентилятор и его привод
Сцепление
Привод выключения сцепления
Коробка передач
Механизм переключения передач
Механизм обратного хода и управление механизмом обратного хода
Вал карданный ведущего моста
Вал карданный промежуточный
Мост ведущий в сборе погрузчика 4043М и его установка
Мост ведущий в сборе погрузчика 4045Р и его установка
Картер и кожухи полуосей ведущего моста погрузчика 4043М
Картер ведущего моста погрузчика 4045Р
Передача главная ведущего моста погрузчика 4043М
Передача главная ведущего моста погрузчика 4045Р
Дифференциал и полуоси ведущего моста погрузчика 4043М
Дифференциал и полуоси ведущего моста погрузчика 4045Р
Рама
Подвеска задняя
Тяги рулевые
Колеса
Ступицы передних колес
Управление рулевое в сборе
Управление рулевое
Гидроусилитель рулевого управления
Насосы гидроусилителя рулевого управления и грузоподъемника
Тормоза рабочие передние
Ступицы передних колес и тормоза рабочие передние
Педаль и привод тормоза
Цилиндр гидротормозов главный
Трубопроводы гидротормозов
Тормоз стояночный
Управление стояночным тормозом
Генератор
Батарея аккумуляторная
Фара поворотная
Фонарь задний
Замок зажигания
Катушка зажигания
Распределитель
Стартер
Сигнал звуковой
Схема электрооборудования
Лампы накаливания
Щиток приборов и приборы
Насос гидравлический грузоподъемника
Распределитель гидравлический
Цилиндр подъема грузоподъемника погрузчика 4043М
Цилиндр подъема грузоподъемника погрузчика 4045Р
Цилиндр наклона грузоподъемника
Бак масляный
Фильтр масляный
Гидропроводы погрузчика 4045Р
Гидропроводы погрузчика 4043М
Блок клапанов
Редуктор привода гидравлических насосов
Карданы привода гидравлических насосов
Грузоподъемник погрузчика 4043М
Грузоподъемник погрузчика 4045Р
Механизм подъема грузоподъемника погрузчика 4045Р
Механизм подъема грузоподъемника погрузчика 4043М
Каретка грузоподъемника и подхваты вилочные погрузчика 4043М
Каретка грузоподъемника и подхваты вилочные погрузчика 4045Р
Стрела безблочная
Ковш грузоподъемника
Инструмент шоферский
Автопогрузчик 4043М
Автопогрузчик 4045Р
Сальники, манжеты, ролики, шарики, иглы, шланги
Кольца, манжеты, грязесъемники
Болты
Гайки, винты, шпильки
Стекло, болты, шайбы, гайки
Шайбы, штифты, гвозди, шплинт-проволока
Шайбы, заклепки, пальцы, шплинты
Штуцера, сапуны, клапаны, масленки, пробки
Пробки, шпонки, заглушки, прокладки, муфты
Подшипники
Подшипники
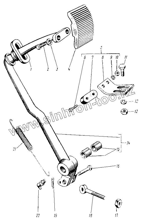
1
2
3
4
5
6
7
8
9
10
11
12
13
14
14
15
16
17
18
19
20
21
Позиция на иллюстрации
Заводской номер детали
Название детали
51-3505010-Z
51-3505010-Z
Цилиндр тормоза главный в сборе
1
695М-1602035
Муфта защитная
2
201456-П8
Болт М8х20
3
252135-П2
Шайба 8
4
51-3504042
Площадка педали
5
4045М-1602090
Опора в сборе
6
220105-П8
Винт
7
51-1602070
Буфер
8
4045М-1602091
Опора
9
252134-П8
Шайба 6
10
250508-П8
Гайка М6
11
201418-П8
Болт
12
252134-П8
Шайба 6
13
250508-П8
Гайка М6
14
4045-3504010
Педаль тормоза с втулками в сборе
14
51 -3504010-А2
Педаль тормоза с втулками в сборе
15
А-7508-В
Втулка
16
260059-П8
Палец 10х32
17
250615-П8
Гайка
18
51-3504035
Стержень соединительный
19
258039-П
Шплинт 3х20
20
204030-П8
Масленки
21
4045-3504002
Пружина оттяжная
Содержащиеся в справочниках-каталогах запасные части и детали не предлагаются к продаже, а носят исключительно информационный характер
Дополнительная информация
×
Название:
Номер:
Примечание: