Каталог запасных частей к технике: ЛЗА 4014. Цилиндр тормозов главный
51-3505010-2
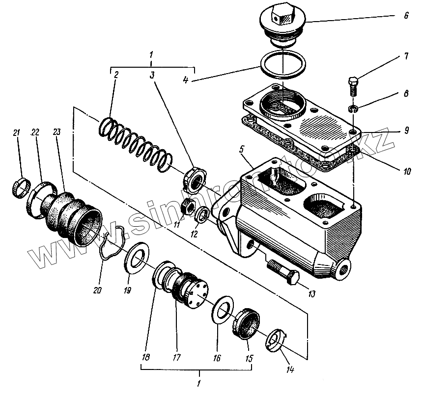
1
1
2
3
4
5
6
7
8
9
10
11
12
13
14
15
16
17
18
19
20
21
22
23
| Позиция на иллюстрации | Заводской номер детали | Название детали | |
|---|---|---|---|
| 51-3505010-2 | 51-3505010-2 | Цилиндр главный в сборе | |
| 1 | ВК21-3500105-А | Комплект ремонтный | |
| 2 | 51-3505031 | Пружина возвратная | |
| 3 | 51-3505020 | Клапан | |
| 4 | 51-3505058 | Прокладка | |
| 5 | 51-3505015 | Картер | |
| 6 | 51-3505075-А | Пробка | |
| 7 | 201418-П2 | Болт М6х16 | |
| 8 | 252134-П29 | Шайба 6 | |
| 9 | 51-3505006 | Крышка | |
| 10 | 51-3505007 | Прокладка | |
| 11 | 250512-П29 | Гайка М10 | |
| 12 | 252136-П29 | Шайба 10 | |
| 13 | 201501-П29 | Болт М10х35 | |
| 14 | 51-3505022 | Держатель | |
| 15 | 51-3505035 | Манжета уплотнительная внутренняя | |
| 16 | 293535-П8 | Шайба | |
| 17 | 12-3501051 | Манжета уплотнительная наружная | |
| 18 | 21-3505029 | Поршень | |
| 19 | 51-3505048 | Шайба упорная | |
| 20 | 51-3505038 | Кольцо стопорное | |
| 21 | 51-3505046 | Кольцо стяжное | |
| 22 | 51-3505047 | Кольцо стяжное | |
| 23 | 51-3505065 | Клапан защитный |
Содержащиеся в справочниках-каталогах запасные части и детали не предлагаются к продаже, а носят исключительно информационный характер