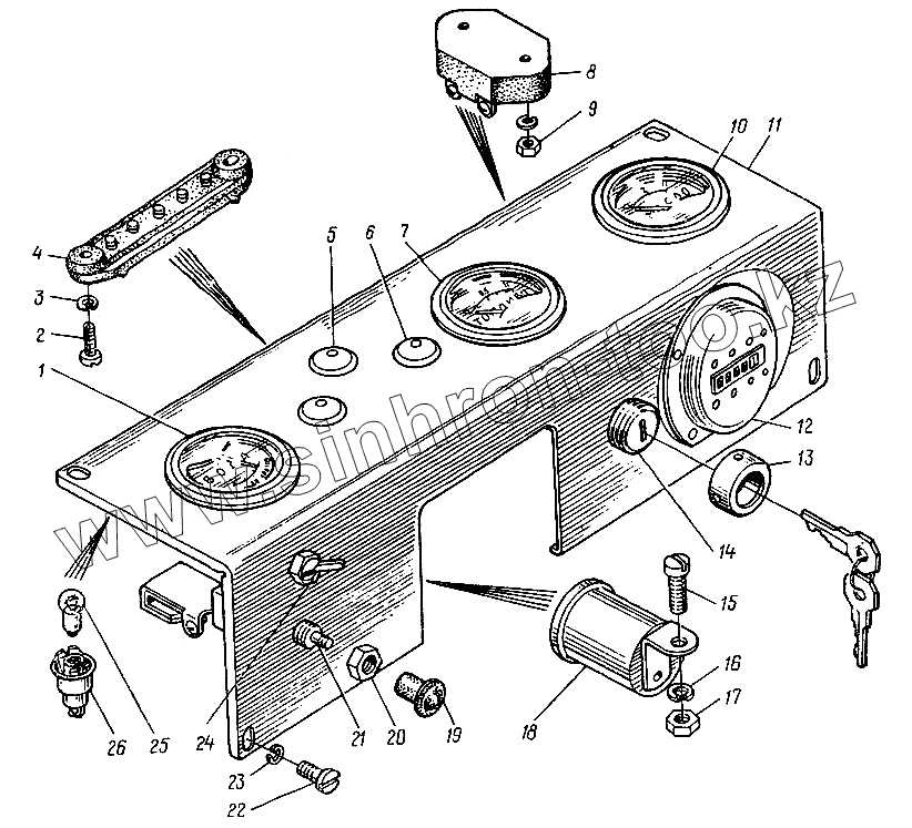
Каталог запасных частей к технике: ЛЗА 4014. Щиток приборов
4014-3805010
1
2
3
4
5
6
7
8
9
10
11
12
13
14
15
16
17
18
19
20
21
22
23
24
25
26
| Позиция на иллюстрации | Заводской номер детали | Название детали | |
|---|---|---|---|
| 4014-3805010 | 4014-3805010 | Щиток приборов | |
| 1 | УК200 | Указатель температуры воды | |
| 2 | 224600-П29 | Винт М5х16 | |
| 3 | 252133-П2 | Шайба 5 | |
| 4 | ПС5 | Панель соединительная | |
| 5 | ПД20-Д | Фонарь контрольной лампы | |
| 6 | ПД20-Е | Фонарь контрольной лампы | |
| 7 | УБ200 | Указатель уровня топлива | |
| 8 | ПР510 | Предохранитель | |
| 9 | 250763-П29 | Гайка М5 | |
| 10 | УК201 | Указатель давления масла | |
| 11 | 4014-3805014 | Панель | |
| 12 | 2374П | Счетчик моточасов | |
| 13 | 4014-3805056 | Гайка | |
| 14 | ВК330 | Выключатель зажигания | |
| 15 | 222585-П29 | Винт М8х22 | |
| 16 | 252135-П2 | Шайба 8 | |
| 17 | 250510-П29 | Гайка М8 | |
| 18 | РС57-В | Реле-прерыватель | |
| 19 | 51-3709051-Б | Ручка в сборе | |
| 20 | 250615-П13 | Гайка М12х1,25 | |
| 21 | П300 | Переключатель отопителя | |
| 22 | 224625-П29 | Винт М6х16 | |
| 23 | 252134-П2 | Шайба 6 | |
| 24 | ВК26-А2 | Включатель | |
| 25 | А22 | Лампа освещения приборов | |
| 26 | ПП1-200 | Патрон лампы |
Содержащиеся в справочниках-каталогах запасные части и детали не предлагаются к продаже, а носят исключительно информационный характер