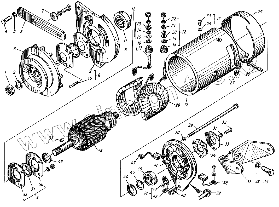
Каталог запасных частей к технике: ЛЗА 4014. Генератор
Г108-Г
1
2
3
4
5
6
7
8
8
8
9
10
11
12
12
12
12
13
14
15
16
17
18
19
20
21
22
23
24
25
26
27
28
29
30
31
32
33
34
35
36
37
38
39
40
41
41
42
43
44
45
46
47
48
49
50
51
52
53
| Позиция на иллюстрации | Заводской номер детали | Название детали | |
|---|---|---|---|
| Г108-Г | Г108-Г | Генератор | |
| 1 | МХ-0235 | Гайка | |
| 2 | МХ-0234 | Шайба пружинная | |
| 3 | П08-3701051 | Шкив | |
| 4 | 201457-П8 | Болт М8х22 | |
| 5 | 252135-П2 | Шайба 8 | |
| 6 | 51А-3701035 | Планка установочная | |
| 7 | 252038-П8 | Шайба 8 | |
| 8 | Г108-3701400-Г | Крышка со стороны привода в сборе | |
| 9 | Г108-3701401-Г | Крышка со стороны привода | |
| 10 | 7Х-4066 | Винт | |
| 11 | 353 | Подшипник шариковый | |
| 12 | Г108-3701100-В | Корпус в сборе | |
| 13 | 8Х-1533-М | Гайка вывода "Я" | |
| 14 | МП-40076 | Шайба вывода "Я" пружинная | |
| 15 | НО-1067 | Шайба вывода "Я" | |
| 16 | Г2-3701128-Б | Шайба вывода "Я" изоляционная | |
| 17 | Г12-370П80 | Вывод в сборе | |
| 18 | Г210-3701105 | Втулка изоляционная | |
| 19 | МХ-1046 | Шайба вывода "Ш" изоляционная | |
| 20 | МХ-0834 | Шайба вывода "Ш" | |
| 21 | М11-90118-01 | Гайка | |
| 22 | М11-41081 | Шайба вывода "Ш" пружинная | |
| 23 | 7Х-1598 | Винт | |
| 24 | Х-4001 | Шайба пружинная | |
| 25 | Г12-3701041-Б | Лента защитная | |
| 26 | ХI-9383 | Винт | |
| 27 | 8Х-1531-М | Гайка | |
| 28 | Г108-3701110 | Катушка в сборе | |
| 29 | Г108-3701080 | Шпилька стяжная | |
| 30 | Х-1482 | Шайба пружинная | |
| 31 | Х-1012 | Шайба пружинная | |
| 32 | 8Х-1541 | Винт | |
| 33 | Г12-3701002 | Крышка подшипника | |
| 34 | Г12-3701003 | Прокладка | |
| 35 | 201497-П8 | Болт М10х25 | |
| 36 | 252136-П2 | Шайба 10 | |
| 37 | 51А-3701030 | Кронштейн генератора | |
| 38 | Г29-3701020 | Щетка изолированная в сборе | |
| 39 | 290627-П8 | Болт М8х1х30 | |
| 40 | 250511-П8 | Гайка М8х1 | |
| 41 | Г108-Г-3701300-М | Крышка со стороны коллектора в сборе | |
| 42 | Г12-3701304 | Пружина | |
| 43 | Г210-3701305 | Рычаг щеткодержателя | |
| 44 | Г253-3701005 | Шайба | |
| 45 | Г253-3701004 | Прокладка | |
| 46 | 60202 | Подшипник шариковый | |
| 47 | Г29-3701045 | Щетка неизолированная в сборе | |
| 48 | П08-В-3701200-М | Якорь в сборе | |
| 49 | Г29-3701005 | Чашка опорная | |
| 50 | Г108-3701402-В | Держатель сальника | |
| 51 | Г12-3701404 | Сальник | |
| 52 | П08-3701403-В | Держатель сальника | |
| 53 | Б-16 | Шпонка сегментная |
Содержащиеся в справочниках-каталогах запасные части и детали не предлагаются к продаже, а носят исключительно информационный характер