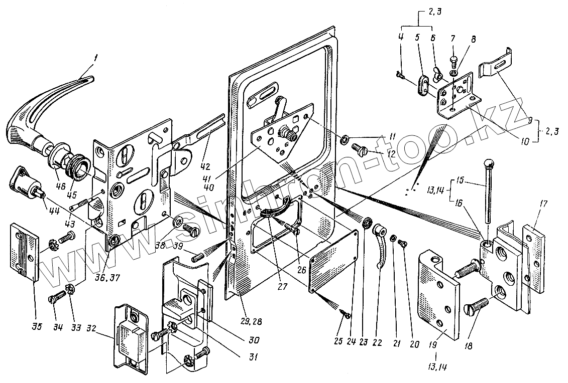
Каталог запасных частей к технике: ЛЗА 4014. Дверь
4014-6100010
4014-6100011
1
2
2
3
3
4
5
6
7
8
9
10
10
11
12
13
13
14
14
15
16
17
18
19
20
21
22
23
24
25
26
27
28
29
30
31
32
33
34
35
36
37
38
39
40
41
42
43
44
45
46
| Позиция на иллюстрации | Заводской номер детали | Название детали | |
|---|---|---|---|
| 4014-6100010 | 4014-6100010 | Дверь правая в сборе | |
| 4014-6100011 | 4014-6100011 | Дверь левая в сборе | |
| 1 | 4014-6105010 | Ручка двери в сборе | |
| 2 | 4014-6106006 | Фиксатор двери правый в сборе | |
| 3 | 4014-6106007 | Фиксатор двери левый в сборе | |
| 4 | 221577-П29 | Винт М5х10 | |
| 5 | 51-1602070 | Буфер | |
| 6 | 251513-П29 | Барашек М8 | |
| 7 | 201454-П29 | Болт М8х16 | |
| 8 | 252135-П29С | Шайба 8 | |
| 9 | 4014-6106030 | Прижим | |
| 10 | 4014-6106013 | Кронштейн фиксатора двери левый | |
| 10 | 4014-6106012 | Кронштейн фиксатора двери правый | |
| 11 | 252134-П2 | Шайба 6 | |
| 12 | 224624-П29 | Винт М6х14 | |
| 13 | 4014-6106010 | Петля правая в сборе | |
| 14 | 4014-6106011 | Петля левая в сборе | |
| 15 | 4014-6106018 | Ось | |
| 16 | 4014-6106015 | Створка | |
| 17 | 4014-6101035 | Пластина | |
| 18 | 221666-П29 | Винт М8х25 | |
| 19 | 4014-6106016 | Створка | |
| 20 | 224600-П29 | Винт М5х16 | |
| 21 | 252133-П2 | Шайба 5 | |
| 22 | 81-6105182-А | Ручка внутренняя | |
| 23 | 81-6105184 | Прокладка | |
| 24 | 4014-6100015 | Крышка | |
| 25 | 240639-П29 | Винт М5х22 | |
| 26 | 221611-П29 | Винт М6х30 | |
| 27 | 4014-6105018 | Ручка | |
| 28 | 4014-6101010 | Дверь правая | |
| 29 | 4014-6101011 | Дверь левая | |
| 30 | 4045М-6106116 | Планка | |
| 31 | М-702550-А | Шип | |
| 32 | М-46412 | Гнездо шипа в сборе | |
| 33 | 252263-П8 | Шайба 6 | |
| 34 | 223064-П29 | Винт М6х14 | |
| 35 | 4014-6105017 | Упор замка | |
| 36 | 81-6105012 | Замок правый в сборе | |
| 37 | 81-6105013 | Замок левый в сборе | |
| 38 | 252004-П8 | Шайба 6 | |
| 39 | 242471-П29 | Винт М5х12 | |
| 40 | 81-6105082 | Привод замка правый в сборе | |
| 41 | 81-6105083 | Привод замка левый в сборе | |
| 42 | 4014-6105016 | Тяга привода | |
| 43 | 81-6105178 | Шпилька | |
| 44 | 4014-6105011 | Выключатель замка в сборе | |
| 45 | 81-6105172 | Кольцо втулки | |
| 46 | 81-6105168 | Втулка ручки |
Содержащиеся в справочниках-каталогах запасные части и детали не предлагаются к продаже, а носят исключительно информационный характер