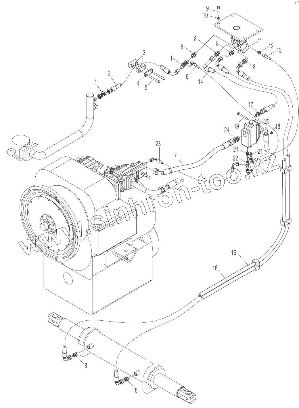
Каталог запасных частей к технике: Lonking (LongGong) LG-160DT. Steering pipe system
1
1
2
3
4
5
6
7
8
8
8
8
8
8
9
10
11
12
13
14
15
16
17
18
19
20
21
21
22
23
24
| Позиция на иллюстрации | Заводской номер детали | Название детали | |
|---|---|---|---|
| 1 | 17601000902 | Adapter | |
| 2 | 17272001873 | Hose | |
| 3 | 60911010473 | Clip | |
| 4 | 30012107901 | Cover plate | |
| 5 | 51203101914 | Bolt M10x65 | |
| 6 | 17272006534 | Hose, high pressure | |
| 7 | 17272001913 | Hose, high pressure | |
| 8 | 17601000233 | Adapter | |
| 9 | 51204101214 | Bolt | |
| 10 | 51401100107 | Spring lock washer | |
| 11 | 60305000010 | Redirector | |
| 12 | 17601000202 | Transition connector | |
| 13 | 17272001850 | Hose, high pressure | |
| 14 | 17272001874 | Hose, high pressure | |
| 15 | 17272001938 | Hose, high pressure | |
| 16 | 17272002600 | Hose, high pressure | |
| 17 | 17601000040 | Transition connector | |
| 18 | 51307000919 | Nut | |
| 19 | 51203092314 | Bolt M8x90 | |
| 20 | 60304100013 | Priority valve | |
| 21 | 17601000202 | Transition connector | |
| 22 | 17601000898 | Adapter | |
| 23 | 17272001931 | Hose, high pressure | |
| 24 | 17601000263 | Transition connector |
Содержащиеся в справочниках-каталогах запасные части и детали не предлагаются к продаже, а носят исключительно информационный характер