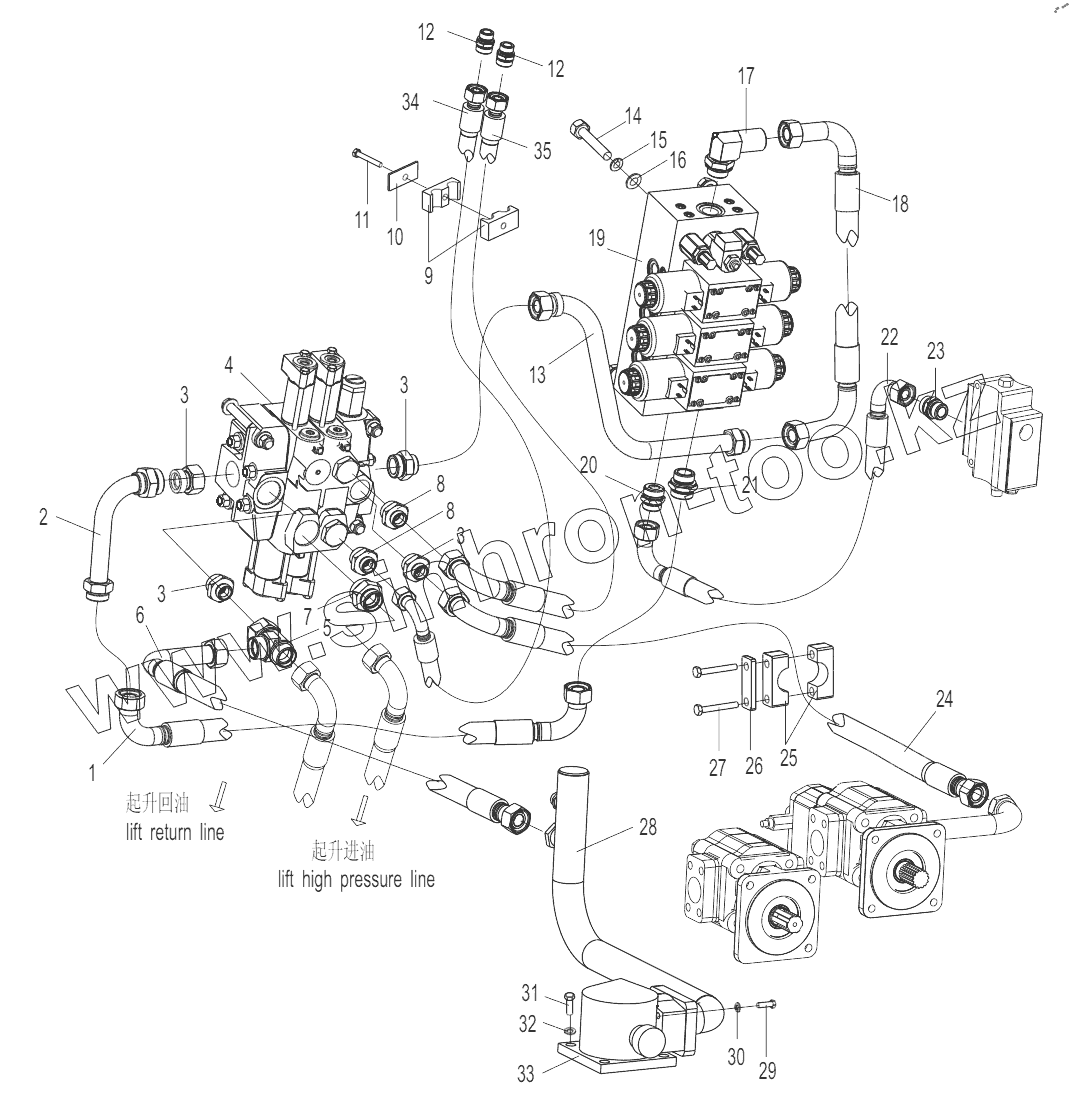
Каталог запасных частей к технике: Lonking (LongGong) LG-160DT. Multi-way valve pipe system
1
2
3
3
3
3
4
5
6
7
8
8
9
10
11
12
12
13
14
15
16
17
18
19
20
21
22
23
24
25
26
27
28
29
30
31
32
33
34
35
| Позиция на иллюстрации | Заводской номер детали | Название детали | |
|---|---|---|---|
| 1 | 17272001948 | Hose, high pressure | |
| 2 | 30012013032 | Tube weldment | |
| 3 | 17601000375 | Adapter | |
| 4 | 60304100019 | Multi-way Valve | |
| 5 | 17601000907 | Adapter | |
| 6 | 17272001914 | Hose, high pressure | |
| 7 | 17601000371 | Adapter | |
| 8 | 17601000368 | Adapter | |
| 9 | 60911010479 | Clip | |
| 10 | 30012107903 | Cover plate | |
| 11 | 51203091814 | Bolt M8x60 | |
| 12 | 17601000251 | Adapter | |
| 13 | 30012013033 | Tube weldment | |
| 14 | 51204133314 | Bolt M16x50 | |
| 15 | 51401130107 | Spring lock washer | |
| 16 | 51421130115 | Washer | |
| 17 | 17601000313 | Adapter | |
| 18 | 17272001966 | Hose, high pressure | |
| 19 | 60304100015 | Electric valve | |
| 20 | 17601000268 | Adapter | |
| 21 | 17601000272 | Adapter | |
| 22 | 17272001942 | Hose, high pressure | |
| 23 | 17601000263 | Transition connector | |
| 24 | 17272001923 | Hose, high pressure | |
| 25 | 60911010471 | Clip | |
| 26 | 30012107900 | Cover plate | |
| 27 | 51202102114 | Bolt M10x75 | |
| 28 | 30012013306 | Tube weldment | |
| 29 | 51204101314 | Bolt | |
| 30 | 51401100107 | Spring lock washer | |
| 31 | 51204111214 | Bolt | |
| 32 | 51401110107 | Spring lock washer | |
| 33 | 30012023300 | Return line filter | |
| 34 | 17272001898 | Hose, high pressure | |
| 35 | 17272001897 | Hose, high pressure |
Содержащиеся в справочниках-каталогах запасные части и детали не предлагаются к продаже, а носят исключительно информационный характер