Вернуться на главную
Поиск
Каталоги запчастей к технике
Спецтехника
Lonking (LongGong)
LG833NG
FUEL TANK ASSEMBLY (30888900040)
Каталог запасных частей к технике: Lonking (LongGong) LG833NG. FUEL TANK ASSEMBLY (30888900040)
zoom-in
zoom-out
enlarge
shrink
circle-right
circle-left
file-text2
info
cart
Тип техники
Не выбрано
Легковые автомобили
Грузовые автомобили и прицепы
Автобусы
Сельхозтехника
Спецтехника
Двигатели
Мототехника
Марка
Не выбрано
Ammann
BOMAG
CARMIX
CASE IH
Changlin
ChengGong
Dimex
Doosan
DYNAPAC
Foton
HAMM
Hidromek
Hitachi
Hyundai
JCB
JLG
John Deere
Komatsu
LIEBHERR
LiuGong
Lonking (LongGong)
Luneng
MANITOU
Mitsuber
New Holland
PENGPU
RM-Terex
SANY
SDLG
SEM
Shantui
Shehwa HBXG
Soosan
TIGARBO
VOGELE
Volvo
WAY
WIRTGEN
XCMG
XGMA
Xiamen
YTO
Yuchai
Zoomlion
Автокран
АЗСМ
Алтайлесмаш
Амкодор
АОМЗ
Атек
АТЗ
Балканкар Рекорд
БелАЗ
Беловеж
Борекс
Брянский Арсенал
Булат
ВЭКС
ГАЗ
Геомаш
Гидромаш
Донекс
Дормаш
Дормашина
Дорэлектромаш
ДЭЗ
ЕлАЗ
ЗЗГТ
Ижнефтемаш
Канаш-электрокар
КЗКТ
ККЗ
Клевер
Клинцовский автокрановый завод
КМЗ
КМЗ 1 Мая
Ковровец
Коммаш
Кранэкс
КЭЗ
КЭМЗ
ЛЗА
МАЗ
МЗИК
МЗКМ
МЗКТ
Михневский РМЗ
МоАЗ
Мозырский МЗ
МТЗ
ОЗП
Онежец
ПАО "ТЗА"
ППС Детва
Промтрактор
ПТЗ
Раскат
СпецАгрегат
ТВЭКС
ТТМ
УВЗ
Угличмаш
УЗТМ
ХТЗ
ЧЗКМ
ЧСДМ
ЧТЗ
ЭКСКО
ЭКСМАШ
ЮрМаш
Модель
Не выбрано
CDM-1165 (2009)
CDM-1185 (2009)
CDM-1220 (2009)
CDM-307 (2013)
CDM-308 (2013)
CDM-312 (2013)
CDM-512D (2014)
CDM-514D (2014)
CDM-520A (K) (2010)
CDM-6065 (2013)
CDM-6150 (2012)
CDM-6240 (2015)
CDM-6365H (2012)
CDM-6485H (2013)
CDM-816
CDM-816 (2010)
CDM-816 (2011)
CDM-816-D (2018)
CDM-833
CDM-833
CDM-833.00 (2010)
CDM-833H
CDM-835E VI.00 (2015)
CDM-835E VII.00I (2015)
CDM-835E VIII.00I (2015)
CDM-843
CDM-853.00 (2010)
CDM-853N.00I (2017)
CDM-855E
CDM-855E (2009)
CDM-855EG
CDM-855EK
CDM-855EM
CDM-856
CDM-856D (2010)
CDM-860.00 (2010)
CMD-835E (2009)
CMD-835E.01I (2010)
LG-160DT (2012)
LG-833NIV.00I (2017)
LG20, LG25, LG30, LG35 (2013)
LG50-60-70 (2014)
LG50CVII.00I (2015)
LG833NG (2015)
ZL50NC (2015)
Схема
>
Не выбрано
DIESEL ENGINE SYSTEM (30801900161)
THROTTLE CONTROL ASSEMBLY (30801000313)
TORQUE CONVERTER SYSTEM (30802900090)
UPPER DRIVE SHAFT ASSEMBLY (17405000005)
TRANSMISSION SYSTEM (30803900073)
AXLE SYSTEM (30804900008)
FRONT DRIVE SHAFT ASSEMBLY (17401000020)
MIDDLE SUPPORT (17402000010)
MIDDLE /REAR DRIVE SHAFT ASSEMBLY (17409000004)
CONTROL SYSTEM (30805900095)
SHIFT CONTROL ASSEMBIY (30805000185)
TRANSMISSION CONTROL PANEL ASSEMBLY (30805000040)
WORKING PUMP CONTROL ASSEMBIY (30805000186)
PIPELINE ASSEMBLY OF STEERING GEAR AND CYLINDER (30806000208)
PRIORITY VALVE INSTALLATION ASSEMBLY (30806000062)
GEAR PUMP INSTALLATION ASSEMBLY (30806000207)
HYDRAULIC STEERING GEAR ASSEMBLY (30806000209)
TILT CYLINDER PIPELINE INSTALLATION ASSEMBLY (30807000524)
MULTIPLE UNIT VALVE PIPELINE INSTALLATION ASSEMBLY (30807000584)
LIFT CYLINDER PIPELINE INSTALLATION ASSEMBLY (30807000129)
THIRD PIPELINE ASSEMBLY (30807000585)
THIRD PIPELINE ASSEMBLY (30807000586)
AIR TANK INSTALLMENT ASSEMBLY (30808000290)
BRAKE VALVE PIPELINE INSTALLMENT ASSEMBLY (30808000260)
FRONT BOOSTER PUMP INSTALLMENT ASSEMBLY (30808000258)
REAR BOOSTER PUMP PIPELINE INSTALLMENT ASSEMBLY(30808000261)
AIR TANK PIPELINE INSTALLMENT ASSEMBLY (30808000262)
EMERGENCY AND PARKING BRAKE SYSTEM (30809900053)
FRAME ASSEMBLY (30810900346)
IMPLEMENT SYSTEM (30811900258)
BUCKET ASSEMBLY (30871900093)
CAB SYSTEM (30812900217)
CAB SYSTEM (30812900217)
CAB SYSTEM (30812000609)
CAB SYSTEM (30812000609)
OUT PANEL SYSTEM (30813900203)
HYDRAULIC TANK ASSEMBLY (30889900054)
FUEL TANK ASSEMBLY (30888900037)
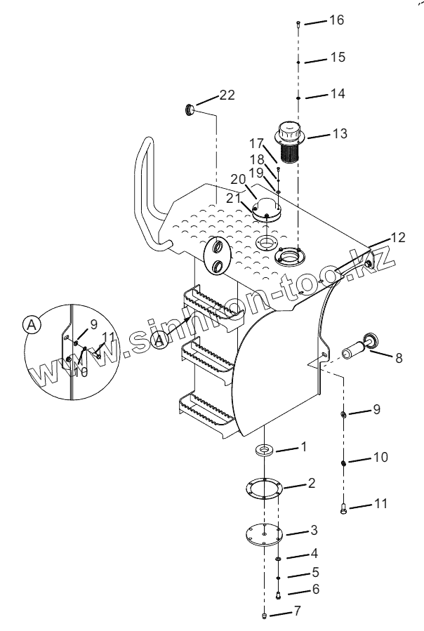
FUEL TANK ASSEMBLY (30888900040)
COUNTER WEIGHT ASSEMBLY (30887000269)
HOOD ASSEMBLY (30886900063)
ELECTRIAL SYSTEM (30815900229)
ELECTRIAL WIRING OF CAB (30815900229)
ELECTRIAL WIRING OF CAB (30815900229)
ELECTRIAL WIRING OF FRAME (30815900229)
ELECTRIAL WIRING OF ENGINE (3300881155990000222299)
ELECTRIAL WIRING OF OIL TANK (30815900229)
ELECTRIAL WIRING OF COUNTER WEIGHT (30815900229)
ELECTRIAL WIRING OF TRANSMISSION (30815900229)
ELECTRIAL WIRING OF TORQUE CONVERTER (30815900229)
ELECTRIAL WIRING OF SCRUBBER (30815900229)
FRONT WIPER ASSEMBLY (60400000569)
REAR WIPER ASSEMBLY (60400000572)
STAND-ALONE IP ASSEMBLY (60400000998)
STAND-ALONE IP ASSEMBLY (60400000998)
STAND-ALONE IP ASSEMBLY (60400000999)
STAND-ALONE IP ASSEMBLY (60400000999)
AIR CONDITION ASSEMBLY (60400000790)
EVAPORATOR ASSEMBLY (60900003002)
CONDENSER ASSEMBLY (60900003005)
FUSE BOX (60400000576)
TOOL KIT
GREASING POINTS INDICATION LAYOUT
LIST OF VULNERABLE PARTS OF THE ENGINE
LEFT STEERING CYLINDER (16608029010)
RIGHT STEERING CYLINDER (16608029120)
TILT CYLINDER (16608064550)
LIFT CYLINDER (16608062010)
TRANSMISSION ASSEMBLY (ZL30E.5GA)
SHAFT I ASSEMBLY (ZL30E.5.1S)
SHAFT II ASSEMBLY (ZL30E.5.3S)
SHAFT III ASSEMBLY (ZL30E.5.4S)
FILTER ASSEMBLY (ZL30E.5.7)
CONTROL VALVE (ZL30E.5G.21)
OIL TUBE ASSEMBLY (ZL30E.5.13)
PISTON DEVICE (ZL30E.5.1.1)
FRONT AXLE ASSEMBLY (16480300080)
FRONT MAIN REDUCTOR ASSEMBLY (36403000082)
FRONT MAIN REDUCTOR ASSEMBLY (36403000082)
WHEEL REDUCTOR ASSEMBL (36402000031)
WHEEL REDUCTOR ASSEMBL (36402000031)
DIFFERENTIAL ASSEMBLY (36403000087)
FRONT AXLE HOUSING WELDING (36401000020)
FLANGE WELDING (36403000002)
REAR AXLE ASSEMBLY (16480305060)
REAR MAIN REDUCER ASSEMBLY (36403000086)
REAR MAIN REDUCER ASSEMBLY (36403000086)
WHEEL REDUCTOR ASSEMBLY (36402000031)
WHEEL REDUCTOR ASSEMBLY (36402000031)
DIFFERENTIAL ASSEMBLY (36403000087)
REAR AXLE HOUSING WELDING (36401000021)
FLANGE WELDING (36403000002)
HYDRAULIC SCHEMATIC DIAGRAM
ELECTRICAL SCHEMATIC
1
2
3
4
5
6
7
8
9
9
10
10
11
11
12
13
14
15
16
17
18
19
20
21
22
Позиция на иллюстрации
Заводской номер детали
Название детали
1
60980000189
Magnet Ф80xФ40x12
2
60922010032
Shim
3
30888000071
Oil drain cover welding
4
51421100115
Plain washer
5
51401100107
Spring lock washer
6
51204101214
Bolt
7
30813100211
Stopper
8
60308000027
Oil suction oil filer assembly
9
51421130115
Washer
10
51401130107
Spring lock washer
11
51204132514
Bolt
12
30888000134
Fuel tank body welding
13
60308000028
Air filter
14
51421090115
Washer
15
51401090107
Washer
16
51204091014
Bolt
17
51158190504
Screw
18
51401080107
Spring lock washer
19
51420080119
Washer 6
20
30888100332
Mounting plate of guard
21
30888102443
Cover of Oil level indicator
22
60307010012
Circular oil leveler
Содержащиеся в справочниках-каталогах запасные части и детали не предлагаются к продаже, а носят исключительно информационный характер
Дополнительная информация
×
Название:
Номер:
Примечание: