Вернуться на главную
Поиск
Каталоги запчастей к технике
Спецтехника
Lonking (LongGong)
LG833NG
ELECTRIAL WIRING OF CAB (30815900229)
Каталог запасных частей к технике: Lonking (LongGong) LG833NG. ELECTRIAL WIRING OF CAB (30815900229)
zoom-in
zoom-out
enlarge
shrink
circle-right
circle-left
file-text2
info
cart
Тип техники
Не выбрано
Легковые автомобили
Грузовые автомобили и прицепы
Автобусы
Сельхозтехника
Спецтехника
Двигатели
Мототехника
Марка
Не выбрано
Ammann
BOMAG
CARMIX
CASE IH
Changlin
ChengGong
Dimex
Doosan
DYNAPAC
Foton
HAMM
Hidromek
Hitachi
Hyundai
JCB
JLG
John Deere
Komatsu
LIEBHERR
LiuGong
Lonking (LongGong)
Luneng
MANITOU
Mitsuber
New Holland
PENGPU
RM-Terex
SANY
SDLG
SEM
Shantui
Shehwa HBXG
Soosan
TIGARBO
VOGELE
Volvo
WAY
WIRTGEN
XCMG
XGMA
Xiamen
YTO
Yuchai
Zoomlion
Автокран
АЗСМ
Алтайлесмаш
Амкодор
АОМЗ
Атек
АТЗ
Балканкар Рекорд
БелАЗ
Беловеж
Борекс
Брянский Арсенал
Булат
ВЭКС
ГАЗ
Геомаш
Гидромаш
Донекс
Дормаш
Дормашина
Дорэлектромаш
ДЭЗ
ЕлАЗ
ЗЗГТ
Ижнефтемаш
Канаш-электрокар
КЗКТ
ККЗ
Клевер
Клинцовский автокрановый завод
КМЗ
КМЗ 1 Мая
Ковровец
Коммаш
Кранэкс
КЭЗ
КЭМЗ
ЛЗА
МАЗ
МЗИК
МЗКМ
МЗКТ
Михневский РМЗ
МоАЗ
Мозырский МЗ
МТЗ
ОЗП
Онежец
ПАО "ТЗА"
ППС Детва
Промтрактор
ПТЗ
Раскат
СпецАгрегат
ТВЭКС
ТТМ
УВЗ
Угличмаш
УЗТМ
ХТЗ
ЧЗКМ
ЧСДМ
ЧТЗ
ЭКСКО
ЭКСМАШ
ЮрМаш
Модель
Не выбрано
CDM-1165 (2009)
CDM-1185 (2009)
CDM-1220 (2009)
CDM-307 (2013)
CDM-308 (2013)
CDM-312 (2013)
CDM-512D (2014)
CDM-514D (2014)
CDM-520A (K) (2010)
CDM-6065 (2013)
CDM-6150 (2012)
CDM-6240 (2015)
CDM-6365H (2012)
CDM-6485H (2013)
CDM-816
CDM-816 (2010)
CDM-816 (2011)
CDM-816-D (2018)
CDM-833
CDM-833
CDM-833.00 (2010)
CDM-833H
CDM-835E VI.00 (2015)
CDM-835E VII.00I (2015)
CDM-835E VIII.00I (2015)
CDM-843
CDM-853.00 (2010)
CDM-853N.00I (2017)
CDM-855E
CDM-855E (2009)
CDM-855EG
CDM-855EK
CDM-855EM
CDM-856
CDM-856D (2010)
CDM-860.00 (2010)
CMD-835E (2009)
CMD-835E.01I (2010)
LG-160DT (2012)
LG-833NIV.00I (2017)
LG20, LG25, LG30, LG35 (2013)
LG50-60-70 (2014)
LG50CVII.00I (2015)
LG833NG (2015)
ZL50NC (2015)
Схема
>
Не выбрано
DIESEL ENGINE SYSTEM (30801900161)
THROTTLE CONTROL ASSEMBLY (30801000313)
TORQUE CONVERTER SYSTEM (30802900090)
UPPER DRIVE SHAFT ASSEMBLY (17405000005)
TRANSMISSION SYSTEM (30803900073)
AXLE SYSTEM (30804900008)
FRONT DRIVE SHAFT ASSEMBLY (17401000020)
MIDDLE SUPPORT (17402000010)
MIDDLE /REAR DRIVE SHAFT ASSEMBLY (17409000004)
CONTROL SYSTEM (30805900095)
SHIFT CONTROL ASSEMBIY (30805000185)
TRANSMISSION CONTROL PANEL ASSEMBLY (30805000040)
WORKING PUMP CONTROL ASSEMBIY (30805000186)
PIPELINE ASSEMBLY OF STEERING GEAR AND CYLINDER (30806000208)
PRIORITY VALVE INSTALLATION ASSEMBLY (30806000062)
GEAR PUMP INSTALLATION ASSEMBLY (30806000207)
HYDRAULIC STEERING GEAR ASSEMBLY (30806000209)
TILT CYLINDER PIPELINE INSTALLATION ASSEMBLY (30807000524)
MULTIPLE UNIT VALVE PIPELINE INSTALLATION ASSEMBLY (30807000584)
LIFT CYLINDER PIPELINE INSTALLATION ASSEMBLY (30807000129)
THIRD PIPELINE ASSEMBLY (30807000585)
THIRD PIPELINE ASSEMBLY (30807000586)
AIR TANK INSTALLMENT ASSEMBLY (30808000290)
BRAKE VALVE PIPELINE INSTALLMENT ASSEMBLY (30808000260)
FRONT BOOSTER PUMP INSTALLMENT ASSEMBLY (30808000258)
REAR BOOSTER PUMP PIPELINE INSTALLMENT ASSEMBLY(30808000261)
AIR TANK PIPELINE INSTALLMENT ASSEMBLY (30808000262)
EMERGENCY AND PARKING BRAKE SYSTEM (30809900053)
FRAME ASSEMBLY (30810900346)
IMPLEMENT SYSTEM (30811900258)
BUCKET ASSEMBLY (30871900093)
CAB SYSTEM (30812900217)
CAB SYSTEM (30812900217)
CAB SYSTEM (30812000609)
CAB SYSTEM (30812000609)
OUT PANEL SYSTEM (30813900203)
HYDRAULIC TANK ASSEMBLY (30889900054)
FUEL TANK ASSEMBLY (30888900037)
FUEL TANK ASSEMBLY (30888900040)
COUNTER WEIGHT ASSEMBLY (30887000269)
HOOD ASSEMBLY (30886900063)
ELECTRIAL SYSTEM (30815900229)
ELECTRIAL WIRING OF CAB (30815900229)
ELECTRIAL WIRING OF CAB (30815900229)
ELECTRIAL WIRING OF FRAME (30815900229)
ELECTRIAL WIRING OF ENGINE (3300881155990000222299)
ELECTRIAL WIRING OF OIL TANK (30815900229)
ELECTRIAL WIRING OF COUNTER WEIGHT (30815900229)
ELECTRIAL WIRING OF TRANSMISSION (30815900229)
ELECTRIAL WIRING OF TORQUE CONVERTER (30815900229)
ELECTRIAL WIRING OF SCRUBBER (30815900229)
FRONT WIPER ASSEMBLY (60400000569)
REAR WIPER ASSEMBLY (60400000572)
STAND-ALONE IP ASSEMBLY (60400000998)
STAND-ALONE IP ASSEMBLY (60400000998)
STAND-ALONE IP ASSEMBLY (60400000999)
STAND-ALONE IP ASSEMBLY (60400000999)
AIR CONDITION ASSEMBLY (60400000790)
EVAPORATOR ASSEMBLY (60900003002)
CONDENSER ASSEMBLY (60900003005)
FUSE BOX (60400000576)
TOOL KIT
GREASING POINTS INDICATION LAYOUT
LIST OF VULNERABLE PARTS OF THE ENGINE
LEFT STEERING CYLINDER (16608029010)
RIGHT STEERING CYLINDER (16608029120)
TILT CYLINDER (16608064550)
LIFT CYLINDER (16608062010)
TRANSMISSION ASSEMBLY (ZL30E.5GA)
SHAFT I ASSEMBLY (ZL30E.5.1S)
SHAFT II ASSEMBLY (ZL30E.5.3S)
SHAFT III ASSEMBLY (ZL30E.5.4S)
FILTER ASSEMBLY (ZL30E.5.7)
CONTROL VALVE (ZL30E.5G.21)
OIL TUBE ASSEMBLY (ZL30E.5.13)
PISTON DEVICE (ZL30E.5.1.1)
FRONT AXLE ASSEMBLY (16480300080)
FRONT MAIN REDUCTOR ASSEMBLY (36403000082)
FRONT MAIN REDUCTOR ASSEMBLY (36403000082)
WHEEL REDUCTOR ASSEMBL (36402000031)
WHEEL REDUCTOR ASSEMBL (36402000031)
DIFFERENTIAL ASSEMBLY (36403000087)
FRONT AXLE HOUSING WELDING (36401000020)
FLANGE WELDING (36403000002)
REAR AXLE ASSEMBLY (16480305060)
REAR MAIN REDUCER ASSEMBLY (36403000086)
REAR MAIN REDUCER ASSEMBLY (36403000086)
WHEEL REDUCTOR ASSEMBLY (36402000031)
WHEEL REDUCTOR ASSEMBLY (36402000031)
DIFFERENTIAL ASSEMBLY (36403000087)
REAR AXLE HOUSING WELDING (36401000021)
FLANGE WELDING (36403000002)
HYDRAULIC SCHEMATIC DIAGRAM
ELECTRICAL SCHEMATIC
19
20
21
22
23
24
25
26
27
28
29
30
Позиция на иллюстрации
Заводской номер детали
Название детали
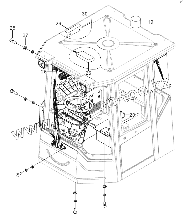
1
60404011580
Headlamp
2
51204091014
Bolt
3
51421090115
Washer
4
51401090107
Washer
5
30815000256
Installation assembly of fan heater
6
60400000790
A/C assembly
7
51204091114
Bolt
8
51421110115
Plain washer
9
51401110107
Spring lock washer
10
51204111214
Bolt
11
51420080121
Plain washer
12
51401080107
Spring lock washer
13
51204080814
Bolt
14
60400000569
Front windscreen wiper assembly
15
60400000998
Stand-alone IP assembly
16
60400000999
Stand-alone IP assembly
17
60400000576
Fuse box assembly
18
60400000572
Rear windscreen wiper assembly
19
60400000553
Warning lamp
20
60400000792
Control console harness
21
60400000551
Rocker switch
22
60400000736
Warning lamp switch
23
60400000737
Wiper switch
24
60400000670
12V charging rack
25
60402050240
Ceiling lamp
26
60401050021
Electric fan
27
51421080115
Plain washer
28
51158190704
Screw M6x25
29
60400000727
MP3 Player
30
60400000546
Cab harness
Содержащиеся в справочниках-каталогах запасные части и детали не предлагаются к продаже, а носят исключительно информационный характер
Дополнительная информация
×
Название:
Номер:
Примечание: