Вернуться на главную
Поиск
Каталоги запчастей к технике
Спецтехника
Lonking (LongGong)
LG50-60-70
Frame 50DTKE, 60DTKE, 70DTKE
Каталог запасных частей к технике: Lonking (LongGong) LG50-60-70. Frame 50DTKE, 60DTKE, 70DTKE
zoom-in
zoom-out
enlarge
shrink
circle-right
circle-left
file-text2
info
cart
Тип техники
Не выбрано
Легковые автомобили
Грузовые автомобили и прицепы
Автобусы
Сельхозтехника
Спецтехника
Двигатели
Мототехника
Марка
Не выбрано
Ammann
BOMAG
CARMIX
CASE IH
Changlin
ChengGong
Dimex
Doosan
DYNAPAC
Foton
HAMM
Hidromek
Hitachi
Hyundai
JCB
JLG
John Deere
Komatsu
LIEBHERR
LiuGong
Lonking (LongGong)
Luneng
MANITOU
Mitsuber
New Holland
PENGPU
RM-Terex
SANY
SDLG
SEM
Shantui
Shehwa HBXG
Soosan
TIGARBO
VOGELE
Volvo
WAY
WIRTGEN
XCMG
XGMA
Xiamen
YTO
Yuchai
Zoomlion
Автокран
АЗСМ
Алтайлесмаш
Амкодор
АОМЗ
Атек
АТЗ
Балканкар Рекорд
БелАЗ
Беловеж
Борекс
Брянский Арсенал
Булат
ВЭКС
ГАЗ
Геомаш
Гидромаш
Донекс
Дормаш
Дормашина
Дорэлектромаш
ДЭЗ
ЕлАЗ
ЗЗГТ
Ижнефтемаш
Канаш-электрокар
КЗКТ
ККЗ
Клевер
Клинцовский автокрановый завод
КМЗ
КМЗ 1 Мая
Ковровец
Коммаш
Кранэкс
КЭЗ
КЭМЗ
ЛЗА
МАЗ
МЗИК
МЗКМ
МЗКТ
Михневский РМЗ
МоАЗ
Мозырский МЗ
МТЗ
ОЗП
Онежец
ПАО "ТЗА"
ППС Детва
Промтрактор
ПТЗ
Раскат
СпецАгрегат
ТВЭКС
ТТМ
УВЗ
Угличмаш
УЗТМ
ХТЗ
ЧЗКМ
ЧСДМ
ЧТЗ
ЭКСКО
ЭКСМАШ
ЮрМаш
Модель
Не выбрано
CDM-1165 (2009)
CDM-1185 (2009)
CDM-1220 (2009)
CDM-307 (2013)
CDM-308 (2013)
CDM-312 (2013)
CDM-512D (2014)
CDM-514D (2014)
CDM-520A (K) (2010)
CDM-6065 (2013)
CDM-6150 (2012)
CDM-6240 (2015)
CDM-6365H (2012)
CDM-6485H (2013)
CDM-816
CDM-816 (2010)
CDM-816 (2011)
CDM-816-D (2018)
CDM-833
CDM-833
CDM-833.00 (2010)
CDM-833H
CDM-835E VI.00 (2015)
CDM-835E VII.00I (2015)
CDM-835E VIII.00I (2015)
CDM-843
CDM-853.00 (2010)
CDM-853N.00I (2017)
CDM-855E
CDM-855E (2009)
CDM-855EG
CDM-855EK
CDM-855EM
CDM-856
CDM-856D (2010)
CDM-860.00 (2010)
CMD-835E (2009)
CMD-835E.01I (2010)
LG-160DT (2012)
LG-833NIV.00I (2017)
LG20, LG25, LG30, LG35 (2013)
LG50-60-70 (2014)
LG50CVII.00I (2015)
LG833NG (2015)
ZL50NC (2015)
Схема
>
Не выбрано
Engine assembly LG-50DTGAв… ,60DTGAв… , LG70DTGAв… , 50DTIC, 60DTIC, 70DTIC, 50DT, 60DT, 70DT
Engine assembly 50DTY, 60DTY, 70DTY
Engine assembly 50DTKD, 60DTKD, 70DTKD
Engine assembly 50DTKE, 60DTKE, 70DTKE
Air cleaner assembly LG50DTGAв… , LG60DTGAв… , LG70DTGAв…
Air cleaner assembly 50DTKD, 60DTKD, 70DTKD
Air cleaner assembly 50DTIC, 60DTIC, 70DTIC, 50DT, 60DT, 70DT
Air cleaner assembly 50DTY, 60DT, 70DTY
Air cleaner assembly 50DTKE, 60DTKE, 70DTKE
Air cleaner assembly LG50DTGAв… , LG60DTGAв… , LG70DTGAв… , 50DTIC, 60DTIC, 70DTIC, 50DTKD, 60DTKD, 70DTKD, 50DTY, 60DTY, 70DTY, 50DT, 60DT, 70DT
Radiator assembly 50DTKE, 60DTKE, 70DTKE
Fuel system assembly LG50DTGAв… , LG60DTGAв… , LG70DTGAв… , 50DTY, 60DTY, 70DTY, 50DT, 60DT, 70DT
Fuel system assembly 50DTIC, 60DTIC, 70DTIC
Fuel system assembly 50DTKD, 60DTKD, 70DTKD, 50DTKE, 60DTKE, 70DTKE
Muffler assembly LG50DTGAв… , LG60DTGAв… , LG70DTGA, 50DTIC, 60DTIC, 70DTIC, 50DTKD, 60DTKD, 70DTKD, 50DTY, 60DTY, 70DTY, 50DT, 60DT, 70DT
Muffler assembly 50DTKE, 60DTKE, 70DTKE
Drive axle assembly LG50DTGAв… , LG60DTGAв… , LG70DTGAв… , 50DTIC, 60DTIC, 70DTIC, 50DTKD, 60DTKD, 70DTKD, 50DTY, 60DTY, 70DTY, 50DT, 60DT, 70DT, 50DTKE, 60DTKE, 70DTKE
Appearance of drive axle(11101263) LG50DTGAв… , LG60DTGAв… , LG70DTGAв… , 50DTIC, 60DTIC, 70DTIC, 50DTKD, 60DTKD, 70DTKD, 50DTY, 60DTY, 70DTY, 50DT, 60DT, 70DT, 50DTKE, 60DTKE, 70DTKE
Final drive LG50DTGAв… , LG60DTGAв… , LG70DTGAв… , 50DTIC, 60DTIC, 70DTIC, 50DTKD, 60DTKD, 70DTKD, 50DTY, 60DTY, 70DTY, 50DT, 60DT, 70DT, 50DTKE, 60DTKE, 70DTKE
Wheel hub reducer LG50DTGAв… , LG60DTGAв… , LG70DTGAв… , 50DTIC, 60DTIC, 70DTIC, 50DTKD, 60DTKD, 70DTKD, 50DTY, 60DTY, 70DTY, 50DT, 60DT, 70DT, 50DTKE, 60DTKE, 70DTKE
Foot brake assembly LG50DTGA I, LG60DTGA I, LG70DTGA I, 50DTIC, 60DTIC, 70DTIC, 50DTKD, 60DTKD, 70DTKD, 50DTY, 60DTY, 70DTY, 50DT, 60DT, 70DT, 50DTKE, 60DTKE, 70DTKE
Transmission assembly LG50DTGAв… , LG60DTGAв… , LG70DTGAв… , 50DTIC, 60DTIC, 70DTIC, 50DT, 60DT, 70DT
Transmission assembly 50DT, 60DTY, 70DTY, 50DTKD, 60DTKD, 70DTKD
Transmission assembly 50DTKE, 60DTKE, 70DTKE
Hydraulic drive transmission (1) 50DTKE, 60DTKE, 70DTKE
Hydraulic drive transmission (2) 50DTKE, 60DTKE, 70DTKE
Transmission (1) 50DTKE, 60DTKE, 70DTKE
Transmission (2) 50DTKE, 60DTKE, 70DTKE
Oil pump element 50DTKE, 60DTKE, 70DTKE
Clutch (forward / reverse) 50DTKE, 60DTKE, 70DTKE
Control valve element 50DTKE, 60DTKE, 70DTKE
Transmission control LG50DTGAв… , LG60DTGAв… , LG70DTGAв… , 50DTIC, 60DTIC, 70DTIC, 50DT, 60DT, 70DT, 50DTKE, 60DTKE, 70DTKE
Transmission control 50DTKD, 60DTKD, 70DTKD, 50DTY, 60DTY, 70DTY
Steering control assembly
Steering axle assembly
Throttle control LG50DTGAв… , LG60DTGAв… , LG70DTGAв… , 50DTIC, 50DTKD, 50DTY, 50DT, 60DTIC, 60DTKD, 60DTY, 60DT, 70DTIC, 70DTKD, 70DTY, 70DT, 50DTKE, 60DTKE, 70DTKE
Flameout control LG50DTGAв… , LG60DTGAв… , LG70DTGAв… , 50DT, 60DT, 70DT
Flameout control 50DTY, 60DTY, 70DTY
Brake pipe system LG50DTGA, LG60DTGAв… , LG70DTGAв… , 50DTIC, 60DTIC, 70DTIC, 50DTY, 60DTY, 70DTY, 50DTKE, 60DTKE, 70DTKE
Brake pipe system 50DT, 60DT, 70DT, 50DTKD, 60DTKD, 70DTKD
Brake and inching control LG50DTGAв… , LG60DTGAв… , LG70DTGAв… , 50DTIC, 60DTIC, 70DTIC, 50DTKD, 60DTKD, 70DTKD, 50DTY, 60DTY, 70DTY, 50DT, 60DT, 70DT, 50DTKE
Parking brake control LG50DTGAв… , LG60DTGAв… , LG70DTGAв… , 50DTIC, 60DTIC, 70DTIC, 50DTKD, 60DTKD, 70DTKD, 50DTY, 60DTY, 70DTY, 50DT, 60DT, 70DT, 50DTKE, 60DTKE, 70DTKE
Frame LG50DTGAв… , LG60DTGAв… , LG70DTGAв… , 50DTIC, 60DTIC, 70DTIC, 50DTKD, 60DTKD, 70DTKD, 50DTY, 60DTY, 70DTY, 50DT, 60DT, 70DT
Frame 50DTKE, 60DTKE, 70DTKE
Mantle system LG50DTGAв… , LG60DTGAв… , LG70DTGAв… , 50DTIC, 60DTIC, 70DTIC, 50DTKD, 60DTKD, 70DTKD, 50DTY, 60DTY, 70DTY, 50DT, 60DT, 70DT, 50DTKE, 60DTKE, 70DTKE
Mast (normal mast) LG50DTGAв… , LG60DTGAв… , 50DTIC, 60DTIC, 50DTKD, 60DTKD, 50DTY, 60DTY, 50DT, 60DT
Mast (normal mast) LG70DTGAв… , 70DTIC, 70DTKD, 70DTY
Mast (full free 2-stage mast) LG50DTGAв… , LG60DTGAв… , LG70DTGAв… , 50DTIC, 60DTIC, 70DTIC, 50DTKD, 60DTKD, 70DTKD, 50DTY, 60DTY, 70DTY, 50DT, 60DT, 70DT, 50DTKE, 60DTKE, 70DTKE
Mast (full free 3-stage mast) LG50DTGAв… , LG60DTGAв… , LG70DTGA, 50DTIC, 60DTIC, 70DTIC, 50DTKD, 60DTKD, 70DTKD, 50DTY, 60DTY, 70DTY, 50DT, 60DT, 70DT
Fork & Lift bracket (normal mast) LG50DTGAв… , LG60DTGAв… , LG70DTGAв… , 50DTIC, 60DTIC, 70DTIC, 50DTY, 60DTY, 70DTY, 50DTKD, 60DTKD, 70DTKD, 50DT, 60DT, 70DT
Fork & bracket (full free 2-stage mast) LG50DTGAв… в… , LG60DTGAв… в… , LG70DTGAв… в… , 50DTICв… , 60DTICв… , 70DTICв… , 50DTYв… , 60DTYв… , 70DTYв… , 50DTKDв… , 60DTKDв… , 70DTKDв… , 50DTв… , 60DTв… , 70DTв… , 50DTKEв… , 60DTKEв… , 70DTKE
Fork & Lift bracket (full free 3-stage mast) LG50DTGAв… , LG60DTGAв… , LG70DTGAв… , 50DTI, 60DTIC, 70DTIC, 50DTY, 60DTY, 70DTY, 50DTKD, 60DTKD, 70DTKD, 50DT, 60DT, 70DT
Lift cylinder (normal mast) LG50DTGAв… , LG60DTGAв… , 50DTIC, 50DTKD, 50DTY, 50DT, 60DTIC, 60DTKD, 60DTY, 60DT
Lift cylinder (normal mast) LG70DTGAв… , 70DTIC, 70DTKD, 70DTY, 70DT
Rear lift cylinder (full free 2-stage mast) LG50DTGAв… , LG60DTGAв… , LG70DTGAв… , 50DTIC, 60DTIC, 70DTIC, 50DTY, 60DTY, 70DTY, 50DTKD, 60DTKD, 70DTKD, 50DT, 60DT, 70DT, 50DTKE, 60DTKE, 70DTKE
Rear lift cylinder (full free 3-stage mast) LG50DTGAв… , LG60DTGAв… , LG70DTGAв… , 50DTIC, 60DTIC, 70DTIC, 50DTY, 60DTY, 70DTY, 50DTKD, 60DTKD, 70DTKD, 50DT, 60DT, 70DT
Lilt cylinder
Sideshift pipe (normal mast) LG50DTGAв… , LG60DTGAв… , LG70DTGAв… 50DTIC, 60DTIC, 70DTIC, 50DTY, 60DTY, 70DTY, 50DTKD, 60DTKD, 70DTKD, 50DT, 60DT, 70DT
Side shifting pipe (full free 2-stage mast) LG50DTGAв… , LG60DTGAв… , LG70DTGAв… 50DTIC, 60DTIC, 70DTIC, 50DTY, 60DTY, 70DTY, 50DTKD, 60DTKD, 70DTKD, 50DT, 60DT, 70DT, 50DTKE, 60DTKE, 70DTKE
Side shifting pipe (full free 3-stage mast) LG50DTGAв… , LG60DTGAв… , LG70DTGAв… 50DTIC, 60DTIC, 70DTIC, 50DTY, 60DTY, 70DTY, 50DTKD, 60DTKD, 70DTKD, 50DT, 60DT, 70DT
Lifting pipe system (full free 2-stage mast) LG50DTGAв… , LG60DTGAв… , LG70DTGAв… 50DTIC, 60DTIC, 70DTIC, 50DTY, 60DTY, 70DTY, 50DTKD, 60DTKD, 70DTKD, 50DT, 60DT, 70DT, 50DTKE, 60DTKE, 70DTKE
Lifting pipe system (full free 3-stage mast) LG50DTGAв… , LG60DTGAв… , LG70DTGAв… 50DTIC, 60DTIC, 70DTIC, 50DTY, 60DTY, 70DTY, 50DTKD, 60DTKD, 70DTKD, 50DT, 60DT, 70DT
Multi-way valve control (two- throw)
Multi-way valve control (three- throw)
Multi-way valve control (four- throw)
Hydraulic system LG50DTGAв… , LG60DTGAв… , LG70DTGAв… , 50DTIC, 60DTIC, 70DTIC, 50DTY, 60DTY, 70DTY, 50DTKD, 60DTKD, 70DTKD, 50DT, 60DT, 70DT, 60DTKE, 70DTKE
Hydraulic oil tank
Overhead guard LG50DTGAв… , LG60DTGAв… , LG70DTGAв… , 50DTIC, 60DTIC, 70DTIC, 50DTY, 60DTY, 70DTY, 50DTKD, 60DTKD, 70DTKD, 50DT, 60DT, 70DT
Overhead guard 50DTKE, 60DTKE, 70DTKE
Electric system LG50DTGAв… , LG60DTGAв… , LG70DTGAв… , 50DTY, 50DTKD, 60DTY, 60DTKD, 70DTY, 70DTKD
Electric system 50DTIC, 60DTIC, 70DTIC, 50DT, 60DT, 70DT
Electric system 50DTKE, 60DTKE, 70DTKE
Battery box assembly
Decal LG50DTGAв… , LG60DTGAв… , LG70DTGAв… , 50DTIC, 50DTKD, 50DTY, 50DT, 60DTIC , 60DTKD , 60DTY , 60DT, 70DTIC , 70DTKD , 70DTY , 70DT, 50DTKE, 60DTKE, 70DTKE
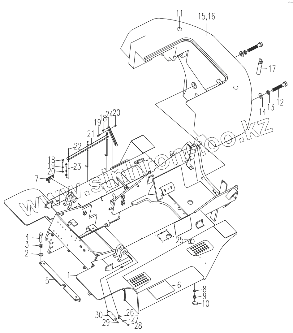
1
2
3
4
5
6
7
8
9
10
11
12
13
14
15
16
17
18
18
19
19
20
20
21
22
23
24
25
26
27
28
29
30
Позиция на иллюстрации
Заводской номер детали
Название детали
1
30008050094
Frame weldment
2
51204111214
Bolt
3
51401110107
Spring lock washer
4
51421110115
Plain washer
5
30008151018
Plate
6
30008155200
Anti-skid gasket
7
60701010033
Dock lock
8
56302001202
Plug
9
56147011701
Seal combination Washer
10
30008154200
Magnet
11
30017159100
Cap
12
51203213214
Bolt
13
30017106402
Washer
14
51401230107
Washer
15
30008050021
Counter weight weldment
16
30017038702
Counter weight weldment
17
30017038506
Traction Pin
18
51341000619
Nut
19
51204101314
Bolt
20
51307001019
Nut
21
30008156300
Castle plate
22
51307000919
Nut
23
30008140500
Rod
24
30008117741
Plate
25
60980000847
Cap
26
30086123001
Guide plate
27
51204101014
Bolt
28
51401100107
Spring lock washer
29
56201000301
Oil cup
30
30008119502
Pin
Содержащиеся в справочниках-каталогах запасные части и детали не предлагаются к продаже, а носят исключительно информационный характер
Дополнительная информация
×
Название:
Номер:
Примечание: