Вернуться на главную
Поиск
Каталоги запчастей к технике
Спецтехника
Lonking (LongGong)
CDM-6485H
WORK PIPELINE II
Каталог запасных частей к технике: Lonking (LongGong) CDM-6485H. WORK PIPELINE II
zoom-in
zoom-out
enlarge
shrink
circle-right
circle-left
file-text2
info
cart
Тип техники
Не выбрано
Легковые автомобили
Грузовые автомобили и прицепы
Автобусы
Сельхозтехника
Спецтехника
Двигатели
Мототехника
Марка
Не выбрано
Ammann
BOMAG
CARMIX
CASE IH
Changlin
ChengGong
Dimex
Doosan
DYNAPAC
Foton
HAMM
Hidromek
Hitachi
Hyundai
JCB
JLG
John Deere
Komatsu
LIEBHERR
LiuGong
Lonking (LongGong)
Luneng
MANITOU
Mitsuber
New Holland
PENGPU
RM-Terex
SANY
SDLG
SEM
Shantui
Shehwa HBXG
Soosan
TIGARBO
VOGELE
Volvo
WAY
WIRTGEN
XCMG
XGMA
Xiamen
YTO
Yuchai
Zoomlion
Автокран
АЗСМ
Алтайлесмаш
Амкодор
АОМЗ
Атек
АТЗ
Балканкар Рекорд
БелАЗ
Беловеж
Борекс
Брянский Арсенал
Булат
ВЭКС
ГАЗ
Геомаш
Гидромаш
Донекс
Дормаш
Дормашина
Дорэлектромаш
ДЭЗ
ЕлАЗ
ЗЗГТ
Ижнефтемаш
Канаш-электрокар
КЗКТ
ККЗ
Клевер
Клинцовский автокрановый завод
КМЗ
КМЗ 1 Мая
Ковровец
Коммаш
Кранэкс
КЭЗ
КЭМЗ
ЛЗА
МАЗ
МЗИК
МЗКМ
МЗКТ
Михневский РМЗ
МоАЗ
Мозырский МЗ
МТЗ
ОЗП
Онежец
ПАО "ТЗА"
ППС Детва
Промтрактор
ПТЗ
Раскат
СпецАгрегат
ТВЭКС
ТТМ
УВЗ
Угличмаш
УЗТМ
ХТЗ
ЧЗКМ
ЧСДМ
ЧТЗ
ЭКСКО
ЭКСМАШ
ЮрМаш
Модель
Не выбрано
CDM-1165 (2009)
CDM-1185 (2009)
CDM-1220 (2009)
CDM-307 (2013)
CDM-308 (2013)
CDM-312 (2013)
CDM-512D (2014)
CDM-514D (2014)
CDM-520A (K) (2010)
CDM-6065 (2013)
CDM-6150 (2012)
CDM-6240 (2015)
CDM-6365H (2012)
CDM-6485H (2013)
CDM-816
CDM-816 (2010)
CDM-816 (2011)
CDM-816-D (2018)
CDM-833
CDM-833
CDM-833.00 (2010)
CDM-833H
CDM-835E VI.00 (2015)
CDM-835E VII.00I (2015)
CDM-835E VIII.00I (2015)
CDM-843
CDM-853.00 (2010)
CDM-853N.00I (2017)
CDM-855E
CDM-855E (2009)
CDM-855EG
CDM-855EK
CDM-855EM
CDM-856
CDM-856D (2010)
CDM-860.00 (2010)
CMD-835E (2009)
CMD-835E.01I (2010)
LG-160DT (2012)
LG-833NIV.00I (2017)
LG20, LG25, LG30, LG35 (2013)
LG50-60-70 (2014)
LG50CVII.00I (2015)
LG833NG (2015)
ZL50NC (2015)
Схема
>
Не выбрано
ENGINE I
ENGINE II
ENGINE III
RADIATOR
UNDERCARRIAGE ASSY I
UNDERCARRIAGE ASSY II
FRONT IDLER ASSY
TRACK ROLLER ASSY
CARRIER ROLLER
IDLER CUSHION ASSY
TRACK SHOE
SWING DRIVE SYSTEM
WORK PIPELINE I
WORK PIPELINE II
WORK PIPELINE III
WORK PIPELINE IV
MAIN PUMP LINES V
CHASSIS LINES
MAIN PUMP LINES I
MAIN PUMP LINES II
MAIN PUMP LINES III
PILOT PIPING I
PILOT PIPING II
PILOT PIPING III
PILOT PIPING IV
PILOT PIPING V
OIL RETURN PIPING I
OIL RETURN PIPING II
OIL RETURN PIPING III
HYDRAULIC OIL TANK
FUEL TANK ASSY
COUNTERWEIGHT ASSY
BRACKET ASSY
BAFFLE PLATE ASSY
HOOD ASSY
WALKWAY I
WALKWAY II
WALKWAY III
WALKWAY IV
PLATFORM
PLATFORM BOTTOM COVER PLATE
DOOR ASSY I
DOOR ASSY II
TOOL KIT
COVER BOARD ASSY
PIN ASSY
BUCKET ASSY
BOOM ASSY
BOOM ASSY
WORK EQUIPMENT PIPELINE
OPERATOR'S CABIN I
OPERATOR'S CABIN II
OPERATOR'S CABIN III
OPERATOR'S CABIN IV
OPERATOR'S CABIN V
OPERATOR'S CABIN VI
OPERATOR'S CABIN VII
SEAT MOUNTING I
SEAT MOUNTING II
AIR CONDITIONER ASSY I
AIR CONDITIONER ASSY II
ELECTRICAL SYSTEM I
ELECTRICAL SYSTEM II
ELECTRICAL SYSTEM III
ELECTRICAL SYSTEM IV
ELECTRICAL SYSTEM V
NAMEPLATE RECOGNITION I
NAMEPLATE RECOGNITION II
NAMEPLATE RECOGNITION III
NAMEPLATE RECOGNITION IV
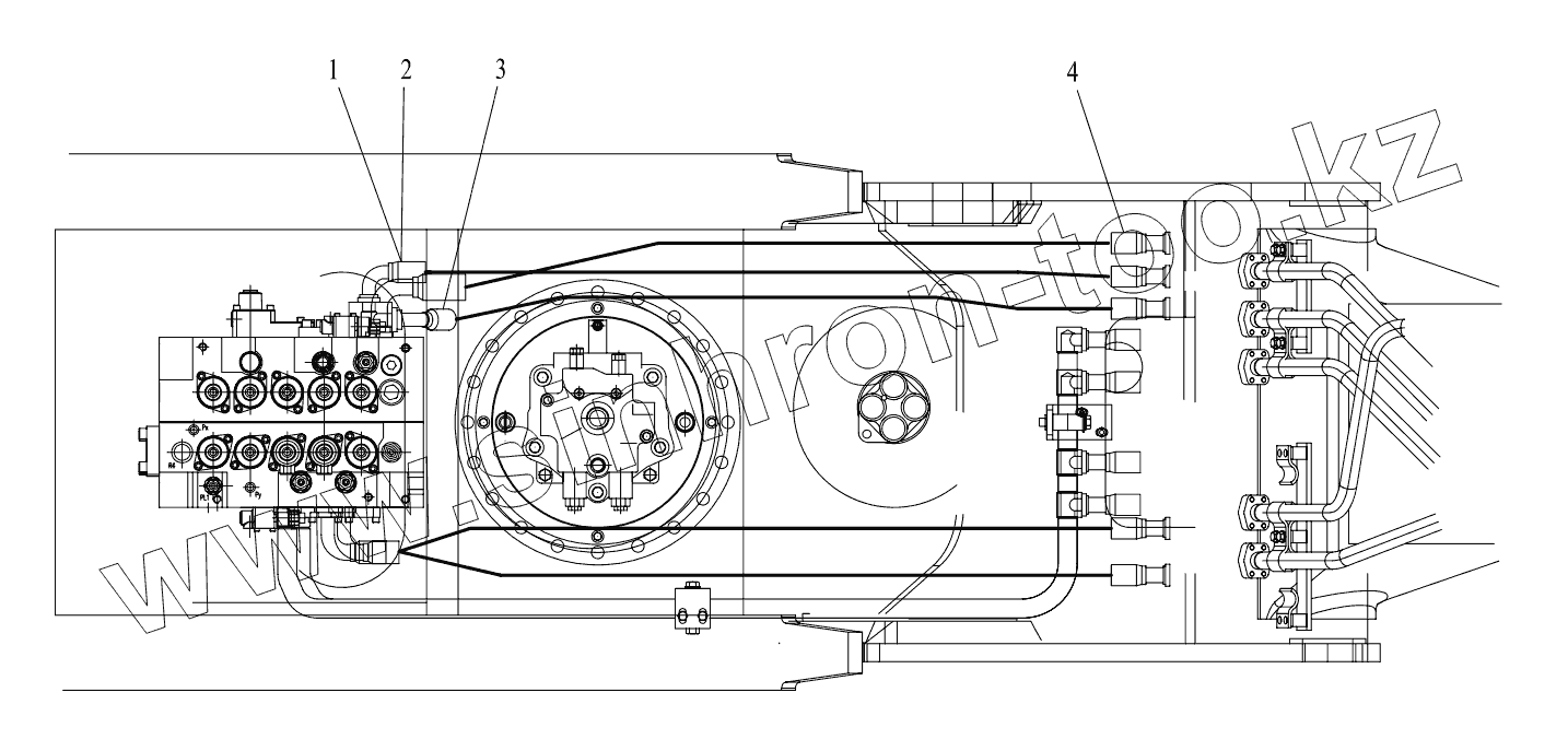
1
2
3
4
Позиция на иллюстрации
Заводской номер детали
Название детали
1
17272006700
HOSE ASS'Y
2
60911010638
FLANGE COMPONENT
3
17272006522
HOSE ASS'Y
4
17272005597
HOSE ASS'Y
Содержащиеся в справочниках-каталогах запасные части и детали не предлагаются к продаже, а носят исключительно информационный характер
Дополнительная информация
×
Название:
Номер:
Примечание: