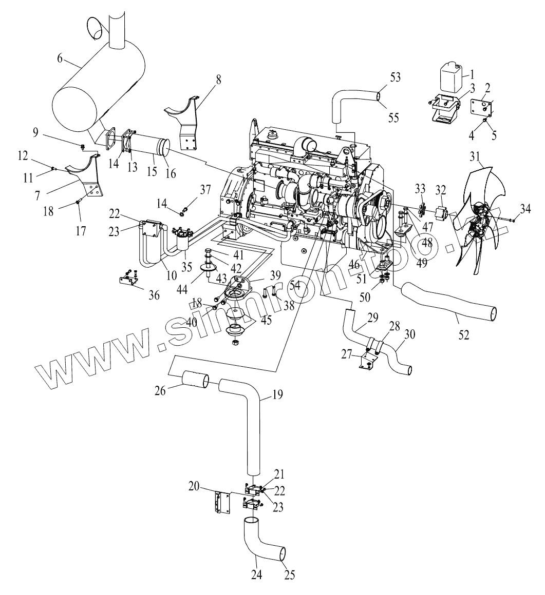
Каталог запасных частей к технике: Lonking (LongGong) CDM-6485H. ENGINE III
1
2
3
4
5
6
7
8
9
10
11
12
13
14
14
15
16
17
18
18
19
20
21
22
22
23
23
24
25
26
27
28
29
30
31
32
33
34
35
36
37
38
39
40
41
42
43
44
45
46
47
48
49
50
51
52
53
54
55
| Позиция на иллюстрации | Заводской номер детали | Название детали | |
|---|---|---|---|
| 1 | 60102000002 | AUXILIARY WATER TANK ASS'Y | |
| 2 | 30601000393 | FIXING PLATE, AUXILIARY WATER TANK | |
| 3 | 30601000192 | BRACKET, AUXILIARY WATER TANK | |
| 4 | 51204111122 | BOLT M12x25 | |
| 5 | 51427110122 | WASHER 12 | |
| 6 | 60101101157 | MUFFLER | |
| 7 | 30601000384 | REAR RIGHT, MUFFLER | |
| 8 | 30601000388 | FRONT LEFT, MUFFLER | |
| 9 | 51204101222 | BOLTM10x30 | |
| 10 | 60101100983 | ENGINE OIL FILTER | |
| 11 | 51427110122 | WASHER 12 | |
| 12 | 51204111022 | BOLT M12x20 | |
| 13 | 51204101222 | BOLTM10x30 | |
| 14 | 51427100121 | WASHER 10 | |
| 15 | 30601000391 | EXHAUST PIPE | |
| 16 | 60911011808 | CLAMP, EXHAUST PIPE | |
| 17 | 51427130122 | WASHER 16 | |
| 18 | 51204133722 | BOLT M16x40 | |
| 19 | 30601101229 | STAINLESS STEEL PIPE I | |
| 20 | 30601000389 | AIR INTAKE PIPE BRACKET, INTERCOOLER | |
| 21 | 60911010639 | PIPE CLAMP 98-103 | |
| 22 | 51204091122 | BOLT M8x25 | |
| 23 | 51421090121 | WASHER 8 | |
| 24 | 30601101232 | AIR INTAKE HOSE 4 | |
| 25 | 56931002201 | CLAMP SLTB-112~120/19 | |
| 26 | 60911011806 | CONNECTING HOSE, INTERCOOLER | |
| 27 | 30601000395 | SUPPORT, WATER INLET PIPE | |
| 28 | 56993001101 | CLAMP D1-75/25 | |
| 29 | 30601101261 | WATER INLET PIPE, | |
| 30 | 56931000501 | CLAMP SLTB-70~78/19 | |
| 31 | 60101101125 | FAN | |
| 32 | 60980004733 | HEEL BLOCK, FAN | |
| 33 | 60980004732 | HEEL BLOCK, FAN | |
| 34 | 51900000703 | BOLT 3/8-16UNC-2AX5 1/8 | |
| 35 | 60101100982 | WATER SEPARATOR | |
| 36 | 30601101254 | BRACKET, WATER SEPARATOR | |
| 37 | 51900000503 | BOLT 3/8-16UNC-2Ax1 1/2 | |
| 38 | 51203131921 | BOLT M16x65 | |
| 39 | 30601000382 | REAR SUPPORT, ENGINE | |
| 40 | 51204133022 | BOLT M16x45 | |
| 41 | 51203183221 | BOLT M27x190 | |
| 42 | 51427190122 | WASHER 27 | |
| 43 | 30601101195 | SPACER | |
| 44 | 30601101194 | SHIM PLATE | |
| 45 | 60101800030 | REAR SHOCK PAD | |
| 46 | 60101101179 | FRONT SUPPORT, ENGINE | |
| 47 | 51203105021 | BOLT M20x135 | |
| 48 | 51427150122 | WASHER 20 | |
| 49 | 60101800031 | FRONT SHOCK ABSORBER | |
| 50 | 51307001522 | NUT M20 | |
| 51 | 30601101196 | SPACER, FAN | |
| 52 | 30601101228 | AIR INTAKE HOSE 1 | |
| 53 | 30601101244 | WATER OUTLET PIPE, ENGINE | |
| 54 | 60911011807 | TRANSITION CONNECTOR | |
| 55 | 56931001401 | CLAMP SLTB-65~73/19 |
Содержащиеся в справочниках-каталогах запасные части и детали не предлагаются к продаже, а носят исключительно информационный характер