Каталог запасных частей к технике: Lonking (LongGong) CDM-6485H. ELECTRICAL SYSTEM IV
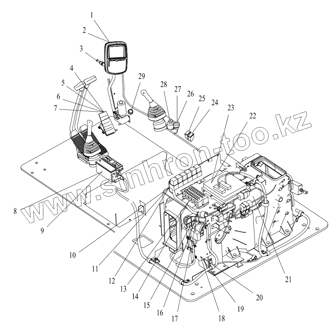
1
2
3
4
5
6
7
8
9
10
11
12
13
14
15
16
17
18
19
20
21
22
23
24
25
26
27
28
29
| Позиция на иллюстрации | Заводской номер детали | Название детали | |
|---|---|---|---|
| 1 | 60401040002 | MONITOR | |
| 2 | 60909010096 | SCREW 10-32UNF | |
| 3 | 60401010049 | WINDOW WIPER | |
| 4 | 60405020025 | QUARTERING HAMMER ROCKER SWITCH | |
| 5 | 30607100051 | BUSH | |
| 6 | 51158171110 | SCREW M5x40 | |
| 7 | 51421070121 | WASHER 5 | |
| 8 | 51158170410 | SCREW M5x12 | |
| 9 | 60401060002 | RADIO | |
| 10 | 60403010059 | MOUNTING PLATE RELAY | |
| 11 | 30607000056 | BRACKET | |
| 12 | 60405030028 | AUXILIARY RELAY | |
| 13 | 51158170610 | SCREW M5x16 | |
| 14 | 60403010060 | FUSE BOX | |
| 15 | 51139210308 | SCREW M8x16 | |
| 16 | 51421090121 | WASHER 8 | |
| 17 | 30607000055 | FLOOR | |
| 18 | 30607100253 | BRACKET M | |
| 19 | 60980000641 | BOLT TYPE PERMANENT SEAT | |
| 20 | 51204090922 | BOLT M8x16 | |
| 21 | 30607000725 | SUPPORT C | |
| 22 | 60403010004 | CONTROLLER | |
| 23 | 51139210408 | SCREW M8x20 | |
| 24 | 60405020342 | BUZZER ROCKER SWITCH | |
| 25 | 60405020341 | WARNING LAMP START SWITCH | |
| 26 | 60403010061 | THROTTLE POTENTIOMETER | |
| 27 | 30607100070 | ADJUSTING KNOB | |
| 28 | 60405020021 | KEY SWITCH | |
| 29 | 60405020021 | KEY SWITCH |
Содержащиеся в справочниках-каталогах запасные части и детали не предлагаются к продаже, а носят исключительно информационный характер