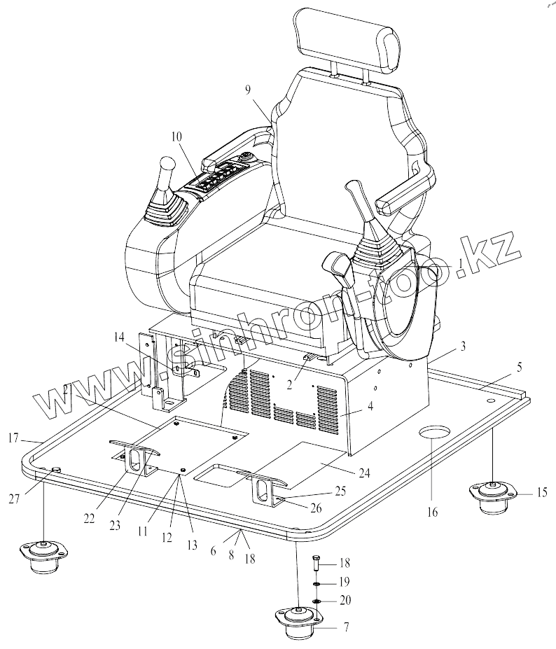
Каталог запасных частей к технике: Lonking (LongGong) CDM-6065. SEAT MOUNTING
1
2
3
4
5
6
7
8
9
10
11
12
13
14
15
16
17
18
18
19
20
21
22
23
24
25
26
27
| Позиция на иллюстрации | Заводской номер детали | Название детали | |
|---|---|---|---|
| 1 | 60920010090 | STAND CASE L.H. | |
| 2 | 30621000004 | SLIDE TRACK MOUNTING PLATE, SEAT | |
| 3 | 30621000009 | SATE BASE | |
| 4 | 30621100064 | PANEL | |
| 5 | 30621000008 | BOARD WELDING | |
| 6 | 30621100084 | SOUND-ABSORBINGSPONGE1 | |
| 7 | 60922010005 | FRONT SHOCK ABSORBER | |
| 8 | 30621100080 | SOUND-ABSORBINGSPONGE2 | |
| 9 | 60920010096 | SEAT BASE | |
| 10 | 60980004051 | SEAL, DOOR | |
| 11 | 51204090922 | BOLT M8x16 | |
| 12 | 51401090122 | WASHER 8 | |
| 13 | 51421090121 | WASHER 8 | |
| 14 | 30621100004 | MOUNTINGPLATE,FUSE CASE | |
| 15 | 60922010002 | REAR SHOCK ABSORBER | |
| 16 | 30621101925 | RUBBER SLEEVE | |
| 17 | 30621100081 | SOUND-ABSORBINGSPONGE3 | |
| 18 | 51204101122 | BOLT M10x25 | |
| 19 | 51401100122 | WASHER 12 | |
| 20 | 51421100121 | WASHER 10 | |
| 21 | 30621100078 | PLATE 1 | |
| 22 | 30621000027 | FOOT PEDAL | |
| 23 | 30621100034 | RUBBER PEDAL | |
| 24 | 30621100079 | PLATE 2 | |
| 25 | 51204070922 | BOLT M5x16 | |
| 26 | 51421070121 | WASHER 5 | |
| 27 | 51204121422 | BOLT M14x40 |
Содержащиеся в справочниках-каталогах запасные части и детали не предлагаются к продаже, а носят исключительно информационный характер