Каталог запасных частей к технике: Lonking (LongGong) CDM-6065. ELECTRICAL SYSTEM I
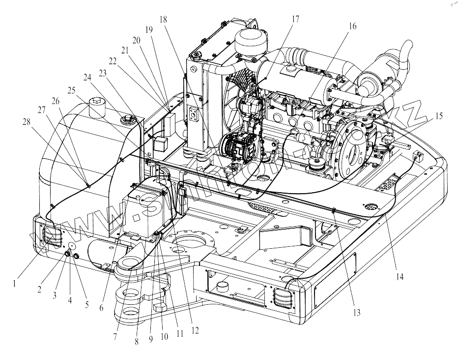
1
2
3
4
5
6
7
8
9
10
11
12
13
14
15
16
17
18
19
20
21
22
23
24
25
26
27
28
| Позиция на иллюстрации | Заводской номер детали | Название детали | |
|---|---|---|---|
| 1 | 60402050004 | WORK LAMP | |
| 2 | 60401050001 | HORN | |
| 3 | 51204090918 | BOLT M8x16 | |
| 4 | 51401090107 | Washer | |
| 5 | 51421090115 | Washer | |
| 6 | 30607000340 | POWER SUPPLY CABLE | |
| 7 | 30607000343 | BOOM LAMP WIRING HARNESS | |
| 8 | 30607000347 | BATTERY ASS'Y | |
| 9 | 51204101018 | BOLT M10x20 | |
| 10 | 51401100107 | Spring lock washer | |
| 11 | 51421100115 | Plain washer | |
| 12 | 30607000342 | NEGATIVE POLE | |
| 13 | 60911011058 | CLIP 35 | |
| 14 | 30607000339 | CAR BODY WIRING HARNESS | |
| 15 | 30607000344 | EARTHING CABLE | |
| 16 | 30607000341 | START CABLE | |
| 17 | 60402020004 | WATER TEMPRETURE SENSOR | |
| 18 | 60480050005 | CLIP 25 | |
| 19 | 30607000345 | RELAY BOX | |
| 20 | 51204101022 | BOLT M10x20 | |
| 21 | 51401100122 | WASHER 12 | |
| 22 | 51421100121 | WASHER 10 | |
| 23 | 60911010029 | CLIP 16 | |
| 24 | 60402020005 | FUEL LEVEL SENSOR | |
| 25 | 30607000348 | BATTERY RELAY ASS'Y | |
| 26 | 51307000922 | NUT M8 | |
| 27 | 51401090122 | WASHER 8 | |
| 28 | 60911011057 | CLIP 6 |
Содержащиеся в справочниках-каталогах запасные части и детали не предлагаются к продаже, а носят исключительно информационный характер