Каталог запасных частей к технике: Lonking (LongGong) CDM-512D. Vibration drum assembly
1
1
2
3
4
5
6
7
8
9
9
10
10
11
12
13
14
15
16
17
18
19
20
21
22
23
24
25
26
27
28
29
29
30
31
32
33
34
35
36
37
38
39
40
41
42
43
44
45
46
47
48
49
50
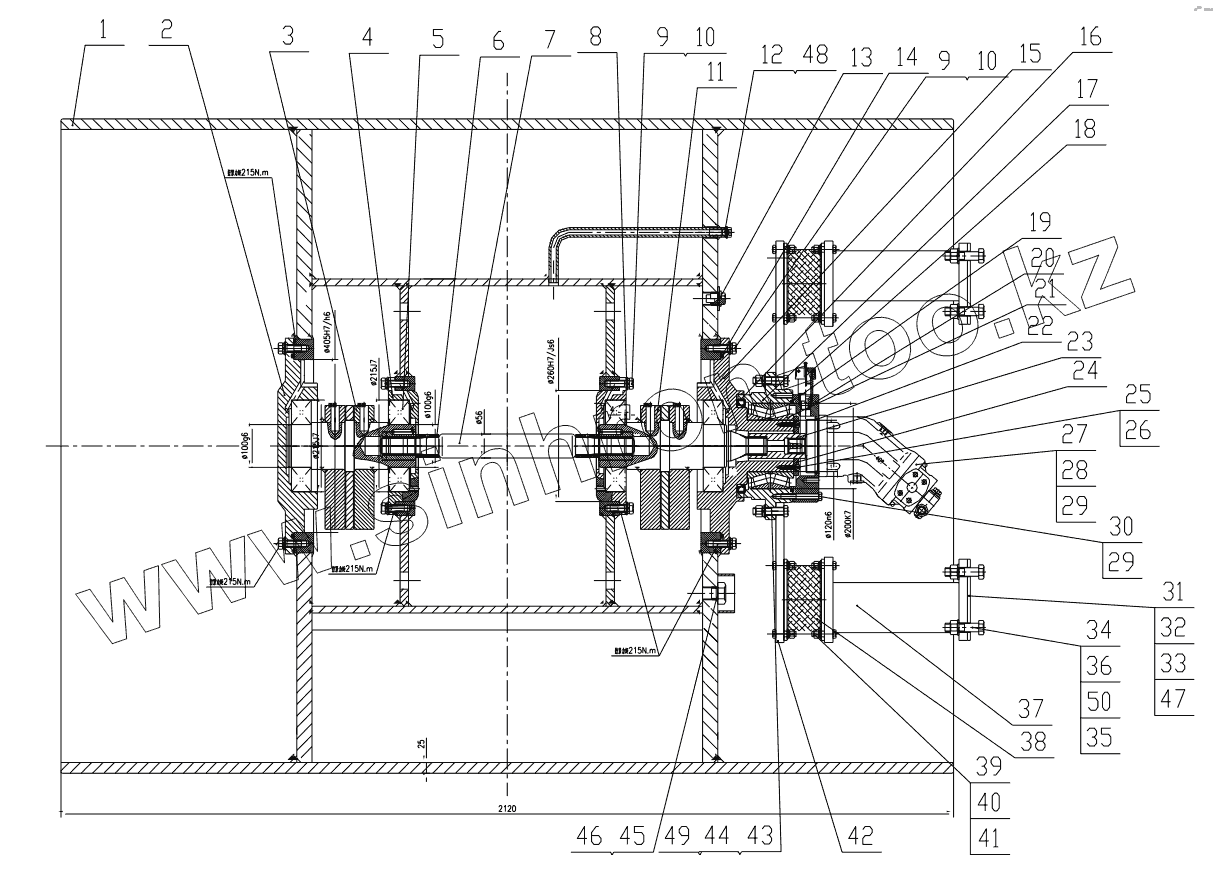
| Позиция на иллюстрации | Заводской номер детали | Название детали | |
|---|---|---|---|
| 1 | LG514D.01.01 | Drum assembly | |
| 1 | LG512D.01.01 | Drum assembly | |
| 2 | LG512D.01-001 | Outer bearing bracket | |
| 3 | LG514B.01X.02 | Left vibration exciter | |
| 4 | LG510B.01-002 | Inner bearing bracket | |
| 5 | GB283 | Bearing | |
| 6 | LG510B.01-003 | Rubber sleeve | |
| 7 | LG512D.01-002 | Drive shaft | |
| 8 | LG510B.01-006 | Lock spacer | |
| 9 | GB/T5783 | Bolt | |
| 10 | GB/T93 | Washer | |
| 11 | LG514B.01X.03 | Right vibration exciter | |
| 12 | LG520A.30.01-001 | Plug | |
| 13 | LG520A.30.01.07 | Magnetism bolt | |
| 14 | GB/T3452.1 | O-ring | |
| 15 | LG510B.01-001 | Outer bearing bracket | |
| 16 | TC180x220x18 | Oil seal 180x220x18 | |
| 17 | LG520A.30.01-006 | Driving bearing bracket | |
| 18 | LG520A.30.01.02 | Breather | |
| 19 | GB/T3452.1 | O-ring | |
| 20 | LG520A.30.01-009 | Motor bracket | |
| 21 | LG520A.30.01.11 | Biserial tapered roller bearing | |
| 22 | GB/T3452.1 | O-ring | |
| 23 | LG520A.30.01-007 | Motor spline sleeve | |
| 24 | LG520A.30.01-008 | Bearing ring | |
| 25 | GB/T70.1 | Screw | |
| 26 | GB/T93 | Washer | |
| 27 | A2FM56 | Vibration motor | |
| 28 | GB/T5783 | Bolt | |
| 29 | GB/T93 | Washer | |
| 30 | GB/T5782 | Bolt | |
| 31 | LG512D.01-007 | Adjusting washer | |
| 32 | LG512D.01-008 | Adjusting washer | |
| 33 | LG512D.01-009 | Adjusting washer | |
| 34 | GB/T5782 | Bolt | |
| 35 | GB/T97.1 | Washer | |
| 36 | GB/T889.1 | Nut | |
| 37 | CDM512D.01.01 | Connecting bracket weldment | |
| 38 | 16B | Shock absorber | |
| 39 | GB/T5783 | Bolt | |
| 40 | DIN6796 | Washer 12 | |
| 41 | GB/T889.1 | Nut | |
| 42 | LG512D.01-003 | Support board | |
| 43 | GB/T5782 | Bolt | |
| 44 | GB/T6170 | Nut | |
| 45 | LG520A.30.01.03 | Oil pointer | |
| 46 | JB982-1977 | Bonded washer 30 | |
| 47 | LG512D.01-004 | Spacer shim | |
| 48 | JB/T982 | Combined washer | |
| 49 | DIN6796 | Washer 16 | |
| 50 | DIN6796 | Washer 20 |
Содержащиеся в справочниках-каталогах запасные части и детали не предлагаются к продаже, а носят исключительно информационный характер