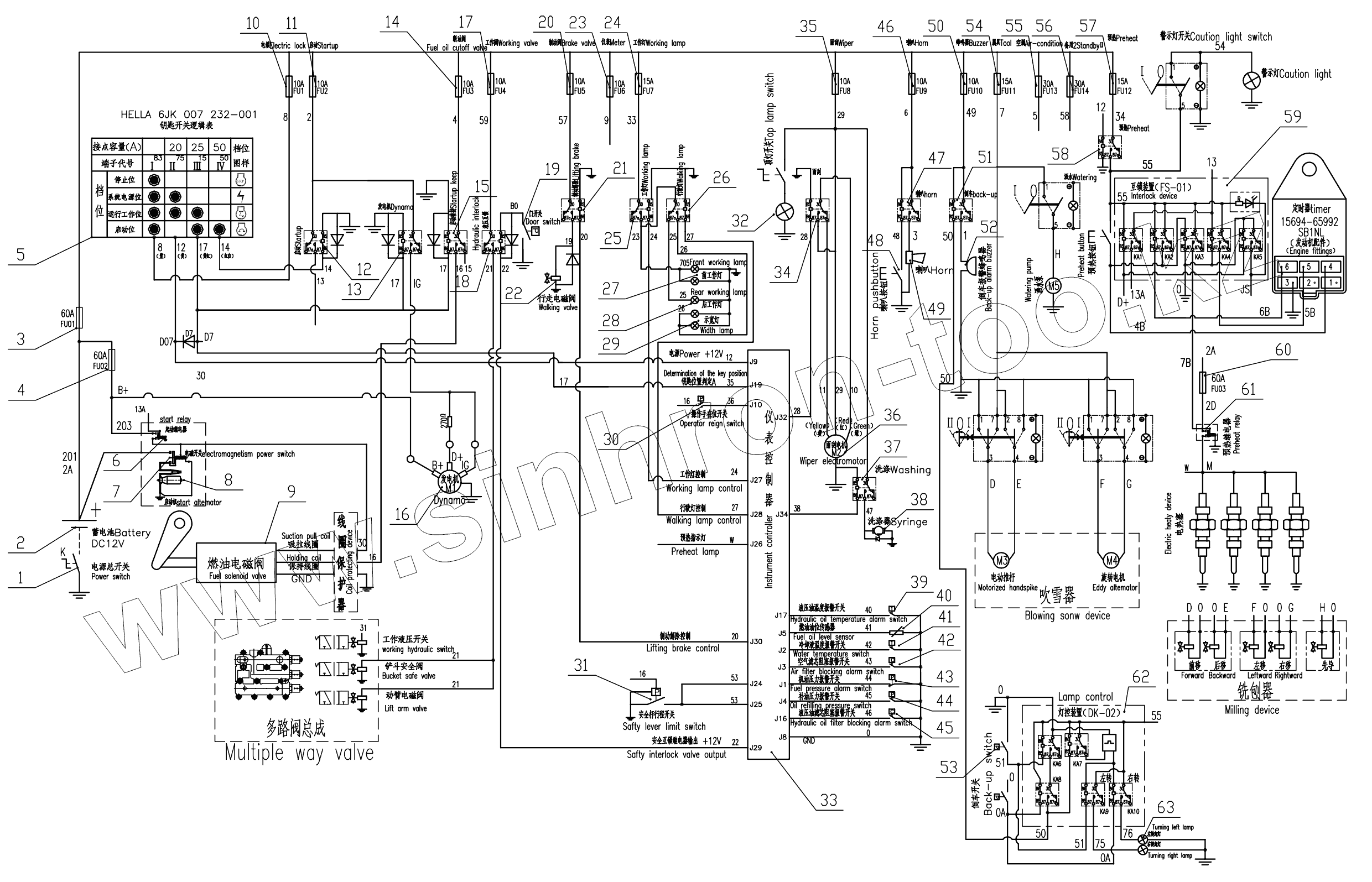
Каталог запасных частей к технике: Lonking (LongGong) CDM-308. Electrical Principium
lamp
LG308.15-013
1
2
3
4
5
6
7
8
9
10
11
12
13
14
15
16
17
18
19
20
21
22
23
24
25
26
27
28
29
30
31
32
33
34
35
36
37
38
39
40
41
42
43
44
45
46
47
48
49
50
51
52
53
54
55
56
57
58
59
60
61
62
63
| Позиция на иллюстрации | Заводской номер детали | Название детали | |
|---|---|---|---|
| lamp | lamp | Walking rear lamp | |
| LG308.15-013 | LG308.15-013 | Right rear combined lamp | |
| 1 | 60405020050 | Power switch | |
| 2 | LG853.15.26 | Battery | |
| 3 | FU60A308 | Major fuse | |
| 4 | FU60A308 | Fuse | |
| 5 | LG8380.15.13 | Key switch | |
| 6 | LG503DC.26.06 | Start relay | |
| 7 | 17123-6302-4 | Electromagnetism power switch | |
| 8 | 17123-6301-6 | Start altemator | |
| 9 | 1A021-6001-5 | Fuel solenoid valve | |
| 10 | 60406040017 | Key switch fuse | |
| 11 | 60406040017 | Start fuse | |
| 12 | LG308.15.02-001 | Start controlling relay | |
| 13 | LG308.15.02-001 | Charge altemator relay | |
| 14 | 60406040017 | Fuel oil cut off valve | |
| 15 | LG308.15.02-001 | Atart keep relay | |
| 16 | 16404-6401-2 | Charge altemator | |
| 17 | 60406040017 | Working valve fuse | |
| 18 | LG308.15.02-001 | Hydraulic interlock relay | |
| 19 | LG307.15-001 | Door switch | |
| 20 | 60406040017 | brake valve fuse | |
| 21 | LG308.15.02-001 | Relieve brake relay | |
| 22 | SV10-23-02-12-DN-B-6S | Brake relief valve | |
| 23 | 60406040017 | Meter fuse | |
| 24 | 60406040025 | Working lamp fuse | |
| 25 | LG308.15.02-001 | Working lamp relay | |
| 26 | LG308.15.02-001 | Walking lamp relay | |
| 27 | LG308.15-004 | Working lamp | |
| 28 | LG308.15-012 | Left rear combined lamp | |
| 29 | LG312.15-002 | Red light show wide | |
| 30 | LG308.15-002 | Closed switch | |
| 31 | LG8380.15.15 | Stroke switch | |
| 32 | LG308.15-003 | Ceiling lamp | |
| 33 | LG308.15.03 | Instrument controller assembly | |
| 34 | LG308.15.02-001 | Clearing water relay | |
| 35 | 60406040017 | Clearing water fuse | |
| 36 | LG8380.15.16 | Wiper washing assembly | |
| 37 | LG308.15.02-001 | Start controlling relay | |
| 38 | LG8380.15.16 | Wiper washing assembly | |
| 39 | YT306J-9/16-18UNF | Oil temperature switch | |
| 40 | LG308.15-001 | Fuel oil level sensor | |
| 41 | 51601-37671 | Alarm switch of water temperature | |
| 42 | X770062 | Alarm | |
| 43 | LG8380.15.22 | Fuel pressure alarm switch | |
| 44 | YT310B | Up the oil switch | |
| 45 | 926923 | Sender | |
| 46 | 60406040017 | Key switch fuse | |
| 47 | LG308.15.02-001 | Start controlling relay | |
| 48 | LG308.05.01.03 | Handle assembly | |
| 49 | LG8380.15.17 | Electrical horn | |
| 50 | 60406040017 | Key switch fuse | |
| 51 | LG308.15.02-001 | Start controlling relay | |
| 52 | LG308.15-001 | Fuel oil level sensor | |
| 53 | LG308.15-014 | Back-up alarm switch | |
| 54 | 60406040025 | Working lamp fuse | |
| 55 | 60406040019 | Air-condition fuse | |
| 56 | 60406040019 | Standby fuse | |
| 57 | 60406040025 | Working lamp fuse | |
| 58 | LG308.15.02-001 | Start controlling relay | |
| 59 | FS-01 | Interlock device | |
| 60 | FU60A308 | Major fuse | |
| 61 | LG503DC.26.06 | Start relay | |
| 62 | DK-02 | Light control device | |
| 63 | LG312.15-003 | Steering lamp |
Содержащиеся в справочниках-каталогах запасные части и детали не предлагаются к продаже, а носят исключительно информационный характер