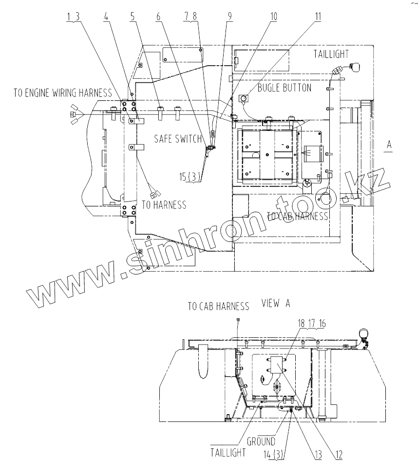
Каталог запасных частей к технике: LiuGong CLG-B160. 46C5563 FRAME WIRING

zoom-in zoom-out enlarge shrink circle-right circle-left file-text2 info cart
1
3
3
3
4
5
6
7
8
9
10
11
12
13
14
15
16
17
18
Позиция на иллюстрации Заводской номер детали Название детали
1 00B0236 BOLT
3 06B0396 Washer
4 20A1854 Хомут
5 37B0004 Хомут
6 22C0568 Swich holder
7 06B0022 Шайба
8 04B0341 Винт
9 34B0582 Limit switch
10 08C2944 Harness
11 34B0581 Key
12 46C3439 Relay
13 05B0072 Болт
14 03B0289 Гайка
15 00B0524 Bolt
16 00B0540 Bolt
17 06B0395 Washer
18 03B0087 Гайка
Содержащиеся в справочниках-каталогах запасные части и детали не предлагаются к продаже, а носят исключительно информационный характер