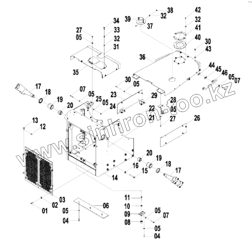
Каталог запасных частей к технике: LiuGong CLG-B160. 44E0481 ENGINE HOOD AS
1
2
3
4
4
5
5
5
5
5
5
5
5
5
6
7
7
7
8
9
10
11
12
13
14
15
16
17
17
18
18
19
19
20
20
21
22
23
24
25
26
27
27
28
29
30
30
31
32
32
32
33
34
35
36
37
38
39
40
41
42
43
44
45
46
| Позиция на иллюстрации | Заводской номер детали | Название детали | |
|---|---|---|---|
| 1 | 00B0243 | BOLT | |
| 2 | 06B0398 | Washer | |
| 3 | 43D1008 | Grill | |
| 4 | 00B0239 | Болт | |
| 5 | 06B0397 | Washer | |
| 6 | 12A2727 | Plate | |
| 7 | 01B0395 | BOLT | |
| 8 | 35C0718 | Shock absorber | |
| 9 | 16A4700 | Plate | |
| 10 | 06B0416 | Washer | |
| 11 | 00B0204 | BOLT | |
| 12 | 08B0134 | Pin | |
| 13 | 60A3140 | Pin | |
| 14 | 43D0989 | Cover | |
| 15 | 00B0221 | Болт | |
| 16 | 06B0399 | Washer | |
| 17 | 34C2527 | Fork | |
| 18 | 35C1001 | Oil seal | |
| 19 | 55A5097 | Bush | |
| 20 | 55A5096 | Bush | |
| 21 | 03B0036 | NUT | |
| 22 | 04B0260 | Винт | |
| 23 | 42D0534 | Side plate-rh | |
| 24 | 03B0290 | NUT | |
| 25 | 00D2906 | Bracket | |
| 26 | 42D0533 | Side plate-lh | |
| 27 | 00B0513 | Bolt | |
| 28 | 00D2907 | Bracket | |
| 29 | 00D3894 | Bracket | |
| 30 | 00B0238 | Болт | |
| 31 | 08B0031 | Палец | |
| 32 | 06B0396 | Washer | |
| 33 | 75A0850 | Spring | |
| 34 | 66A0368 | Lock pin | |
| 35 | 36D0889 | Cover | |
| 36 | 43D1013 | Top cover | |
| 37 | 00B0236 | BOLT | |
| 38 | 03B0289 | Гайка | |
| 39 | 48D0445 | Cover | |
| 40 | 81A0278 | Pad | |
| 41 | 10A7851 | Plate | |
| 42 | 00B0341 | BOLT | |
| 43 | 06B0059 | Шайба | |
| 44 | 82A0757 | Pad | |
| 45 | 00D3568 | Plate | |
| 46 | 35A1239 | Handrail |
Содержащиеся в справочниках-каталогах запасные части и детали не предлагаются к продаже, а носят исключительно информационный характер