Вернуться на главную
Поиск
Каталоги запчастей к технике
Спецтехника
LiuGong
CLG-933E
34Y0053-001-00 REVOLVING FRAME AS
Каталог запасных частей к технике: LiuGong CLG-933E. 34Y0053-001-00 REVOLVING FRAME AS
zoom-in
zoom-out
enlarge
shrink
circle-right
circle-left
file-text2
info
cart
Тип техники
Не выбрано
Легковые автомобили
Грузовые автомобили и прицепы
Автобусы
Сельхозтехника
Спецтехника
Двигатели
Мототехника
Марка
Не выбрано
Ammann
BOMAG
CARMIX
CASE IH
Changlin
ChengGong
Dimex
Doosan
DYNAPAC
Foton
HAMM
Hidromek
Hitachi
Hyundai
JCB
JLG
John Deere
Komatsu
LIEBHERR
LiuGong
Lonking (LongGong)
Luneng
MANITOU
Mitsuber
New Holland
PENGPU
RM-Terex
SANY
SDLG
SEM
Shantui
Shehwa HBXG
Soosan
TIGARBO
VOGELE
Volvo
WAY
WIRTGEN
XCMG
XGMA
Xiamen
YTO
Yuchai
Zoomlion
Автокран
АЗСМ
Алтайлесмаш
Амкодор
АОМЗ
Атек
АТЗ
Балканкар Рекорд
БелАЗ
Беловеж
Борекс
Брянский Арсенал
Булат
ВЭКС
ГАЗ
Геомаш
Гидромаш
Донекс
Дормаш
Дормашина
Дорэлектромаш
ДЭЗ
ЕлАЗ
ЗЗГТ
Ижнефтемаш
Канаш-электрокар
КЗКТ
ККЗ
Клевер
Клинцовский автокрановый завод
КМЗ
КМЗ 1 Мая
Ковровец
Коммаш
Кранэкс
КЭЗ
КЭМЗ
ЛЗА
МАЗ
МЗИК
МЗКМ
МЗКТ
Михневский РМЗ
МоАЗ
Мозырский МЗ
МТЗ
ОЗП
Онежец
ПАО "ТЗА"
ППС Детва
Промтрактор
ПТЗ
Раскат
СпецАгрегат
ТВЭКС
ТТМ
УВЗ
Угличмаш
УЗТМ
ХТЗ
ЧЗКМ
ЧСДМ
ЧТЗ
ЭКСКО
ЭКСМАШ
ЮрМаш
Модель
Не выбрано
CLG 425 (2010)
CLG 777A-S (2010)
CLG-2040H (2045H, 2050HL, 2040H, 2045H, 2050HL) (2016)
CLG-220 (2008)
CLG-225 (2008)
CLG-365A (2012)
CLG-375 (2008)
CLG-375A (2008)
CLG-385A (2008)
CLG-4165 (2015)
CLG-418 (2008)
CLG-4215 (2010)
CLG-612 (2008)
CLG-614 (2010)
CLG-618 (2010)
CLG-626R
CLG-766 (2015)
CLG-766A (2012)
CLG-816G (2012)
CLG-835
CLG-835 (2015)
CLG-835H (2015)
CLG-836 (2015)
CLG-842
CLG-842
CLG-842 (2015)
CLG-855N (2015)
CLG-856 (2015)
CLG-856H (2015)
CLG-856I
CLG-862 (2015)
CLG-877 (2015)
CLG-888 (2015)
CLG-904С (2007)
CLG-915D
CLG-915D
CLG-920D
CLG-920E (2015)
CLG-922D
CLG-922LC
CLG-922LC (2008)
CLG-925 (2015)
CLG-925D (2015)
CLG-933E (2010)
CLG-B160 (2010)
Схема
>
Не выбрано
00Y0401-000-00 ENGINE SYSTEM
40C4215-003-00 COOLING SYSTEM
40C4215-003-01 COOLING SYSTEM
40C4215-003-02 COOLING SYSTEM
40C4215-003-03 COOLING SYSTEM
40C4215-003-04 COOLING SYSTEM
20C1517-000-00 RADIATOR GP
48C2523-001-00 SHROUD AS
55A3392-000-00 BLOCK
40C6165-000-00 ENGINE MOUNTING
40C6165-000-01 ENGINE MOUNTING
40C6166-001-00 FUEL SYSTEM
40C6166-001-01 FUEL SYSTEM
21C0891-000-00 FUEL TANK
21C0739-000-00 TANK COVER AS
21C1118-000-00 FUEL TANK
21C1241-000-00 FUEL TANK
40C3253-000-00 OIL-WATER SEPARATOR
40C7006-000-00 INTAKE AND EXHAUST SYSTEM
40C7006-000-01 INTAKE AND EXHAUST SYSTEM
40C0319-000-00 AIR FILTER AS
15Y0474-000-00 HYDRAULIC SYSTEM
11Y0043-003-00 WORK IMPLEMENT LINES AS
11Y0043-003-01 WORK IMPLEMENT LINES AS
11Y0043-003-02 WORK IMPLEMENT LINES AS
11Y0043-003-03 WORK IMPLEMENT LINES AS
11Y0043-003-04 WORK IMPLEMENT LINES AS
11Y0043-003-05 WORK IMPLEMENT LINES AS
11Y0043-003-06 WORK IMPLEMENT LINES AS
09C1125-001-00 CLAMP
09C1126-001-00 CLAMP
09C1127-000-00 CLAMP
10C1672-000-00 BOOM CYLINDER
10C1673-002-00 ARM CYLINDER
10C1674-000-00 BUCKET CYLINDER
10C1808-000-00 BUCKET CYLINDER AS
10C1918-000-00 ARM CYLINDER AS
10C1919-000-00 BOOM CYLINDER AS-LH
10C3252-000-00 BOOM CYLINDER
10C1920-000-00 BOOM CYLINDER AS-RH
10C3142-000-00 BOOM CYLINDER AS-LH
10C3143-000-00 BOOM CYLINDER AS-RH
10C3144-000-00 ARM CYLINDER AS
10C3672-000-00 ARM CYLINDER
10C3145-000-00 BUCKET CYLINDER AS
10C3673-000-00 BUCKET CYLINDER
12Y0156-000-00 PILOT HYDRAULIC SYSTEM
12Y0156-000-01 PILOT HYDRAULIC SYSTEM
12Y0156-000-02 PILOT HYDRAULIC SYSTEM
12Y0156-000-03 PILOT HYDRAULIC SYSTEM
12Y0156-000-04 PILOT HYDRAULIC SYSTEM
12Y0156-000-05 PILOT HYDRAULIC SYSTEM
12Y0156-000-06 PILOT HYDRAULIC SYSTEM
12Y0156-000-07 PILOT HYDRAULIC SYSTEM
12Y0156-000-08 PILOT HYDRAULIC SYSTEM
12Y0156-000-09 PILOT HYDRAULIC SYSTEM
12Y0156-000-10 PILOT HYDRAULIC SYSTEM
12Y0156-000-11 PILOT HYDRAULIC SYSTEM
12Y0156-000-12 PILOT HYDRAULIC SYSTEM
12Y0156-000-13 PILOT HYDRAULIC SYSTEM
12C0162-000-00 THROTTLING VALVE
12C0163-000-00 THROTTLING VALVE
12C3519-000-00 HAND PILOT VALVE
12C3786-000-00 FOOT PILOT VALVE
12C3939-000-00 PILOT VALVE
12C4749-000-00 SOLENOID VALVE
12C4904-000-00 FOOT PILOT VALVE
12C6002-000-00 SOLENOID VALVE
13Y0073-002-00 TRAVEL HYDRAULIC SYSTEM
13Y0073-002-01 TRAVEL HYDRAULIC SYSTEM
13Y0073-002-02 TRAVEL HYDRAULIC SYSTEM
11C0710-000-00 TRAVEL MOTOR&REDUCTION GEAR
11C0938-001-00 HYDRO-MOTOR
42C0183-000-00 REDUCTION GEAR
42C1525-001-00 REDUCTION GEAR
33C0116-000-00 SWIVEL JOINT
88A0919-000-00 SEAL KIT
15Y0475-001-00 MAIN HYDRAULIC SYSTEM
15Y0475-001-01 MAIN HYDRAULIC SYSTEM
15Y0475-001-02 MAIN HYDRAULIC SYSTEM
15Y0475-001-03 MAIN HYDRAULIC SYSTEM
15Y0475-001-04 MAIN HYDRAULIC SYSTEM
15Y0475-001-05 MAIN HYDRAULIC SYSTEM
15Y0475-001-06 MAIN HYDRAULIC SYSTEM
15Y0475-001-07 MAIN HYDRAULIC SYSTEM
11C1204-000-00 PUMP
11C0590-002-00 PUMP GEAR
11C1570-000-00 MAIN PUMP AS
12C3505-001-00 SOLENOID VALVE
12C3610-000-00 PRESSURE REDUCING VALVE
15C0470-000-00 ADJUSTER
11C1594-000-00 SWING MOTOR AND REDUCTION GEAR
11C1609-000-00 SWING MOTOR
15C0061-000-00 VALVE BLOCK
12C1032-000-00 ANTI-REVERSE VALVE
42C0933-000-00 REDUCTION GEAR
11C2643-000-00 SWING MOTOR & REDUCTION GEAR
11C2656-001-00 SWING MOTOR
42C1788-001-00 REDUCTION GEAR
15C0939-000-00 OIL PIPE AS
12C4117-000-00 MAIN CONTROL VALVE
12C4117-000-01 MAIN CONTROL VALVE
12C4117-000-02 MAIN CONTROL VALVE
12C5502-000-00 MAIN CONTROL VALVE
12C5502-000-01 MAIN CONTROL VALVE
12C5502-000-02 MAIN CONTROL VALVE
21C0908-000-00 HYDRAULIC OIL TANK
44C1997-000-00 RESPIRATOR
53C0627-000-00 SUCTION STRAINER
15Y0690-000-00 MAIN HYDRAULIC SYSTEM
15Y0690-000-01 MAIN HYDRAULIC SYSTEM
15Y0690-000-02 MAIN HYDRAULIC SYSTEM
15Y0690-000-03 MAIN HYDRAULIC SYSTEM
15Y0690-000-04 MAIN HYDRAULIC SYSTEM
15Y0690-000-05 MAIN HYDRAULIC SYSTEM
15Y0690-000-06 MAIN HYDRAULIC SYSTEM
15Y0690-000-07 MAIN HYDRAULIC SYSTEM
15Y1506-000-00 HYDRAULIC SYSTEM
11Y0554-000-00 ATTACHMENT WORK LINES
11Y0554-000-01 ATTACHMENT WORK LINES
11Y0554-000-02 ATTACHMENT WORK LINES
12C2222-000-00 RELIEF VALVE
12Y0353-000-00 ATTACHMENT PILOT LINES
12C0256-001-00 FOOT PILOT VALVE
15Y1089-000-00 ATTACHMENT PLATFORM LINES
32E1211-000-02 EQUIPMENT
00C2156-001-00 GREASE LINES GP
28C0071-000-00 SHIM
28C0072-000-00 SHIM
28C0073-000-00 SHIM
43C2425-000-00 BOOM
43C2426-000-00 ARM
43C2427-000-00 LINK
43C5692-000-00 BOOM
43C5693-000-00 ARM
43C6888-000-00 BOOM
32E1211-001-00 EQUIPMENT
32E1211-001-01 EQUIPMENT
32E1211-001-03 EQUIPMENT
32Y0251-000-00 WORK IMPLEMENT
32Y0251-000-01 WORK IMPLEMENT
32Y0251-000-02 WORK IMPLEMENT
43C4727-000-00 ARM
33Y0126-000-00 UNDERCARRIAGE SYSTEM
25C1276-000-00 TRACK AS
25C1357-000-00 TRACK LINK AS
26B0329-000-00 SWING BEARING
30D1100-000-00 TRACK FRAME
44C0246-000-00 TENSIONER
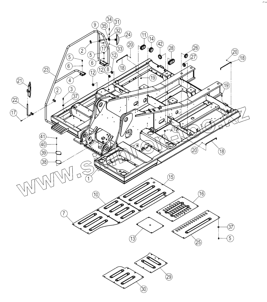
34Y0053-001-00 REVOLVING FRAME AS
43C3970-002-00 BUCKET
41Y0538-000-00 CAB AS
47C0535-000-00 FIRE EXTINGUISHER
47C1897-001-00 CAB (WITH DECORATION)
47C1349-001-00 DECORATION AS
27C0832-000-00 FRIDGE
37C1118-000-00 COVER
37C1250-000-00 COVER
47C2485-000-00 COVER
47C1898-001-00 CAB GP
47C1898-001-01 CAB GP
47C0436-001-00 HAMMER
47C1338-001-00 DOOR GP
47C1341-001-00 WINDOW GP
47C1342-000-00 SIDE DOOR-LH
47C1343-000-00 WINDOW
47C1344-000-00 WINDOW
47C1346-000-00 GLASS
47C1878-001-00 LOCK
47C3396-000-00 FLOOR PLATE AS
47C3121-001-00 SEAT AS
34C1706-002-00 CONSOLE AS-RH
34C1707-001-00 CONSOLE AS-LH
34C2673-000-00 PILOT SHUTOFF LEVER
47C2606-001-00 SEAT
41Y0541-000-00 CAB AS
47C3397-000-00 FLOOR PLATE AS
47C3690-000-00 CAB (WITH DECORATION)
47C3685-000-00 CAB GP
47C3685-000-01 CAB GP
22C0670-000-00 BRACKET-LH
41Y0581-000-00 CAB AS
44Y0208-000-00 ENGINE HOOD AS
44Y0208-000-01 ENGINE HOOD AS
44Y0208-000-02 ENGINE HOOD AS
44Y0208-000-03 ENGINE HOOD AS
27C0835-000-00 COUNTERWEIGHT
27C0845-000-00 TOOL KIT
27C1165-000-00 TOOL KIT
48C2984-000-00 ENGINE HOOD
48C3402-000-00 ENGINE HOOD AS
48C3385-000-00 GRILL
48C3394-000-00 DOOR-LH
48C3395-000-00 DOOR-LH
42D1937-000-00 DOOR-LH
25C0930-000-00 HINGE
48C2650-000-00 DOOR LOCK
48C4219-000-00 DOOR-LH
48C4240-000-00 DOOR-LH
48C3403-000-00 ENGINE HOOD AS
48C3383-000-00 BAFFLE
48C3396-000-00 DOOR-RH
42D1938-000-00 DOOR-RH
48C4218-000-00 DOOR-RH
42D2346-000-00 DOOR-RH
22Y0851-000-00 ELECTRICAL SYSTEM
49C0276-000-00 FRAME WIRING AS
49C0276-000-01 FRAME WIRING AS
49C0276-000-02 FRAME WIRING AS
49C0276-000-03 FRAME WIRING AS
49C0276-000-04 FRAME WIRING AS
08C8048-000-00 FRAME HARNESS
08C8111-000-00 HARNESS
34B0297-000-00 DISCONNECT SWITCH
46C9210-000-00 CONTROL BOX AS
08C6005-000-00 HARNESS
49C5424-000-00 CONTROL BOX AS
46C6549-000-00 RELAY AS
70C1163-000-00 HARNESS
70C1320-000-00 FRAME HARNESS
49C1142-000-00 CONSOLE AS-LH
49C1144-000-00 CONSOLE AS-RH
34B1331-000-00 KEY SWITCH
34C5439-000-00 CONTROL LEVER AS
49C2260-000-00 CAB WIRING AS
49C0115-000-00 FUSE BOX
49C2267-000-00 CONTROLLER GP
49C2268-000-00 INSTRUMENT GP
22Y1462-000-00 ELECTRICAL SYSTEM
49C1054-000-00 TRAVEL ALARM WIRING AS
49C1084-001-00 ROTATING BEACON WIRING AS
49C5134-000-00 FRAME WIRING AS
49C5134-000-01 FRAME WIRING AS
49C5134-000-02 FRAME WIRING AS
49C5134-000-03 FRAME WIRING AS
49C5134-000-04 FRAME WIRING AS
70C0971-000-00 FRAME HARNESS
70C1351-000-00 FRAME HARNESS
49C5135-000-00 111 CAB WIRING AS
49C5139-000-00 LICENCE PLATE LIGHT WIRING
32B0333-000-00 LICENCE LIGHT
70C0974-000-00 HARNESS
49C5159-000-00 CONTROLLER GP
49C5158-000-00 CONTROLLER AS
22Y1485-000-00 ELECTRICAL SYSTEM
49C1194-000-00 SEAT WIRING AS
23E0359-005-00 AIR CONDITIONING SYSTEM
23E0359-005-01 AIR CONDITIONING SYSTEM
23E0359-005-02 AIR CONDITIONING SYSTEM
23E0359-005-03 AIR CONDITIONING SYSTEM
23E0359-005-04 AIR CONDITIONING SYSTEM
37C0698-000-00 AIR DUCT
46C0555-000-00 Ф16 HOSE
46C0752X19-000-00 COMPRESSOR
46C3629-002-00 CONDENSER
46C5189-000-00 EVAPORATOR AS
46C3663-000-00 WATER HOSE
46C6254-000-00 COMPRESSOR BRACKET AS
46C6362-000-00 FILTER COVER
46C6418-000-00 BRACKET
46C8501-000-00 WATER HOSE
47Y0010-000-00 ATTACHMENT
45E0052-000-00 SPARE TOOL
45E0354-000-00 SPARE TOOL
45E0971-000-00 SPARE PARTS
47Y0043-000-00 SPARE PARTS
47Y0043X0-001-00 Accessories
48Y0961-000-00 DECAL GROUP
1
2
2
3
4
5
5
5
6
6
7
8
9
10
11
12
12
12
13
14
15
16
17
17
18
18
18
19
19
19
20
20
20
21
22
23
24
25
26
27
28
29
30
31
32
33
34
35
37
37
38
39
40
41
42
Позиция на иллюстрации
Заводской номер детали
Название детали
1
20D2385
REVOLVING FRAME
2
16А8963
MOUNTING SUPPORT
3
00В0429
BOLT
4
22А8197
PLATE
5
00В0732
BOLT
6
06В0668
WASHER
7
27А2748
BOTTOM PLATE
8
27А2922
PLATE
9
16D1458
ROD
10
27А2747
BOTTOM PLATE
11
83А1398
GROMMET
12
83А0009
RUBBER RING
13
90А2035
BOTTOM PLATE
14
83А1399
GROMMET
15
90А1836
BOTTOM PLATE
16
90А2488
BOTTOM PLATE
17
04В1220
SCREW
18
77А0313
PLATE
19
06В0666
Шайба
20
08В0010
PIN
21
47С0110
Зеркало
22
16D1372
HOLDER
23
41D1111
HANDRAIL
24
47С0612
REARVIEW MIRROR
25
90А1834
BOTTOM PLATE
26
83А0316
GROMMET
27
83А0013
RUBBER RING
28
83А1397
GROMMET
29
27А2746
BOTTOM PLATE
30
27А2745
BOTTOM PLATE
31
06В0671
WASHER
32
06В0006
Шайба
33
03В0661
NUT
34
00В1188
BOLT
35
18А4693
BLOCK
37
06B0667
WASHER
38
82A0196
Шайба
39
12A0520
Крышка
40
06B0002
Шайба
41
00B1142
BOLT
42
83A1630
GROMMET
Содержащиеся в справочниках-каталогах запасные части и детали не предлагаются к продаже, а носят исключительно информационный характер
Дополнительная информация
×
Название:
Номер:
Примечание: