Вернуться на главную
Поиск
Каталоги запчастей к технике
Спецтехника
LiuGong
CLG-915D
12E0237 PILOT HYDRAULIC SYSTEM (J)
Каталог запасных частей к технике: LiuGong CLG-915D. 12E0237 PILOT HYDRAULIC SYSTEM (J)
zoom-in
zoom-out
enlarge
shrink
circle-right
circle-left
file-text2
info
cart
Тип техники
Не выбрано
Легковые автомобили
Грузовые автомобили и прицепы
Автобусы
Сельхозтехника
Спецтехника
Двигатели
Мототехника
Марка
Не выбрано
Ammann
BOMAG
CARMIX
CASE IH
Changlin
ChengGong
Dimex
Doosan
DYNAPAC
Foton
HAMM
Hidromek
Hitachi
Hyundai
JCB
JLG
John Deere
Komatsu
LIEBHERR
LiuGong
Lonking (LongGong)
Luneng
MANITOU
Mitsuber
New Holland
PENGPU
RM-Terex
SANY
SDLG
SEM
Shantui
Shehwa HBXG
Soosan
TIGARBO
VOGELE
Volvo
WAY
WIRTGEN
XCMG
XGMA
Xiamen
YTO
Yuchai
Zoomlion
Автокран
АЗСМ
Алтайлесмаш
Амкодор
АОМЗ
Атек
АТЗ
Балканкар Рекорд
БелАЗ
Беловеж
Борекс
Брянский Арсенал
Булат
ВЭКС
ГАЗ
Геомаш
Гидромаш
Донекс
Дормаш
Дормашина
Дорэлектромаш
ДЭЗ
ЕлАЗ
ЗЗГТ
Ижнефтемаш
Канаш-электрокар
КЗКТ
ККЗ
Клевер
Клинцовский автокрановый завод
КМЗ
КМЗ 1 Мая
Ковровец
Коммаш
Кранэкс
КЭЗ
КЭМЗ
ЛЗА
МАЗ
МЗИК
МЗКМ
МЗКТ
Михневский РМЗ
МоАЗ
Мозырский МЗ
МТЗ
ОЗП
Онежец
ПАО "ТЗА"
ППС Детва
Промтрактор
ПТЗ
Раскат
СпецАгрегат
ТВЭКС
ТТМ
УВЗ
Угличмаш
УЗТМ
ХТЗ
ЧЗКМ
ЧСДМ
ЧТЗ
ЭКСКО
ЭКСМАШ
ЮрМаш
Модель
Не выбрано
CLG 425 (2010)
CLG 777A-S (2010)
CLG-2040H (2045H, 2050HL, 2040H, 2045H, 2050HL) (2016)
CLG-220 (2008)
CLG-225 (2008)
CLG-365A (2012)
CLG-375 (2008)
CLG-375A (2008)
CLG-385A (2008)
CLG-4165 (2015)
CLG-418 (2008)
CLG-4215 (2010)
CLG-612 (2008)
CLG-614 (2010)
CLG-618 (2010)
CLG-626R
CLG-766 (2015)
CLG-766A (2012)
CLG-816G (2012)
CLG-835
CLG-835 (2015)
CLG-835H (2015)
CLG-836 (2015)
CLG-842
CLG-842
CLG-842 (2015)
CLG-855N (2015)
CLG-856 (2015)
CLG-856H (2015)
CLG-856I
CLG-862 (2015)
CLG-877 (2015)
CLG-888 (2015)
CLG-904С (2007)
CLG-915D
CLG-915D
CLG-920D
CLG-920E (2015)
CLG-922D
CLG-922LC
CLG-922LC (2008)
CLG-925 (2015)
CLG-925D (2015)
CLG-933E (2010)
CLG-B160 (2010)
Схема
>
Не выбрано
45E1153 004 DECAL GROUP
45E1153-1 000 DECAL GROUP
34E0133 001 REVOLVING FRAME AS
00E0931 000 ENGINE SYSTEM
40С2106 001 INTAKE AND EXHAUST SYSTEM
40C2106 INTAKE AND EXHAUST SYSTEM(A)
40C2106 INTAKE AND EXHAUST SYSTEM (B)
40C2107 006 COOLING SYSTEM
40С2107 COOLING SYSTEM (A)
40C2107 COOLING SYSTEM (B)
40C2107 COOLING SYSTEM (C)
20С0758 002 RADIATOR GP
20C0758 RADIATOR GP (A)
20C0758 RADIATOR GP (B)
20С1031 004 RADIATOR GP
RADIATOR GP (A)
20C1031 RADIATOR GP (B)
20С1031 RADIATOR GP (C)
40C2105 001 ENGINE MOUNTING
40С2105 ENGINE MOUNTING (A)
40С2105 ENGINE MOUNTING (B)
40C1588 003 DIESEL ENGINE
40C3092 003 FUEL SYSTEM
40C3092 FUEL SYSTEM (A)
40С3092 FUEL SYSTEM (B)
21C0563 002 FUEL TANK
15Y0007 000 HYDRAULIC SYSTEM
15Y0008 000 HYDRAULIC SYSTEM
15Y0008-1 000 HYDRAULIC SYSTEM
15Y0031 000 HYDRAULIC SYSTEM
15Y0032 000 HYDRAULIC SYSTEM
15Y0042 000 HYDRAULIC SYSTEM
11Y0007 000 ATTACHMENT WORK LINES
11Y0007 ATTACHMENT WORK LINES (A)
11Y0007 ATTACHMENT WORK LINES (B)
11Y0006 002 WORK IMPLEMENT LINES AS
11Y0006 WORK IMPLEMENT LINES AS (A)
11Y0006 WORK IMPLEMENT LINES AS (B)
11Y0006 WORK IMPLEMENT LINES AS (C)
11Y0006 WORK IMPLEMENT LINES AS (D)
11Y0009 001 WORK IMPLEMENT LINES AS
11Y0009 WORK IMPLEMENT LINES AS (A)
11Y0009 WORK IMPLEMENT LINES AS (B)
11Y0009 WORK IMPLEMENT LINES AS (C)
11Y0009 WORK IMPLEMENT LINES AS (D)
11Y0022 002 WORK IMPLEMENT LINES AS
11Y0022 WORK IMPLEMENT LINES AS (A)
11Y0022 WORK IMPLEMENT LINES AS (B)
11Y0022 WORK IMPLEMENT LINES AS (C)
11Y0022 WORK IMPLEMENT LINES AS (D)
11Y0022 WORK IMPLEMENT LINES AS (E)
11Y0022 WORK IMPLEMENT LINES AS (F)
11Y0022 WORK IMPLEMENT LINES AS (G)
10С1847 001 BOOM CYLINDER-LH
10C1847 BOOM CYLINDER-LH (A)
10С1847 BOOM CYLINDER-LH (B)
88A1060 000 SEAL KIT
10С1848 001 BOOM CYLINDER-RH
10C1848 BOOM CYLINDER AS-RH (A)
10C1848 BOOM CYLINDER AS-RH (B)
10С2442 000 BOOM CYLINDER-LH
10С2442 BOOM CYLINDER-LH (A)
10C2442 BOOM CYLINDER-LH (B)
10С2443 000 BOOM CYLINDER-RH
10С2443 BOOM CYLINDER-RH (A)
10C2443 BOOM CYLINDER-RH (B)
12E0164 011 PILOT HYDRAULIC SYSTEM
12E0164 PILOT HYDRAULIC SYSTEM (A)
12E0164 PILOT HYDRAULIC SYSTEM (B)
12E0164 PILOT HYDRAULIC SYSTEM (C)
12E0164 PILOT HYDRAULIC SYSTEM (D)
12E0164 PILOT HYDRAULIC SYSTEM (E)
12E0164 PILOT HYDRAULIC SYSTEM (F)
12E0164 PILOT HYDRAULIC SYSTEM (G)
12E0164 PILOT HYDRAULIC SYSTEM (H)
12E0164 PILOT HYDRAULIC SYSTEM (I)
12E0164 PILOT HYDRAULIC SYSTEM (J)
12E0164 PILOT HYDRAULIC SYSTEM (K)
12E0164 PILOT HYDRAULIC SYSTEM (L)
12E0287 004 PILOT HYDRAULIC SYSTEM
12E0287 PILOT HYDRAULIC SYSTEM (A)
12E0287 PILOT HYDRAULIC SYSTEM (B)
12E0287 PILOT HYDRAULIC SYSTEM (C)
12E0287 PILOT HYDRAULIC SYSTEM (D)
12E0287 PILOT HYDRAULIC SYSTEM (E)
12E0287 PILOT HYDRAULIC SYSTEM (F)
12E0287 PILOT HYDRAULIC SYSTEM (G)
12E0287 PILOT HYDRAULIC SYSTEM (H)
12E0287 PILOT HYDRAULIC SYSTEM (I)
12E0287 PILOT HYDRAULIC SYSTEM (J)
12E0287 PILOT HYDRAULIC SYSTEM (K)
12E0287 PILOT HYDRAULIC SYSTEM (L)
12E0187 008 PILOT HYDRAULIC SYSTEM
12E0187 PILOT HYDRAULIC SYSTEM (A)
12E0187 PILOT HYDRAULIC SYSTEM (B)
12E0187 PILOT HYDRAULIC SYSTEM (C)
12E0187 PILOT HYDRAULIC SYSTEM (D)
12E0187 PILOT HYDRAULIC SYSTEM (E)
12E0187 PILOT HYDRAULIC SYSTEM (F)
12E0187 PILOT HYDRAULIC SYSTEM (G)
12E0187 PILOT HYDRAULIC SYSTEM (H)
12E0187 PILOT HYDRAULIC SYSTEM (I)
12E0187 PILOT HYDRAULIC SYSTEM (J)
12E0187 PILOT HYDRAULIC SYSTEM (K)
12E0187 PILOT HYDRAULIC SYSTEM (L)
12E0237 003 PILOT HYDRAULIC SYSTEM
12E0237 PILOT HYDRAULIC SYSTEM (A)
12E0237 PILOT HYDRAULIC SYSTEM (B)
12E0237 PILOT HYDRAULIC SYSTEM (C)
12E0237 PILOT HYDRAULIC SYSTEM (D)
12Е0237 PILOT HYDRAULIC SYSTEM (E)
12E0237 PILOT HYDRAULIC SYSTEM (F)
12E0237 PILOT HYDRAULIC SYSTEM (G)
12Е0237 PILOT HYDRAULIC SYSTEM (H)
12E0237 PILOT HYDRAULIC SYSTEM (I)
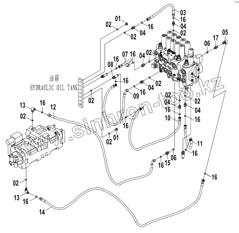
12E0237 PILOT HYDRAULIC SYSTEM (J)
12ЕО237 PILOT HYDRAULIC SYSTEM (K)
12E0237 PILOT HYDRAULIC SYSTEM (L)
12E0287-1 PILOT HYDRAULIC SYSTEM
12E0287-1 PILOT HYDRAULIC SYSTEM (A)
12E0287-1 PILOT HYDRAULIC SYSTEM (B)
12E0278-1 PILOT HYDRAULIC SYSTEM (C)
12Е0278-1 PILOT HYDRAULIC SYSTEM (D)
12Е0278-1 PILOT HYDRAULIC SYSTEM (E)
12Е0278-1 PILOT HYDRAULIC SYSTEM (F)
12E0287-1 PILOT HYDRAULIC SYSTEM (G)
12E0287-1 PILOT HYDRAULIC SYSTEM (H)
12E0287-1 PILOT HYDRAULIC SYSTEM (I)
12E0287-1 PILOT HYDRAULIC SYSTEM (J)
12E0287-1 PILOT HYDRAULIC SYSTEM (K)
12E0287-1 PILOT HYDRAULIC SYSTEM (L)
12C1560 002 SIGNAL VALVE
12C1567 001 PILOT VALVE GP
15E0665 008 MAIN HYDRAULIC SYSTEM
15E0665 MAIN HYDRAULIC SYSTEM (A)
15E0665 MAIN HYDRAULIC SYSTEM (B)
15E0665 MAIN HYDRAULIC SYSTEM (C)
15E0665 MAIN HYDRAULIC SYSTEM (D)
15E0665 MAIN HYDRAULIC SYSTEM (E)
15E0665 MAIN HYDRAULIC SYSTEM (F)
15E0665 MAIN HYDRAULIC SYSTEM (G)
15E1187 003 MAIN HYDRAULIC SYSTEM
15E1187 MAIN HYDRAULIC SYSTEM (A)
15E1187 MAIN HYDRAULIC SYSTEM (B)
15E1187 MAIN HYDRAULIC SYSTEM (C)
15E1187 MAIN HYDRAULIC SYSTEM (D)
15E1187 MAIN HYDRAULIC SYSTEM (E)
15E1187 MAIN HYDRAULIC SYSTEM (F)
15E1187 MAIN HYDRAULIC SYSTEM (G)
15E0817 007 MAIN HYDRAULIC SYSTEM
15E0817 MAIN HYDRAULIC SYSTEM (A)
15E0817 MAIN HYDRAULIC SYSTEM (B)
15E0817 MAIN HYDRAULIC SYSTEM (C)
15E0817 MAIN HYDRAULIC SYSTEM (D)
15Е0817 MAIN HYDRAULIC SYSTEM (E)
15E0817 MAIN HYDRAULIC SYSTEM (F)
15E0817 MAIN HYDRAULIC SYSTEM (G)
12C1735 001 MAIN CONTROL VALVE
12C1735 001 MAIN CONTROL VALVE
12C1735 001 MAIN CONTROL VALVE
11C1016 001 PUMP
12C2909 000 PRESSURE REDUCING VALVE
15C0361 000 REGULATOR
11C0580 002 MAIN PUMP AS
21C0429 001 HYDRAULIC OIL TANK
21C0524 004 HYDRAULIC OIL TANK
11C1095 001 SWING MOTOR
11C1191 001 SWING MOTOR
41C1096 000 REDUCTION GEAR
15E0697 004 ATTACHMENT PLATFORM LINES
15E0818 002 ATTACHMENT PLATFORM LINES
13E0076 001 TRAVEL HYDRAULIC SYSTEM
12C0240 001 ROTARY CONNECTION
11C0347 001 TRAVEL MOTOR
42C0278 001 REDUCTION GEAR
11C0787 000 MOTOR
88A0859 000 SEAL KIT
12Е0123 001 ATTACHMENT PILOT LINES
12Е0189 000 ATTACHMENT PILOT LINES
12C0256 001 FOOT PILOT VALVE
12Y0011 000 QUICK COUPLER WIRING AS
12Y0011 QUICK COUPLER WIRING AS (A)
12Y0011 QUICK COUPLER WIRING AS (B)
12Y0011 QUICK COUPLER WIRING AS (C)
12Y0011 QUICK COUPLER WIRING AS (D)
22Y0117 000 ELECTRICAL SYSTEM
22Y0118 001 ELECTRICAL SYSTEM
22Y0151 001 ELECTRICAL SYSTEM
46C8205 003 FRAME WIRING AS
46C8205 FRAME WIRING AS (A)
46C8205 FRAME WIRING AS (B)
46С8205 FRAME WIRING AS (C)
46C8205 FRAME WIRING AS (D)
46С8205 FRAME WIRING AS (E)
46C8205 FRAME WIRING AS (F)
46C8205 FRAME WIRING AS (G)
46C7591 000 ELECTRICAL BOX AS
46С8204 000 CAB WIRING AS
46С8204 CAB WIRING AS (A)
46С8204 CAB WIRING AS (B)
46С8204 CAB WIRING AS (C)
46C8204 CAB WIRING AS (D)
46C8204 CAB WIRING AS (E)
46C7524 000 FLOOR PLATE WIRING AS
46С8206 001 ENGINE WIRING AS
46С8206 ENGINE WIRING AS (A)
46С8206 ENGINE WIRING AS (B)
46С8206 ENGINE WIRING AS (C)
46C7641 000 GPS WIRING AS
46C5649 000 ROTATING BEACON WIRING AS
46C5400 000 TRAVEL ALARM WIRING AS
46C8472 001 REVOLVING ALARM WIRING AS
34B0297 002 DISCONNECT SWITCH
46C7591 000 ELECTRICAL BOX AS
23E0311 007 AIR CONDITIONING SYSTEM
23Е0311 AIR CONDITIONING SYSTEM (A)
23E0311 AIR CONDITIONING SYSTEM (B)
23E0311 AIR CONDITIONING SYSTEM (C)
23Е0311 AIR CONDITIONING SYSTEM (D)
23E0311 AIR CONDITIONING SYSTEM (E)
23E0311 AIR CONDITIONING SYSTEM (F)
46C5189 000 EVAPORATOR AS
46C3616 001 MOUNTING BRACKET
46C5028 000 COMPRESSOR BRACKET AS
46C3629 001 CONDENSER
32E1033 004 WORK IMPLEMENT SYSTEM
32E1033 WORK IMPLEMENT SYSTEM (A)
32E1033 WORK IMPLEMENT SYSTEM (B)
32E1033 WORK IMPLEMENT SYSTEM (C)
32E1322 002 EQUIPMENT
32Е1322 EQUIPMENT (A)
32E1322 EQUIPMENT (B)
32E1322 EQUIPMENT (C)
32Y0001 000 WORK IMPLEMENT SYSTEM
32Y0001 WORK IMPLEMENT SYSTEM (A)
32Y0001 WORK IMPLEMENT SYSTEM (B)
32Y0001 WORK IMPLEMENT SYSTEM (C)
43C1873 000 BOOM
43C3921 000 BOOM
00C1689 000 GREASE LINES GP
00C2551 000 GREASE LINES GP
43C1542 001 ARM
43C2634 000 ARM
24C0655 001 LINK
43C3463 000 BUCKET
43C3470 000 BUCKET
33E0110 001 UNDERCARRIAGE SYSTEM
33Е0110 (А) TRACK FRAME
33E0110 (B) SWING BEARING
33E0110 (C) LOWER ROLLER
33E0110 (D) IDLER AS
33E0110 (E) IDLER AS
33E0110 (F) SPROCKET
33E0146 001 UNDERCARRIAGE SYSTEM
33Е0146 (А) TRACK FRAME
33E0146 (B) SWING BEARING
33E0146 (C) LOWER ROLLER
33E0146 (D) CARRIER ROLLER
33E0146 (E) INDLER AS
33E0146 (F) SPROCKET
33E0173 002 UNDERCARRIAGE SYSTEM
33Е0173 (А) TRACK FRAME
33E0173 (B) SWING BEARING
33E0173 LOWER ROLLER
33E0173 (D) CARRIER ROLLER
33E0173 (E) INDLER AS
33E0173 (F) SPROCKET
25C0091 000 TRACK AS
44C0203 001 TENSIONER
41E0493 001 CAB AS
41E0592 000 CAB AS
47C1491 000 CAB (WITH ECORATION & GUARD)
47C1497 000 CAB (WITH DECORATION)
47C1498 000 CABIN ASSY
47C1498 CABIN ASSY (A)
47C1498 CABIN ASSY (B)
47C1498 CABIN ASSY (C)
47C1498 CABIN ASSY (D)
47C1498 CABIN ASSY (E)
47C1154 001 DECORATION AS
47C1316 003 FLOOR PLATE AS
47C1850 003 FLOOR PLATE AS
47C2023 001 FLOOR PLATE AS
47C1074 002 SEAT AS
47С1669 000 SEAT AS
34C1389 001 CONSOLE AS-RH
34C1388 001 CONSOLE AS-LH
47C1048 002 SEAT
44E0357 006 ENGINE HOOD AS
44Е0357 ENGINE HOOD AS (A)
44E0357 ENGINE HOOD AS (B)
44E0357 ENGINE HOOD AS (C)
44E0357 ENGINE HOOD AS (D)
44E0357 ENGINE HOOD AS (E)
44E0357 ENGINE HOOD AS (F)
48C1177 000 DOOR-RH
48С1176 000 SIDE DOOR-LH
27C0277 000 TOOL KIT
48C1244 002 ENGINE HOOD
47E0471 002 ATTACHMENT AND OIL SPECIFICATION
47E0576 000 ATTACHMENT AND OIL SPECIFICATION
1
1
2
2
2
2
2
2
2
2
2
2
2
3
4
4
4
4
4
4
5
6
6
7
8
9
10
11
12
13
13
14
15
16
16
16
16
16
16
16
16
16
16
16
16
16
16
17
Позиция на иллюстрации
Заводской номер детали
Название детали
1
05A0075
Пробка
2
12B0428
Кольцо круглого сечения
3
05C3181
HOSE AS
4
00A3491
Connector
5
31C0559
Connector
6
12B0429
Кольцо круглого сечения
7
05C3141
Hose as
8
32C0408
Tee
9
05C3210
HOSE AS
10
05C3139
Hose as
11
05C3136
Hose as
12
05C3174
Hose as
13
31C0558
Connector
14
05C3209
Hose as
15
00A3498
Connector
16
12B1406
O-ring
17
00A1168
CONNECTOR
Содержащиеся в справочниках-каталогах запасные части и детали не предлагаются к продаже, а носят исключительно информационный характер
Дополнительная информация
×
Название:
Номер:
Примечание: