Каталог запасных частей к технике: LiuGong CLG-904С. DOZER
43С0279
1
2
2
3
3
3
3
4
4
4
4
4
4
5
5
5
5
6
6
7
7
7
7
8
8
8
8
8
9
9
9
10
10
11
11
12
12
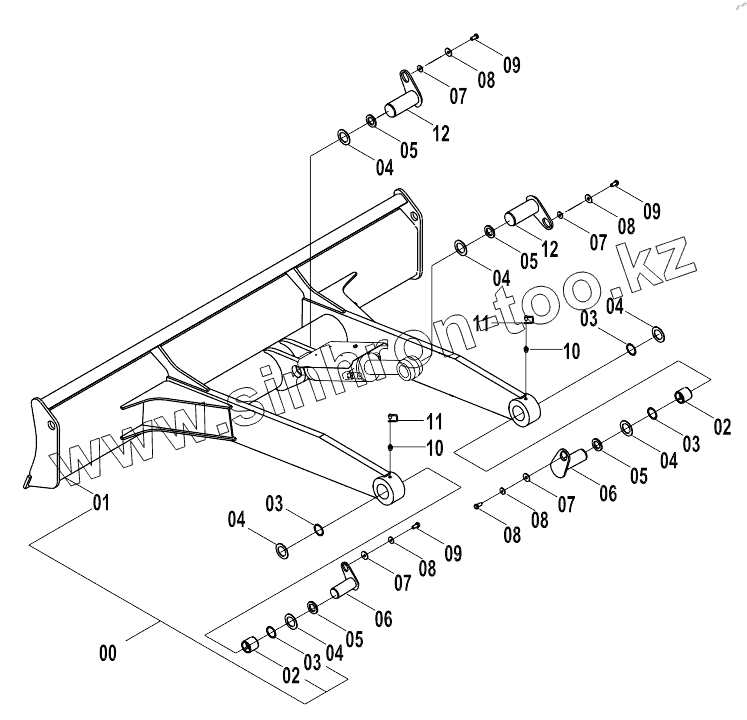
| Позиция на иллюстрации | Заводской номер детали | Название детали | |
|---|---|---|---|
| 43С0279 | 43С0279 | DOZER | |
| 1 | 22D0271 | DOZER | |
| 2 | 55А0719 | STEER SLEEVE | |
| 3 | 13В0291 | DUST RING | |
| 4 | 28С0033 | WASHER | |
| 5 | 14А3632 | PLATE | |
| 6 | 11D0398 | PIN | |
| 7 | 06В0059 | Washer | |
| 8 | 06В0007 | Шайба | |
| 9 | 00В0031 | Болт | |
| 10 | 10В0014 | Ниппель | |
| 11 | 86А0258 | BOOT | |
| 12 | 11D0397 | PIN |
Содержащиеся в справочниках-каталогах запасные части и детали не предлагаются к продаже, а носят исключительно информационный характер