Вернуться на главную
Поиск
Каталоги запчастей к технике
Спецтехника
LiuGong
CLG-856H
01Y0232-000-00 REAR AXLE AS
Каталог запасных частей к технике: LiuGong CLG-856H. 01Y0232-000-00 REAR AXLE AS
zoom-in
zoom-out
enlarge
shrink
circle-right
circle-left
file-text2
info
cart
Тип техники
Не выбрано
Легковые автомобили
Грузовые автомобили и прицепы
Автобусы
Сельхозтехника
Спецтехника
Двигатели
Мототехника
Марка
Не выбрано
Ammann
BOMAG
CARMIX
CASE IH
Changlin
ChengGong
Dimex
Doosan
DYNAPAC
Foton
HAMM
Hidromek
Hitachi
Hyundai
JCB
JLG
John Deere
Komatsu
LIEBHERR
LiuGong
Lonking (LongGong)
Luneng
MANITOU
Mitsuber
New Holland
PENGPU
RM-Terex
SANY
SDLG
SEM
Shantui
Shehwa HBXG
Soosan
TIGARBO
VOGELE
Volvo
WAY
WIRTGEN
XCMG
XGMA
Xiamen
YTO
Yuchai
Zoomlion
Автокран
АЗСМ
Алтайлесмаш
Амкодор
АОМЗ
Атек
АТЗ
Балканкар Рекорд
БелАЗ
Беловеж
Борекс
Брянский Арсенал
Булат
ВЭКС
ГАЗ
Геомаш
Гидромаш
Донекс
Дормаш
Дормашина
Дорэлектромаш
ДЭЗ
ЕлАЗ
ЗЗГТ
Ижнефтемаш
Канаш-электрокар
КЗКТ
ККЗ
Клевер
Клинцовский автокрановый завод
КМЗ
КМЗ 1 Мая
Ковровец
Коммаш
Кранэкс
КЭЗ
КЭМЗ
ЛЗА
МАЗ
МЗИК
МЗКМ
МЗКТ
Михневский РМЗ
МоАЗ
Мозырский МЗ
МТЗ
ОЗП
Онежец
ПАО "ТЗА"
ППС Детва
Промтрактор
ПТЗ
Раскат
СпецАгрегат
ТВЭКС
ТТМ
УВЗ
Угличмаш
УЗТМ
ХТЗ
ЧЗКМ
ЧСДМ
ЧТЗ
ЭКСКО
ЭКСМАШ
ЮрМаш
Модель
Не выбрано
CLG 425 (2010)
CLG 777A-S (2010)
CLG-2040H (2045H, 2050HL, 2040H, 2045H, 2050HL) (2016)
CLG-220 (2008)
CLG-225 (2008)
CLG-365A (2012)
CLG-375 (2008)
CLG-375A (2008)
CLG-385A (2008)
CLG-4165 (2015)
CLG-418 (2008)
CLG-4215 (2010)
CLG-612 (2008)
CLG-614 (2010)
CLG-618 (2010)
CLG-626R
CLG-766 (2015)
CLG-766A (2012)
CLG-816G (2012)
CLG-835
CLG-835 (2015)
CLG-835H (2015)
CLG-836 (2015)
CLG-842
CLG-842
CLG-842 (2015)
CLG-855N (2015)
CLG-856 (2015)
CLG-856H (2015)
CLG-856I
CLG-862 (2015)
CLG-877 (2015)
CLG-888 (2015)
CLG-904С (2007)
CLG-915D
CLG-915D
CLG-920D
CLG-920E (2015)
CLG-922D
CLG-922LC
CLG-922LC (2008)
CLG-925 (2015)
CLG-925D (2015)
CLG-933E (2010)
CLG-B160 (2010)
Схема
>
Не выбрано
00Y0305-000-00 ENGINE SYSTEM
40C5496-000-00 THROTTLE CONTROL SYSTEM
40C5497-000-00 THROTTLE CONTROL SYSTEM
40C5748-001-00 INTAKE AND EXHAUST AS
34C3200-001-00 LINE GP
40C3739-000-00 AIR FILTER
40C5760-000-00 FUEL LINES
40C5782-000-00 ENGINE MOUNTING
SP139717-000-00 THERMOSTAT
SP139720-000-00 ALTERNATOR
SP139744-001-00 FUEL TRANSFER PUMP
SP139748-000-00 FUEL SHUTOFF VALVE
SP139769-000-00 FULL FLOW OIL FILTER
SP139775-000-00 LUBRICATING OIL PUMP
SP139809-000-00 STARTING MOTOR
SP139821-001-00 CORROSION RESISTOR LOCATION
SP139830-000-00 WATER PUMP
SP139831-000-00 BELT TENSIONER
SP140052-000-00 FUEL FILTER LOCATION
SP140054-000-00 FUEL PUMP
SP140066-000-00 TURBOCHARGER
SP140072-000-00 WATER PUMP DRIVE
00Y0311-000-00 ENGINE SYSTEM
40C5291-000-00 ENGINE MOUNTING
40C5752-001-00 RADIATOR MOUNTING
20C1905-000-00 RADIATOR GP
40C5761-000-00 COOLER LINES
00Y0729-000-00 ENGINE SYSTEM
40C9290-000-00 INTAKE AND EXHAUST AS
40C5459-000-00 FUEL TANK AS
40C5459X0-001-00 FUEL TANK AS
16C0004-001-00 BREATHER CAP
10Y0049-000-00 STEERING HYDRAULIC SYSTEM
00C3640-000-00 STEERING VALVE LINES
00C3635-000-00 STEERING VALVE LINES
00C3636-000-00 FLOW AMPLIFYING VALVE LINES
00C3638-001-00 STEERING CONTROL LINES
00C3683-000-00 UNLOAD VALVE LINES
12C4221-000-00 FLOW AMPLIFYING VALVE AS
12C3034-000-00 STEERING VALVE
10C1768-001-00 STEERING CYLINDER
10Y0053-001-00 STEERING HYDRAULIC SYSTEM
00C3646-001-00 STEERING CYLINDER LINES
00C3672-000-00 STEERING VALVE LINES
12C4253-000-00 METERING PUMP
44C0183-000-00 METERING PUMP MOUNTING
00C3674-001-00 FLOW AMPLIFYING VALVE LINES
12C4252-001-00 FLOW AMPLIFYING VALVE AS
00C3675-000-00 CONTROL HYDRAULIC LINES
12C4439-000-00 CONTRAL VALVE MOUNTING
12C3695-001-00 CONTROL VALVE
00C4329-000-00 STEERING VALVE LINES
11Y0200-000-00 WORK HYDRAULIC SYSTEM
00C3630-001-00 PILOT VALVE and LINES
12C3629-001-00 PILOT VALVE
12C4223-001-00 SHUTTLE VALVE
12C4244-000-00 PILOT OIL SUPPLY VALVE AS
12C1555-000-00 PILOT OIL SUPPLY VALVE
12C5283-000-00 PILOT VALVE MOUNTING AS
53C0866-000-00 SECONDARY FILTER AS
00C3651-001-00 COOLER LINES
00C3652-001-00 DRAIN LINES
00C3679-001-00 CONTROL VALVE and LINES
00C2722-001-00 BOOM CYLINDER LINES
00C3665-000-00 TILTING CYLINDER LINES
00C3832-001-00 CONTROL VALVE LINES
12C4235-000-00 CONTROL VALVE AS
12C5270-000-00 OVERLOAD VALVE
00C4058-000-00 DRAIN LINES
10C1752-000-00 BOOM CYLINDER
10C1752X0-000-00 BOOM CYLINDER
10C1753-000-00 BUCKET TILTING CYLINDER
10C1753X0-000-00 BUCKET TILTING CYLINDER
10C2928-000-00 BUCKET TILTING CYLINDER
21C0805-001-00 HYDRAULIC OIL TANK
21C0805X0-000-00 HYDRAULIC OIL TANK
21C0909-000-00 HYDRAULIC OIL TANK
21C0909X0-000-00 HYDRAULIC OIL TANK
44C2008-003-00 PUMP AS
11Y0211-000-00 WORK HYDRAULIC SYSTEM
00C3643-000-00 CONTROL VALVE and LINES
00C3642-001-00 CONTROL VALVE LINES
12C3605-000-00 CONTROL VALVE AS
00C3645-001-00 PILOT VALVE and LINES
12C4238-000-00 PILOT OIL SUPPLY VALVE AS
44C2019-000-00 BLOCK
53C0858-000-00 SECONDARY FILTER AS
00C3648-000-00 COOLER LINES
00C4756-000-00 PILOT LINES
44C2016-002-00 PUMP AS
11Y0520-000-00 WORK HYDRAULIC SYSTEM
00C4828-000-00 CONTROL VALVE and LINES
00C4829-000-00 CONTROL VALVE LINES
00C4831-000-00 SIDE DUMP CYLINDER LINES
12C3037-001-00 CONTROL VALVE AS
00C4830-000-00 PILOT LINES
12C5450-000-00 PILOT VALVE MOUNTING AS
22C2256-000-00 LEVER LOCK
01E0292-001-00 TYRE and RIM AS
01Y0104-000-00 FRONT AXLE AS
01Y0104X0-000-00 FRONT AXLE AS
00C3680-000-00 FRONT AXLE BRAKE LINES
01E0454-003-00 FROMT AXLE
24D0203-000-00 SPINDLE
24D0203X1-000-00 SPINDLE
41C0002X1A-001-00 BEVEL GEAR
34C0002X1-001-00 CARRIER AS
44C0019-000-00 LOCK BOLT
57A0024-000-00 SHIM
57A0027-000-00 SHIM
45C0005-002-00 CLAMP AS
45C0566X1-001-00 CLAMP AS
45C0632X1-001-00 CLAMP AS
01Y0105-000-00 REAR AXLE AS
01Y0105X0-000-00 REAR AXLE AS
00C3681-000-00 REAR AXLE BRAKE LINES
01Y0036-000-00 REAR AXLE AS
01Y0036-000-01 REAR AXLE AS
24D0282-000-00 AXLE HOUSING and SPINDLE GP
41C0574X1-000-00 REAR AXLE BEVEL GEAR
41C0197X1-000-00 CARRIER AS
01Y0231-000-00 FRONT AXLE AS
00C4546-000-00 FRONT AXLE BRAKE LINES
01Y0045-000-00 FRONT AXLE AS
34C2982-000-00 AXLE HOUSING AS
24D0285-000-00 SPINDLE WELDMENT
41C1616-000-00 AXLE OUTPUT AS
41C2006-000-00 AXLE HOUSING and INSERT AS
24D0349-000-00 SPINDLE WELDMENT
41C1605-000-00 AXLE INSERT AS
41C1578-000-00 INPUT FLANGE
41C1610-000-00 AXLE DRIVE HOUSING AS
34C2984-000-00 AXLE DRIVE HOUSING
41C1612-000-00 OPEN DIFFERENTIAL
41C2282-000-00 AXLE OUTPUT AS
45C0638-000-00 BRAKE
45C0703-000-00 CLAMP AS
45C0704-000-00 CLAMP AS
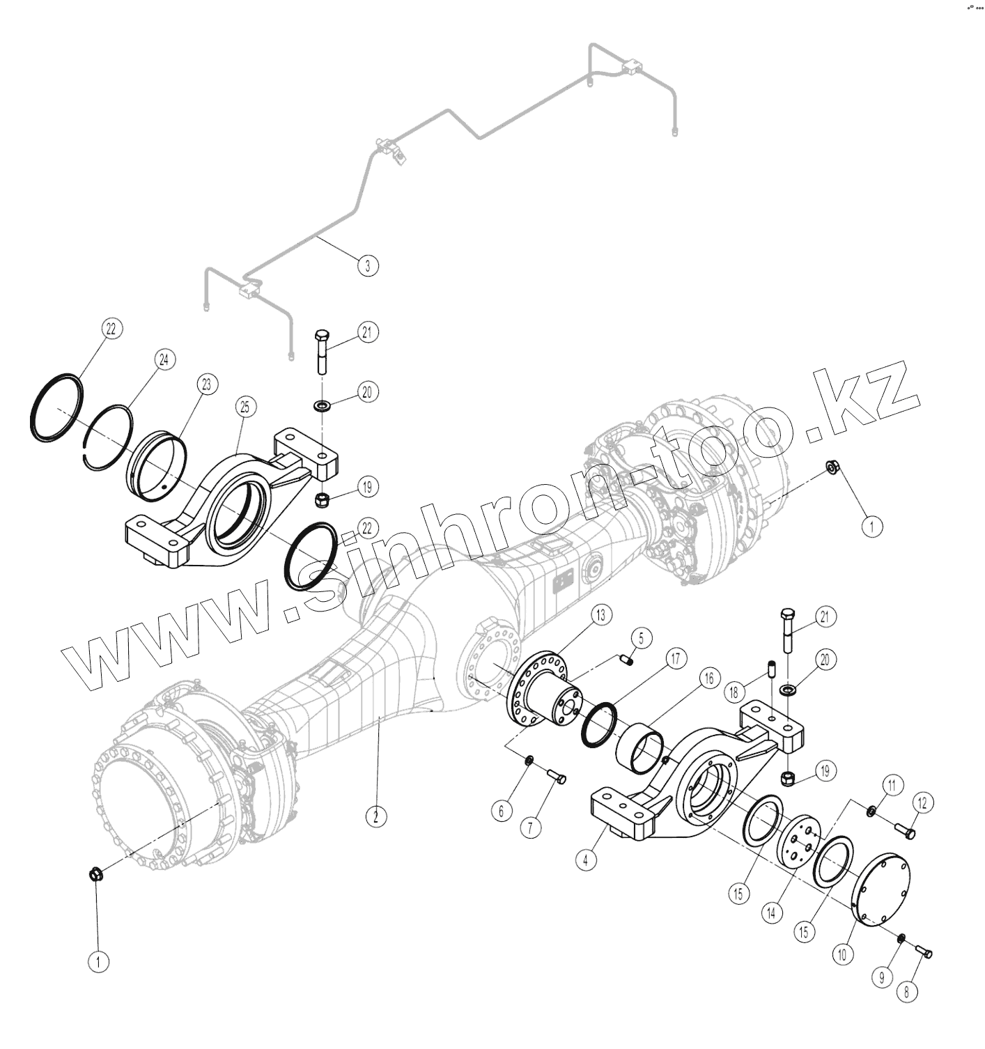
01Y0232-000-00 REAR AXLE AS
00C4547-000-00 REAR AXLE BRAKE LINES
01Y0047-000-00 REAR AXLE AS
41C1609-000-00 AXLE OUTPUT AS
41C2008-000-00 AXLE HOUSING and INSERT AS
41C1608-000-00 AXLE INSERT AS
41C1579-000-00 INPUT FLANGE
41C1611-000-00 AXLE DRIVE HOUSING AS
34C2985-000-00 AXLE DRIVE HOUSING
41C2281-000-00 AXLE OUTPUT AS
01Y0291-000-00 FRONT AXLE AS
00C4341-000-00 FRONT AXLE BRAKE LINES
01Y0060-000-00 FRONT AXLE
24D0252-000-00 SPINDLE
41C1735-001-00 RONT AXLE BEVEL GEAR
03Y0021-001-00 SUPPORT and DRIVE SHAFT SYSTEM
03Y0053-000-00 SUPPORT and DRIVE SHAFT SYSTEM
05Y0106-001-00 GEARBOX and TORQUE CONVERTER AS
00C3676-001-00 FILTER LINES AS
07C5472-000-00 HOSE AS
07C5473-000-00 HOSE AS
00C3677-001-00 COOLER LINES AS
07C5474-000-00 HOSE AS
07C5475-000-00 HOSE AS
07C5476-000-00 HOSE AS
07C5477-000-00 HOSE AS
00C4013-000-00 FILTER LINES AS
07C5950-000-00 HOSE AS
07C5951-000-00 HOSE AS
SP100411-000-00 CONTROL VALVE
SP116331-000-00 INPUT DEVICE
26Y0029-000-00 TYRE and RIM AS
26Y0030-000-00 TYRE and RIM AS
00C3618-001-00 ASSISTOR and LINES
13C0732-000-00 ASSISTOR
00C3619-000-00 BRAKE VALVE and LINES
13C0738-001-00 BRAKE VALVE AS
00C3620-000-00 AIR RESERVOIR and LINES
13C0734-001-00 AIR RESERVOIR
00C3621-000-00 ASSISTOR and LINES
13C0560-001-00 ASSISTOR
00C3843-000-00 AIR COMPRESSOR LINES
13C0758-000-00 COMBINATION VALVE
33C0220-000-00 JOINT
21Y0040-001-00 PARKING BRAKE SYSTEM
45C0705-000-00 HAND BRAKE
46C4324-000-00 SWITCH
08Y0164-001-00 FRONT FRAME AS
30D1944-000-00 FRONT FRAME
08Y0168-002-00 REAR FRAME AS
30D1950-000-00 REAR FRAME
08Y0386-000-00 FRONT FRAME AS
08Y0436-000-00 FRONT FRAME AS
08Y0552-000-00 FRONT FRAME AS
32E1378-002-00 (3.0m3) BUCKET GP
22D0803-000-00 BUCKET
32E1394-000-00 (3.3m3) BUCKET GP
22D0808-000-00 BUCKET
43C2798-000-00 TOOTH GP
32Y0199-000-00 WORK IMPLEMENT
24C1927-000-00 LEVER
24C1928-000-00 LINKAGE
24C1930-000-00 BOOM
32Y0204-000-00 WORK IMPLEMENT LIMIT SYSTEM
32Y0515-000-00 LOADER EQUIPMENT
24C2405-000-00 BOOM
32Y0535-000-00 WORK IMPLEMENT SYSTEM
24C2515-000-00 LEVER
24C2560-000-00 LINKAGE
32Y0536-000-00 WORK IMPLEMENT LIMIT SYSTEM
00C4832-000-00 MULTIPURPOSE LINES
10C2316-001-00 CYLINDER,SIDE DUMP
10C2316X0-000-00 CYLINDER
43C5496-000-00 BUCKET
43C0013-006-00 ARTICULATION HITCH AS
45Y0063-000-00 COUNTERWEIGHT
45Y0068-001-00 COUNTERWEIGHT GP
45Y0093-000-00 COUNTERWEIGHT
41Y0171-000-00 CAB AS
41Y0065-000-00 PROTECTIVE COVER
47C2334-000-00 REARVIEW MIRROR AS
47C2319-000-00 REARVIEW MIRROR-LH
47C2320-000-00 REARVIEW MIRROR-RH
47C2461-000-00 PLATE AS
47C2484-000-00 CAB
34C4432-000-00 DECORATION AS
34C4349-000-00 COVER
34C4351-000-00 COVER
34C4424-000-00 PLATFORM
34C4714-000-00 DOME DECORATION AS
34C5365-000-00 PROTECTION SHIELD
34C5366-000-00 DECORATION AS
34C5368-000-00 DECORATION
34C5369-000-00 COVER
34C5370-000-00 DECORATION
34C5371-000-00 DECORATION
34C5372-000-00 PLATFORM
34C5380-000-00 DECORATION
47C2455-000-00 WINDSHEILD
47C2465-000-00 SEAL
47C2503-001-00 WINDOW
47C2507-001-00 DOOR-LH
24C2122-000-00 MAST AS
47C2463-000-00 DOOR LOCK
47C2510-000-00 LOCK
47C2511-001-00 LATCH AS
47C2524-000-00 COVER
48C3026-001-00 COVER
48C3328-000-00 BRACKET
47C2824-000-00 STEERING COLUMN AS
34C5488-000-00 COVER
49Y0100-000-00 STEERING COLUMN AS
41Y0195-000-00 CAB AS
47C2560-000-00 CAB
47C2633-000-00 LOCK
41Y0298-000-00 CAB AS
47C2902-000-00 CAB
34C5383-001-00 HANDRAIL-LH
34C5384-000-00 HANDRAIL GP-RH
47C2820-000-00 CAB
47C2901-000-00 CAB (WITH DECORATION)
41Y0343-000-00 CAB AS
47C3047-000-00 CAB
34C6333-000-00 DECORATION AS
34C5523-000-00 UPRIGHT
47C2835-000-00 VISOR
47C3045-000-00 WINDOW
46Y0007-001-00 SEAT AS
46Y0020-000-00 SEAT AS
47C1996-000-00 FIRE EXTINGUISHER
47C2867-000-00 CONSOLE AS-RH
47C2490-000-00 HANDRAIL GP-RH
48C3111-000-00 FRONT FENDER-LH
48C3112-000-00 FRONT FENDER-RH
48C3182-000-00 HOUSING
48C3183-000-00 LADDER AS
48C3184-000-00 LADDER AS
43Y0157-000-00 FENDER and LADDER AS
43Y0157-000-01 FENDER and LADDER AS
44Y0149-000-00 ENGINE HOOD AS
34C4070-002-00 TORSION SPRING
34C4079-002-00 COMPRESSION SPRING
34C4910-000-00 GUIDE ROLLER
48C3049-001-00 TOP COVER
48C3076-000-00 ENGINE HOOD
48C3519-000-00 ENGINE HOOD
48C3519X9-000-00 ENGINE HOOD
44Y0311-000-00 ENGINE HOOD AS
44Y0368-000-00 ENGINE HOOD AS
48C4295-000-00 TOP COVER
48C4296-000-00 ENGINE HOOD
46C3583-000-00 SOUND SYSTEM
46C3632-000-00 WIPER SYSTEM
46C8997-000-00 WIPER GP
46C4963-000-00 SHIFT CONTROL WIRING
49C1122-000-00 WORK LIGHT WIRING
08C8621-000-00 WORK LIGHT HARNESS
49C1514-000-00 CAB WIRING
46C6183-002-00 RELAY AS
46C9357-000-00 START SWITCH GP
49C1228-000-00 CONTROL BOX
46C4840-000-00 FRONT FRAME WIRING
08C7695-000-00 HARNESS
46C5359-000-00 BATTERY WIRING
08C7426-000-00 CABLE
49C1512-000-00 REAR FRAME WIRING
32B0333-000-00 LICENCE LIGHT
49C2265-000-00 FRONT FRAME WIRING
08C9508-000-00 HARNESS
49C2193-000-00 REAR FRAME WIRING
46C6549-000-00 RELAY AS
49C2152-000-00 CAB WIRING
08C9386-000-00 CAB HARNESS
49C1837-000-00 WORK LIGHT WIRING
08C9122-000-00 WORK LIGHT HARNESS
49C1924-000-00 FRONT FRAME WIRING
08C9201-000-00 HARNESS
49C2642-000-00 REAR FRAME WIRING
08C9689-000-00 HARNESS
46C9459-000-00 ROTATING BEACON WIRING AS
49C0419-000-00 WIPER SYSTEM
46C9474-000-00 WIPER GP
49C2646-000-00 CAB WIRING
23Y0104-002-00 AIR CONDITIONING SYSTEM
06C0023-000-00 HOSE AS
46C0104-000-00 WATER HOSE Р¤16
46C0335-000-00 HOSE Р¤16
46C1833-000-00 AIR DUCT AS
46C9262-000-00 COMPRESSOR MOUNTING
46C9267-001-00 CONDENSER and RECEIVER AS
46C9332-002-00 EVAPARATOR MOUNTING AS
46C8871-001-00 A/C PANEL
46C9333-002-00 EVAPORATOR AS
46C8405-000-00 EVAPORATOR
46C6247-000-00 FILTER
46C6340-000-00 SOLENOID WATER VALVE
46C8424-000-00 ELBOW
46C9350-000-00 EVAPORATOR
46C9342-001-00 AIR DUCT AS
1
1
1
2
3
4
5
6
7
8
9
10
11
12
13
14
15
15
16
17
18
19
19
19
20
20
20
21
21
22
22
23
24
25
Позиция на иллюстрации
Заводской номер детали
Название детали
1
03B1944
Nut
1
03B2093
Locknut
2
01Y0047
Rear axle as
3
00C4547
Rear axle brake lines
4
24D0048
Rear support as
5
66A0013
Палец
6
06B0317
Hard washer
7
00B0360
BOLT
8
00B0057
Болт
9
06B0103
Шайба
10
53A0073
Крышка
11
06B0102
Шайба
12
00B0159
Болт
13
61A2266
Shaft
14
56A0088
Колпачок
15
88A0157
Сальник опорный
16
83A0083
Втулка
17
35C0047
Прокладка
18
00A0260
Палец
19
03B2091
Locknut
19
03B1764
Locknut
20
06B0217
Hard washer
20
56A0064
Hard washer
21
77A1932
Bolt
22
34C3136
Seal ring
23
83A1790
Bushing
24
76A0739
Snap ring
25
24D0243
Front support as
Содержащиеся в справочниках-каталогах запасные части и детали не предлагаются к продаже, а носят исключительно информационный характер
Дополнительная информация
×
Название:
Номер:
Примечание: