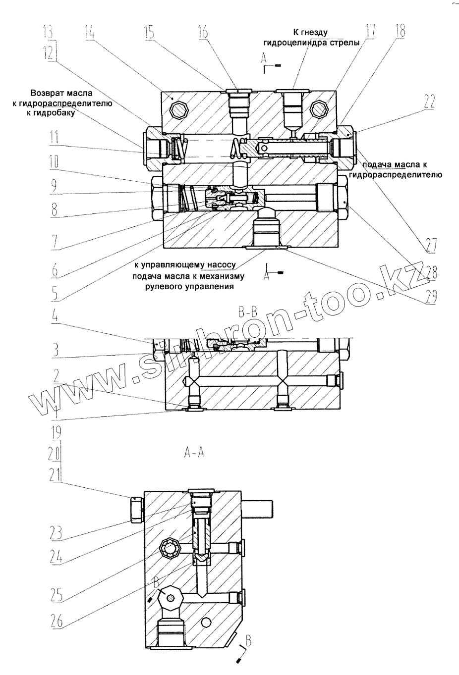
Каталог запасных частей к технике: LiuGong CLG-856. ZHF Клапан комбинированный
1
2
3
4
5
6
7
8
9
10
11
12
13
14
15
16
17
18
19
20
21
22
23
24
25
26
27
28
29
| Позиция на иллюстрации | Заводской номер детали | Название детали | |
|---|---|---|---|
| 1 | 03B0066 | Заглушка | |
| 2 | 12B0046 | O-RING | |
| 3 | 12B0207 | Хомут | |
| 4 | 03B0068 | Заглушка | |
| 5 | 00A0047 | Золотник | |
| 6 | 75A0025 | Пружина регулировочная | |
| 7 | 65A0017 | Клапан | |
| 8 | 51A0053 | Гнездо | |
| 9 | 56A0047 | Шайба | |
| 10 | 75A0024 | Пружина возврата в исходное положение | |
| 11 | 75A0079 | Пружина | |
| 12 | 57A0064 | Шайба | |
| 13 | 57A0065 | Шайба | |
| 14 | 78A0030 | Корпус клапана | |
| 15 | 12B0261 | Кольцо круглого сечения | |
| 16 | 03B0064 | Заглушка | |
| 17 | 65A0036 | Золотник | |
| 18 | 12B0043 | Кольцо круглого сечения | |
| 19 | 01B0142 | Болт | |
| 20 | 06B0008 | Шайба | |
| 21 | 06B0007 | WASHER | |
| 22 | 00A0154 | Штуцер | |
| 23 | 03B0344 | Заглушка | |
| 24 | 75A0106 | Пружина возврата в исходное положение | |
| 25 | 65A0042 | Золотник однопутевого клапана | |
| 26 | 56A0142 | Гнездо клапана | |
| 27 | 86A0086 | Пробка | |
| 28 | 03B0345 | Заглушка | |
| 29 | 84A0127 | Пробка |
Содержащиеся в справочниках-каталогах запасные части и детали не предлагаются к продаже, а носят исключительно информационный характер