Вернуться на главную
Поиск
Каталоги запчастей к технике
Спецтехника
LiuGong
CLG-855N
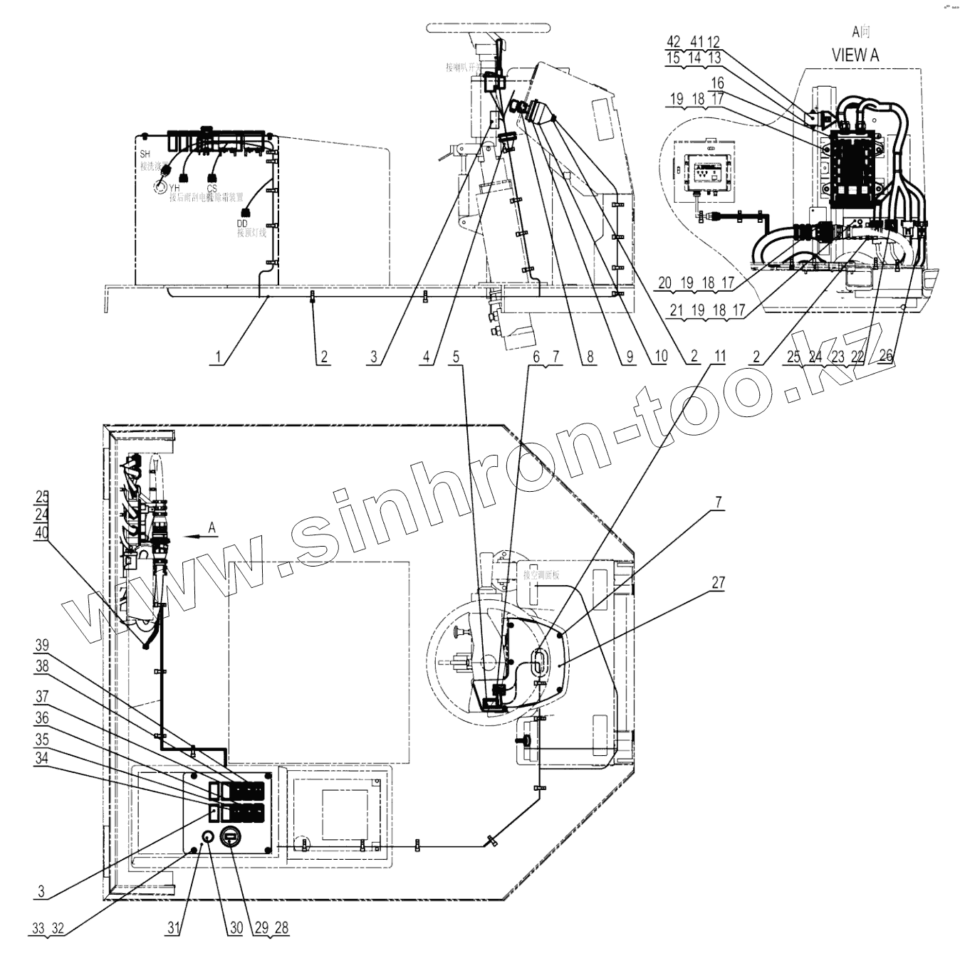
46C9614_000_00 CAB WIRING
Каталог запасных частей к технике: LiuGong CLG-855N. 46C9614_000_00 CAB WIRING
zoom-in
zoom-out
enlarge
shrink
circle-right
circle-left
file-text2
info
cart
Тип техники
Не выбрано
Легковые автомобили
Грузовые автомобили и прицепы
Автобусы
Сельхозтехника
Спецтехника
Двигатели
Мототехника
Марка
Не выбрано
Ammann
BOMAG
CARMIX
CASE IH
Changlin
ChengGong
Dimex
Doosan
DYNAPAC
Foton
HAMM
Hidromek
Hitachi
Hyundai
JCB
JLG
John Deere
Komatsu
LIEBHERR
LiuGong
Lonking (LongGong)
Luneng
MANITOU
Mitsuber
New Holland
PENGPU
RM-Terex
SANY
SDLG
SEM
Shantui
Shehwa HBXG
Soosan
TIGARBO
VOGELE
Volvo
WAY
WIRTGEN
XCMG
XGMA
Xiamen
YTO
Yuchai
Zoomlion
Автокран
АЗСМ
Алтайлесмаш
Амкодор
АОМЗ
Атек
АТЗ
Балканкар Рекорд
БелАЗ
Беловеж
Борекс
Брянский Арсенал
Булат
ВЭКС
ГАЗ
Геомаш
Гидромаш
Донекс
Дормаш
Дормашина
Дорэлектромаш
ДЭЗ
ЕлАЗ
ЗЗГТ
Ижнефтемаш
Канаш-электрокар
КЗКТ
ККЗ
Клевер
Клинцовский автокрановый завод
КМЗ
КМЗ 1 Мая
Ковровец
Коммаш
Кранэкс
КЭЗ
КЭМЗ
ЛЗА
МАЗ
МЗИК
МЗКМ
МЗКТ
Михневский РМЗ
МоАЗ
Мозырский МЗ
МТЗ
ОЗП
Онежец
ПАО "ТЗА"
ППС Детва
Промтрактор
ПТЗ
Раскат
СпецАгрегат
ТВЭКС
ТТМ
УВЗ
Угличмаш
УЗТМ
ХТЗ
ЧЗКМ
ЧСДМ
ЧТЗ
ЭКСКО
ЭКСМАШ
ЮрМаш
Модель
Не выбрано
CLG 425 (2010)
CLG 777A-S (2010)
CLG-2040H (2045H, 2050HL, 2040H, 2045H, 2050HL) (2016)
CLG-220 (2008)
CLG-225 (2008)
CLG-365A (2012)
CLG-375 (2008)
CLG-375A (2008)
CLG-385A (2008)
CLG-4165 (2015)
CLG-418 (2008)
CLG-4215 (2010)
CLG-612 (2008)
CLG-614 (2010)
CLG-618 (2010)
CLG-626R
CLG-766 (2015)
CLG-766A (2012)
CLG-816G (2012)
CLG-835
CLG-835 (2015)
CLG-835H (2015)
CLG-836 (2015)
CLG-842
CLG-842
CLG-842 (2015)
CLG-855N (2015)
CLG-856 (2015)
CLG-856H (2015)
CLG-856I
CLG-862 (2015)
CLG-877 (2015)
CLG-888 (2015)
CLG-904С (2007)
CLG-915D
CLG-915D
CLG-920D
CLG-920E (2015)
CLG-922D
CLG-922LC
CLG-922LC (2008)
CLG-925 (2015)
CLG-925D (2015)
CLG-933E (2010)
CLG-B160 (2010)
Схема
>
Не выбрано
00Y0145_001_00 FUEL TANK AS
00Y0145X0_000_00 FUEL TANK AS
12D0273_000_00 STRAINER
16C0044_001_00 BREATHER CAP
00Y0153_000_00 ENGINE SYSTEM
40C3879_005_00 ENGINE MOUNTING
40C3678_000_00 DIESEL ENGINE
SP139717_000_00 THERMOSTAT
SP139720_000_00 ALTERNATOR
SP139724_000_00 FAN DRIVE MOUNTING
SP139730_000_00 FUEL FILTER
SP139739_000_00 FUEL PUMP
SP139748_000_00 FUEL SHUTOFF VALVE
SP139769_000_00 FULL FLOW OIL FILTER
SP139770_000_00 LUBE OIL FILTER
SP139775_000_00 LUBRICATING OIL PUMP
SP139789_000_00 TURBOCHARGER
SP139809_000_00 STARTING MOTOR
SP139821_001_00 CORROSION RESISTOR LOCATION
SP139829_000_00 WATER PUMP DRIVE
SP139830_000_00 WATER PUMP
SP139831_000_00 BELT TENSIONER
40C4824_000_00 THROTTLE CONTROL SYSTEM
40C5028_000_00 THROTTLE CONTROL SYSTEM
40C5136_003_00 INTAKE AND EXHAUST AS
34C3200_001_00 LINE GP
40C3739_000_00 AIR FILTER
40C5126_001_00 MUFFLER AS
40C5137_001_00 FUEL LINES
00Y0169_000_00 COOLING SYSTEM
40C5191_001_00 RADIATOR MOUNTING
20C1703_001_00 RADIATOR GP
40C5192_000_00 COOLER LINES
00Y0309_000_00 ENGINE SYSTEM
40C3750_008_00 INTAKE AND EXHAUST AS
00C2767_000_00 LINE GP
00C2766_000_00 AIR PIPE AS
40C3737_000_00 MUFFLER AS
40C5210_001_00 FUEL LINES
40C5792_000_00 ENGINE MOUNTING
00Y0358_000_00 FUEL TANK AS
00Y0358X0_000_00 FUEL TANK AS
00C1929_001_00 LUBRICATION PIPE
00C1916_001_00 LUBRICATION PIPE
00C1928_005_00 LUBRICATION PIPE
10E0214_001_00 STEERING HYDRAULIC SYSTEM
00C1931_001_00 STEERING CYLINDER LINES
00C1932_005_00 STEERING CONTROL LINES
12C0438_001_00 Pressure Reducing Valve
12C0438X0_003_00 Pressure Reducing Valve
12C5449_000_00 PRESSURE REDUCING VALVE
00C1933_004_00 FLOW AMPLIFYING VALVE LINES
00C1934_006_00 UNLOAD VALVE LINES
10C1575_002_00 STEERING CYLINDER
12C2730_001_00 FLOW AMPLIFYING VALVE AS
12C1621_001_00 FLOW AMPLIFYING VALVE
12C2755_000_00 SAFETY VALVE
12C2762_000_00 SAFETY VALVE
44C1063_001_00 STEERING COLUMN AS
44C0177_000_00 STEERING COLUMN AS
34C5350_000_00 BLOCK
44C1109_006_00 STEERING COLUMN AS
10E0241_000_00 STEERING HYDRAULIC SYSTEM
00C2650_000_00 FLOW AMPLIFYING VALVE LINES
00C2699_000_00 STEERING CYLINDER LINES
10Y0120_000_00 STEERING HYDRAULIC SYSTEM
44C1124_000_00 STEERING COLUMN AS
47C2912_000_00 STEERING COLUMN AS
47C2912X0_000_00 STEERING COLUMN AS
11E0855_002_00 HYDRAULIC SYSTEM
00C1893_001_00 BOOM CYLINDER LINES
00C1920_001_00 CONTROL VALVE LINES
00C1921_001_00 TILTING CYLINDER LINES
00C1922_005_00 COOLER LINES
12C0460_000_00 CHECK VALVE
10C1259_001_00 BUCKET TILTING CYLINDER
10C1259X0_001_00 BUCKET TILTING CYLINDER
10C1534_001_00 BOOM CYLINDER
10C1534X0_004_00 BOOM CYLINDER
12C2719_001_00 CONTROL VALVE AS
12C2143_000_00 CONTROL VALVE
12C2051_000_00 RELIEF VALVE
12C4914_000_00 RELIEF VALVE
21C0553_001_00 HYDRAULIC OIL TANK
21C0553X9_003_00 HYDRAULIC OIL TANK
24C1057_001_00 CONTROL LEVER AS
54C0367_000_00 CONTROL LEVER
44C1054_001_00 PUMP AS
11C1118_000_00 WORKING PUMP
11C1119_000_00 STEERING PUMP
44C1062_001_00 INDICATOR ROD AS
11E1150_000_00 HYDRAULIC SYSTEM
00C2628_002_00 PILOT CONTROL LINES
12C0037_007_00 COMBINATION VALVE
12C0037X0_007_00 COMBINATION VALVE
53C0546_001_00 PILOT OIL FILTER
53C0167_001_00 PILOT OIL FILTER
00C2632_002_00 TILTING CYLINDER LINES
00C2639_000_00 BOOM CYLINDER LINES
00C2641_000_00 CONTROL VALVE LINES
12C2547_000_00 CONTROL VALVE AS
12C3527_000_00 PILOT VALVE MOUNTING AS
23C0037_002_00 CONTROL LEVER AS
21C0641_000_00 HYDRAULIC OIL TANK
44C1588_001_00 PUMP AS
11C1473_000_00 PUMP
11Y0535_000_00 WORK HYDRAULIC SYSTEM
00C4903_000_00 PILOT CONTROL LINES
12C5513_000_00 PILOT VALVE MOUNTING AS
01E0379_002_00 DRIVE AXLE
01E0375_003_00 FRONT AXLE AS
01E0375X0_000_00 FRONT AXLE AS
01E0373_002_00 FRONT AXLE
24D0151_000_00 SPINDLE
24D0151X0_000_00 SPINDLE
41C0002_011_00 BEVEL GEAR
44C0019_000_00 LOCK BOLT
57A0024_000_00 SHIM
57A0027_000_00 SHIM
41C0002X1A_001_00 BEVEL GEAR
34C0002X1_001_00 CARRIER AS
41C0492_000_00 CLAMP AS
41C0492P01_000_00 CLAMP AS
41C0492P02_000_00 CLAMP AS
51C0327_000_00 BOLT AS
01E0377_001_00 FRONT AXLE BRAKE LINES
01E0376_002_00 REAR AXLE AS
01E0374_002_00 REAR AXLE
24D0152_000_00 SPINDLE
24D0152X0_000_00 SPINDLE
51C0061_010_00 REAR AXLE BEVEL GEAR
51C0061X1_000_00 REAR AXLE BEVEL GEAR
34C4150X1_000_00 AXLE DRIVE HOUSING AS
01E0376X0_000_00 REAR AXLE AS
01E0378_001_00 REAR AXLE BRAKE LINES
01E0383_001_00 TYRE & RIM AS
41C1176_000_00 RIM AS
03E0107_002_00 DRIVE SHAFT
05Y0087_000_00 GEARBOX & TORQUE CONVERTER AS
00C2816_001_00 FILTER LINES AS
00C3380_002_00 COOLER LINES AS
42C0349_002_00 PLANETARY CARRIER
42C1014_001_00 GEARBOX & TORQUE CONVERTER MOUNTING
02C0911_000_00 FILLER TUBE
42C0876_001_00 GEARBOX & TORQUE CONVERTER AS
11C0718_003_00 GEAR SHIFT PUMP
12C2363_000_00 SHIFT CONTROL VALVE
13C0008_000_00 BRAKE
13C0008X0_000_00 BRAKE
45C0001_000_00 ADJUSTING ROD AS
42C0781_001_00 GEARBOX
42C0781_001_01 GEARBOX
42C0781_001_02 GEARBOX
12C2407_001_00 SHIFT CONTROL VALVE
37C0002_004_00 DRIVE DISK
42C0011_001_00 1ST SPEED CLUTCH PISTON AS
42C0012_001_00 PISTON AS
42C0013_001_00 REVERSE PISTON AS
42C0094_000_00 REVERSE PLANET CARRIER
42C0094X1_000_00 REVERSE PLANET CARRIER
42C0780_001_00 DIRECT DRIVE GP
42C0009_000_00 DIRECT DRIVE PISTON AS
52C0005_001_00 CARRIER AS
52C0071_001_00 OVERRUN CLUTCH
52C0139_004_00 INPUT SHAFT
42C0290_000_00 INPUT SHAFT
52C0215_000_00 OVERRUN CLUTCH
34C2155_000_00 INPUT SHAFT
42C0879_000_00 TORQUE CONVERTER
52C0183_000_00 TURBINE GP
38C0283_000_00 II TURBINE
42C1048_001_00 TORQUE CONVERTER
42C1030_002_00 CONVERTER HOUSING GP
52C0257_001_00 TURBINE GP
38C0424_000_00 TURBINE
42C1014X0T2_001_00 GEARBOX & TORQUE CONVERTER MOUNTING
24C0201_000_00 SHIFT CONTROL SYSTEM
20Y0170_000_00 SERVICE BRAKE SYSTEM
00C1935_003_00 ASSISTOR & LINES
04C0030_000_00 L1400 HOSE
13C0416_000_00 ASSISTOR
13C0397_002_00 BOOSTER
00C3460_000_00 BRAKE VALVE & LINES
13C0420_003_00 BRAKE VALVE AS
00C4259_000_00 AIR RESERVOIR & LINES
34C3031_000_00 COMBINATION VALVE
13C0026_001_00 COMBINATION VALVE
03C0002_000_00 HOSE L2000
13C0514_003_00 ASSISTOR
21Y0035_001_00 PARKING BRAKE SYSTEM
45C0020_007_00 PARKING BRAKE AS
45C0787_000_00 HAND BRAKE
20Y0256_000_00 SERVICE BRAKE SYSTEM
00C4921_000_00 BRAKE VALVE & LINES
13C0941_000_00 BRAKE VALVE AS
08Y0064_001_00 REAR FRAME AS
34C0795_000_00 SHIM GP
08Y0273_000_00 REAR FRAME AS
30E0805_007_00 ARTICULATED HITCH
30E0947_002_00 FRONT FRAME AS
30Y0020_001_00 ARTICULATED HITCH
08Y0275_000_00 FRAME AS
30E0734_004_00 FRONT FRAME AS
32E1214_002_00 WORK IMPLEMENT LIMIT SYSTEM
32E1217_002_00 EQUIPMENT
24C1049_000_00 BUCKET LEVER
24C1050_000_00 LINKAGE
24C1051_001_00 BOOM
32E1759_001_00 BUCKET (2.7 m3)
32E1759X0_000_00 BUCKET (2.7 m3)
43C2586_000_00 TOOTH GP
38Y0102_000_00 BUCKET
22D1330_000_00 BUCKET
38Y0140_000_00 BUCKET
38Y0153_000_00 BUCKET
38Y0197_000_00 BUCKET
43C2887_000_00 BLADE GP
41Y0050_001_00 CAB AS
41E0157_001_00 REARVIEW MIRROR AS
41Y0049_002_00 CAB AS
34C2718_002_00 DECORATION AS
34C2719_000_00 DECORATION
46C3693_008_00 PLATFORM MOUNTING AS
46C2435_001_00 BASE
46C3548_005_00 BRACKET
46C3692_002_00 PLATFORM AS
47C1033_010_00 DOOR-LH
47C1035_005_00 DOOR LOCK
47C1240_001_00 WINDOW GP
47C1034_008_00 DOOR-RH
47C1037_005_00 DOOR LOCK
47C1036_005_00 LATCH
47C1038_005_00 LATCH
47C1334_002_00 CONTROL BOX
41Y0049_003_01 CAB AS
41Y0049_003_02 CAB AS
41Y0067_001_00 REARVIEW MIRROR
41Y0083_002_00 COVER
37C1184_000_00 COVER
46E0068_003_00 SEAT AS
47C1556_000_00 SEAT
41Y0165_000_00 CAB AS
41Y0164_000_00 CAB AS
41Y0164_000_01 CAB AS
47C0194_003_00 HAND REST
47C1941_002_00 CONTROL BOX AS
46Y0006_001_00 SEAT AS
47C2733_000_00 CAB
47C2733_000_01 CAB
34C4908_000_00 DECORATION AS
34C4907_000_00 DECORATION
47C1467_001_00 CONICAL BUMPER
47C1294_004_00 LATCH
47C1295_004_00 LATCH
47C2585_000_00 WINDSHEILD
47C2732_000_00 CAB AS_SKEL
47C1290_004_00 DOOR-LH
47C1292_000_00 WINDOW GP
47C1291_003_00 DOOR-RH
41Y0300_000_00 CAB AS
47C2583_000_00 SUPPORT
47C2886_000_00 CAB
47C2886_000_01 CAB
47C2887_000_00 CAB
48C4003_000_00 REARVIEW MIRROR
47C2908_000_00 REARVIEW MIRROR-LH
47C2909_000_00 REARVIEW MIRROR-RH
41Y0380_000_00 CAB AS
47C0425_000_00 WATER-FREE WASHER
43E0446_001_00 FENDER & LADDER AS
26C0192_000_00 LADDER
44Y0090_001_00 ENGINE HOOD
42D1668_001_00 SIDE HOOD
43D1351_001_00 SIDE HOOD
48C2767_000_00 COVER
44Y0096_001_00 ENGINE HOOD
44Y0319_000_00 ENGINE HOOD
48C4009_000_00 COVER
22Y0370_000_00 ELECTRICAL SYSTEM
46C5864_005_00 FRONT FRAME WIRING
08C4625_000_00 HARNESS
08C7493_000_00 HARNESS
46C0704_001_00 FRONT LIGHT-RH
46C0705_001_00 FRONT LIGHT-LH
46C5308_000_00 HORN GP
46C3729_000_00 WIPER SYSTEM
46C3731_000_00 FRONT WIPER GP
46C9614_000_00 CAB WIRING
08C7167_001_00 CAB HARNESS
46C6183_002_00 RELAY AS
46C9582_002_00 CONTROL BOX
46C9619_000_00 WORK LIGHT WIRING
08C6846_000_00 HARNESS
08C7174_000_00 WORK LIGHT HARNESS
49C0454_000_00 CAB WIRING
46C2053_000_00 CONTROL BOX
49C0259_000_00 BOOT
46C8409_001_00 BATTERY WIRING
46C2962_002_00 DISCONNECT SWITCH MOUNTING
34B0297_000_00 DISCONNECT SWITCH
46C9616_002_00 REAR FRAME WIRING
08C3173_000_00 HARNESS
08C7812_000_00 HARNESS
49C0041_000_00 REAR FRAME WIRING
22Y0377_000_00 GRID HEATER WIRING
46C7947_000_00 CONTROL BOX AS
46C6549_000_00 RELAY AS
46C2170_000_00 CAB WIRING
08C7335_000_00 CAB HARNESS
46C9956_000_00 REAR FRAME WIRING
49C0875_000_00 WORK LIGHT WIRING
08C8426_000_00 WORK LIGHT HARNESS
49C1002_000_00 REAR FRAME WIRING
49C1008_000_00 CAB WIRING
49C0898_000_00 CONTROL BOX
49C1618_000_00 REAR FRAME WIRING
49C1619_000_00 CAB WIRING
49C1620_000_00 WORK LIGHT WIRING
49C1689_000_00 WORK LIGHT
46C1767_000_01 ROTATING BEACON AS
46C1767_001_00 ROTATING BEACON AS
23E0492_005_01 AIR CONDITIONING SYSTEM
06C0306_000_00 HOSE
06C0408_000_00 HOSE
11B0048_000_00 HOSE
46C2543_000_00 CONDENSER
46C3591_000_00 FILTER
46C4558_001_00 COMPRESSOR BRACKET AS
46C5490_001_00 EVAPORATOR AS
46C5584_003_00 EVAPORATOR MOUNTING
49C0439_000_00 FILTER
46C8276_000_00 COMPRESSOR BRACKET AS
49C2682_000_00 EVAPORATOR MOUNTING
49C2594_000_00 EVAPORATOR AS
49C2789_000_00 COMPRESSOR
23E0492_008_00 AIR CONDITIONING SYSTEM
23Y0046_002_00 HEATING SYSTEM
46C1787_003_00 FAN AS
46C5587_001_00 HEATER
46C3545_001_00 HEATER
49C2683_000_00 HEATER MOUNTING
49C2714_000_00 HEATER
23Y0046_003_01 HEATING SYSTEM
1
2
2
2
3
3
4
5
6
7
7
8
9
10
11
12
13
14
15
16
17
17
17
18
18
18
19
19
19
20
21
22
23
24
24
25
25
26
27
28
29
30
31
32
33
34
35
36
37
38
39
40
41
42
Позиция на иллюстрации
Заводской номер детали
Название детали
1
08C7167
Cab harness
2
37B0004
Хомут
3
34B0655
Cover
4
83A0262
Кольцо резиновое
5
34B0701
Front floodlight sw
6
34B0077
Выключатель
7
04B0292
SCREW
8
34B0118
Переключатель клавишный
9
37B0010
Соединения блокировочного кабеля
10
83A0192
Кольцо уплотнительное
11
83A0271
Выключатель тормозной
12
46C6183
Relay as
13
04B0099
Винт
14
06B0022
Шайба
15
06B0097
Шайба
16
46C9582
Control box
17
00B0010
BOLT
18
06B0024
WASHER
19
06B0003
Шайба
20
19A9049
Mounting plate
21
46D1651
Mounting plate
22
20A6815
Insert
23
00B0005
BOLT
24
06B0002
Шайба
25
06B0001
WASHER
26
20A8767
INSERT
27
35B0340
Instrument
28
35B0038
Счетчик моточасов
29
74A0388
Шильдик
30
37B0061
Прикуриватель
31
36D0797
Cover
32
04B0256
SCREW
33
06B0139
Шайба
34
34B0696
Front washer swtich
35
34B0697
Front wiper switch
36
34B0698
Hazard flasher switch
37
34B0699
Rear floodlight switch
38
34B0650
Work light switch
39
34B0700
Position light switch
40
03B0053
NUT
41
31B0238
Relay
42
36B0719
SOCKET
Содержащиеся в справочниках-каталогах запасные части и детали не предлагаются к продаже, а носят исключительно информационный характер
Дополнительная информация
×
Название:
Номер:
Примечание: