Каталог запасных частей к технике: LiuGong CLG-842. 05E0230 001 GEARBOX & TORQUE CONVERTER AS
2
3
4
5
6
7
7
8
9
9
9
9
9
9
10
10
10
10
10
10
11
12
13
14
14
15
16
16
17
18
19
20
21
22
23
24
25
25
26
26
27
28
29
29
29
29
30
30
31
31
32
33
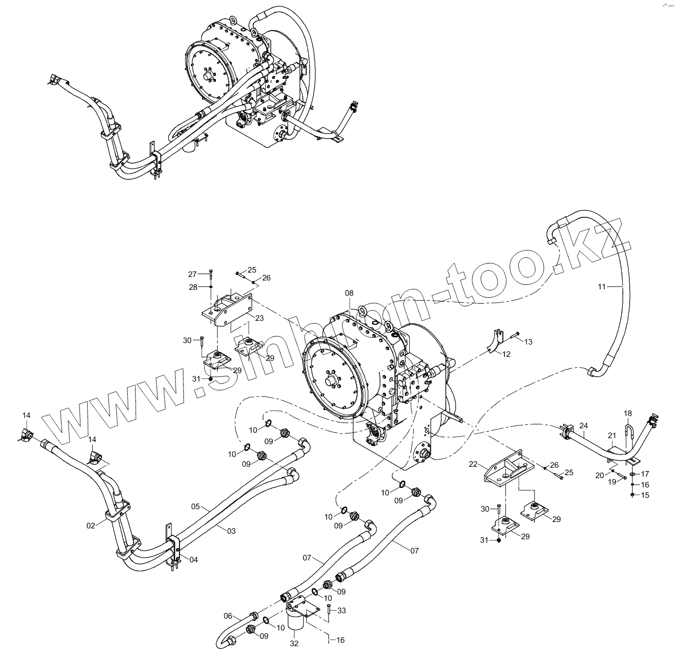
| Позиция на иллюстрации | Заводской номер детали | Название детали | |
|---|---|---|---|
| 2 | 09C0946 | CLAMP | |
| 3 | 07C2797 | HOSE AS | |
| 4 | 09C1077 | CLAMP | |
| 5 | 07C2796 | HOSE AS | |
| 6 | 10D5575 | TUBE AS | |
| 7 | 07C2795 | HOSE AS | |
| 8 | 42C0489 | GEARBOX & TORQUE CONVERTER AS | |
| 9 | 00A3363 | CONNECTOR | |
| 10 | 12B0144 | Кольцо круглого сечения | |
| 11 | 07C1420 | HOSE | |
| 12 | 22A1605 | Support | |
| 13 | 00B0002 | Болт | |
| 14 | 31C0173 | Connector | |
| 15 | 03B0003 | Гайка | |
| 16 | 06B0008 | Шайба | |
| 17 | 06B0059 | Шайба | |
| 18 | 02B0020 | Болт | |
| 19 | 00B0012 | BOLT | |
| 20 | 06B0002 | Шайба | |
| 21 | 00D6795 | PLATE | |
| 22 | 02D0161 | BRACKET | |
| 23 | 02D0162 | BRACKET | |
| 24 | 02C1281 | FIILLER TUBE | |
| 25 | 00B0016 | Болт | |
| 26 | 06B0014 | Шайба | |
| 27 | 01B0165 | Болт | |
| 28 | 00B0042 | Шайба | |
| 29 | 34C0040 | Виброгаситель | |
| 30 | 00B0232 | Болт | |
| 31 | 03B0034 | Гайка стопорная | |
| 32 | 53C0544 | OIL FILTER | |
| 33 | 00B0011 | Болт |
Содержащиеся в справочниках-каталогах запасные части и детали не предлагаются к продаже, а носят исключительно информационный характер