Вернуться на главную
Поиск
Каталоги запчастей к технике
Спецтехника
LiuGong
CLG-842
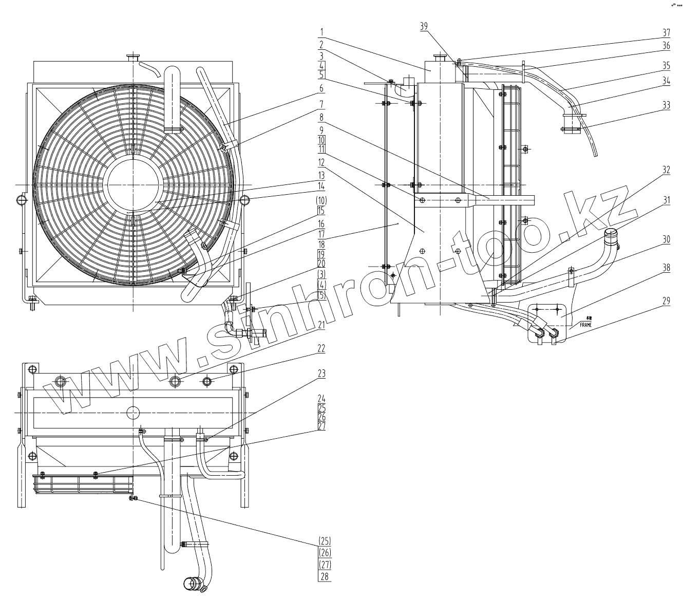
00E0801 002 COOLING SYSTEM
Каталог запасных частей к технике: LiuGong CLG-842. 00E0801 002 COOLING SYSTEM
zoom-in
zoom-out
enlarge
shrink
circle-right
circle-left
file-text2
info
cart
Тип техники
Не выбрано
Легковые автомобили
Грузовые автомобили и прицепы
Автобусы
Сельхозтехника
Спецтехника
Двигатели
Мототехника
Марка
Не выбрано
Ammann
BOMAG
CARMIX
CASE IH
Changlin
ChengGong
Dimex
Doosan
DYNAPAC
Foton
HAMM
Hidromek
Hitachi
Hyundai
JCB
JLG
John Deere
Komatsu
LIEBHERR
LiuGong
Lonking (LongGong)
Luneng
MANITOU
Mitsuber
New Holland
PENGPU
RM-Terex
SANY
SDLG
SEM
Shantui
Shehwa HBXG
Soosan
TIGARBO
VOGELE
Volvo
WAY
WIRTGEN
XCMG
XGMA
Xiamen
YTO
Yuchai
Zoomlion
Автокран
АЗСМ
Алтайлесмаш
Амкодор
АОМЗ
Атек
АТЗ
Балканкар Рекорд
БелАЗ
Беловеж
Борекс
Брянский Арсенал
Булат
ВЭКС
ГАЗ
Геомаш
Гидромаш
Донекс
Дормаш
Дормашина
Дорэлектромаш
ДЭЗ
ЕлАЗ
ЗЗГТ
Ижнефтемаш
Канаш-электрокар
КЗКТ
ККЗ
Клевер
Клинцовский автокрановый завод
КМЗ
КМЗ 1 Мая
Ковровец
Коммаш
Кранэкс
КЭЗ
КЭМЗ
ЛЗА
МАЗ
МЗИК
МЗКМ
МЗКТ
Михневский РМЗ
МоАЗ
Мозырский МЗ
МТЗ
ОЗП
Онежец
ПАО "ТЗА"
ППС Детва
Промтрактор
ПТЗ
Раскат
СпецАгрегат
ТВЭКС
ТТМ
УВЗ
Угличмаш
УЗТМ
ХТЗ
ЧЗКМ
ЧСДМ
ЧТЗ
ЭКСКО
ЭКСМАШ
ЮрМаш
Модель
Не выбрано
CLG 425 (2010)
CLG 777A-S (2010)
CLG-2040H (2045H, 2050HL, 2040H, 2045H, 2050HL) (2016)
CLG-220 (2008)
CLG-225 (2008)
CLG-365A (2012)
CLG-375 (2008)
CLG-375A (2008)
CLG-385A (2008)
CLG-4165 (2015)
CLG-418 (2008)
CLG-4215 (2010)
CLG-612 (2008)
CLG-614 (2010)
CLG-618 (2010)
CLG-626R
CLG-766 (2015)
CLG-766A (2012)
CLG-816G (2012)
CLG-835
CLG-835 (2015)
CLG-835H (2015)
CLG-836 (2015)
CLG-842
CLG-842
CLG-842 (2015)
CLG-855N (2015)
CLG-856 (2015)
CLG-856H (2015)
CLG-856I
CLG-862 (2015)
CLG-877 (2015)
CLG-888 (2015)
CLG-904С (2007)
CLG-915D
CLG-915D
CLG-920D
CLG-920E (2015)
CLG-922D
CLG-922LC
CLG-922LC (2008)
CLG-925 (2015)
CLG-925D (2015)
CLG-933E (2010)
CLG-B160 (2010)
Схема
>
Не выбрано
00E0795 001 ENGINE SYSTEM
50C0002 000 SUPPORT
00E0801 002 COOLING SYSTEM
00E0026 002 FUEL TANK AS
16C0004 002 BREATHER CAP
12D0072 000 STRAINER
00E0034 002 THROTTLE CONTROL SYSTEM
01E0013 005 FRONT AXLE AS
45C0005 002 CLAMP AS
41C0029 009 FRONT AXLE BEVEL GEAR
34C0002 000 CARRIER AS
24D0006 000 SPINDLE
01E0014 013 REAR AXLE AS
41C0574 005 REAR AXLE BEVEL GEAR
41C0197 000 CARRIER AS
01E0010 000 TYRE & RIM AS
41C0021 000 RIM AS
01E0011 000 FRONT AXLE LINES
10D0284 000 OIL PIPE
10D0283 000 OIL PIPE
01E0012 000 REAR AXLE LINES
10D0286 000 OIL PIPE
10D0285 000 OIL PIPE
24C0201 000 SHIFT CONTROL SYSTEM
03E0008 000 DRIVE SHAFT SYSTEM
41C0042 000 FRONT DRIVE SHAFT & BRG AS
51C0039 000 MIDDLE DRIVE SHAFT
41C1179 000 REAR DRIVE SHAFT GP
41C1059 000 REAR DRIVE SHAFT
05E0230 001 GEARBOX & TORQUE CONVERTER AS
53C0544 002 OIL FILTER
42C0489 000 GEARBOX & TORQUE CONVERTER AS
12C2407 001 SHIFT CONTROL VALVE
11C0718 002 GEAR SHIFT PUMP
42C0488 002 TORQUE CONVERTER
52C0183 000 TURBINE GP
28C0093 002 SHIM GP
28C0092 002 SHIM GP
42C0787 000 TORQUE CONVERTER
52C0003 000 TURBINE GP
42C0454 005 TRANSMISSION
42C0454(A) TRANSMISSION
42C0454(B) TRANSMISSION
42C0454(C) TRANSMISSION
52C0071 001 OVERRUN CLUTCH
28C0089 003 SHIM GP
28C0102 001 WASHER
28C0103 001 WASHER
42C0094 002 REVERSE PLANET CARRIER
42C0349 001 PLANETARY CARRIER
42C0096 001 DIRECT DRIVE GP
15E0842 002 HYDRAULIC SYSTEM
15E0842 002 HYDRAULIC SYSTEM
10C1231 003 BUCKET TILTING CYLINDER
10E0017 001 STEERING CYLINDER AS
00C1843 002 BOOM CYLINDER LINES
12C2552 000 CONTROL VALVE AS
12C2553 000 CONTROL VALVE
11E0036 003 BOOM CYLINDER AS
00C1688 001 TILTING CYLINDER LINES
00C1686 000 PILOT CONTROL SYSTEM
12C2544 000 COMBINATION VALVE
12C0037 006 COMBINATION VALVE
31C0102 002 ELBOW
12C0400 000 CHECK VALVE
12C2322 001 PILOT VALVE MOUNTING AS
00C1857 001 STEERING CONTROL LINES
44C0686 001 STEERING COLUMN AS
44C0005 000 METERING PUMP
44C0023 001 STEERING SHAFT
00C2259 000 COOLER LINES
00C1852 001 PUMP OIL SUCTION LINES
21C0504 000 HYDRAULIC OIL TANK
12C1008 001 CHECK VALVE
00C2020 002 CONTROL VALVE LINES
31C0088 002 ELBOW
00C2019 001 STEERING LINES
12C2894 002 FLOW AMPLIFYING VALVE AS
32E1147 001 POSITIONER AND KICKOUT SYSTEM
20E0372 003 BRAKE SYSTEM
20E0372 003 BRAKE SYSTEM
33C0003 000 CONNECTOR
13C0373 000 AIR RESERVOIR
13C0386 003 BRAKE VALVE AS
31C0032 000 CONNECTOR
21E0075 001 PARKING BRAKE SYSTEM
13C0009 007 AIR CHAMBER
13C0008 000 BRAKE
24C0032 001 LINKAGE SHAFT
30E0686 003 FRONT FRAME AS
30E0718 000 REAR FRAME AS
27C0060 001 BATTERY BOX-RH
30E0009 000 STEERING FRAME LOCK
30E0017 004 ARTICULATED HITCH AS
32E0699 000 WORK IMPLEMENT SYSTEM
32E0399 000 BUCKET AS (2.3m3)
32E0377 001 BUCKET AS (3.0m3)
32E0508 000 BUCKET AS (2.7m3)
30E0012 001 GREASE LINES
45E0004 002 COUNTERWEIGHT GP
41E0446 008 CAB AS
41E0446(A) CAB AS
47C1290 004 DOOR-LH
47C1035 004 DOOR LOCK
47C1291 003 DOOR-RH
47C1037 004 DOOR LOCK
47C0239 001 FIRE EXTINGUISHER
41E0446(B) CAB AS
47C0194 003 HAND REST
34C1806 004 DECORATION AS
47C1941 002 CONTROL BOX AS
41E0424 000 PLATE AS
41E0157 000 REARVIEW MIRROR AS
41E0159 000 CAB GUARD AS
43E0335 000 FRONT FENDER
43E0336 001 REAR FENDER
43E0337 001 REAR FENDER-RH
43E0347 001 LADDER
43E0348 000 LADDER
44E0012 004 ENGINE HOOD AS
44E0012 004 ENGINE HOOD AS
46E0040 002 SEAT AS
23E0340 003 AIR CONDITIONING SYSTEM
23E0340 003 AIR CONDITIONING SYSTEM
46C2004 001 COMPRESSOR BRACKET AS
46C4973 005 A/C GP-CAB AS
46C3591 001 FILTER
46C5490 001 EVAPORATOR
46C2543 000 CONDENSER
22E1189 000 ELECTRICAL SYSTEM
46C4649 000 LIGHT GROUP
46C4295 001 FRONT FLOODLIGHT-RH
46C4296 001 FRONT FLOODLIGHT-LH
46C4506 002 FRONT FRAME WIRING
46C5337 000 REAR FRAME WIRING
46C5337 000 REAR FRAME WIRING
46C5405 002 CAB WIRING
46C5265 001 CONTROL SYSTEM
46C6199 001 CONTROL BOX
46C6183 002 RELAY AS
46C4041 000 WIPER SYSTEM
46C3483 000 DOME LIGHT WIRING
46C3693 007 PLATFORM AS
46C3692 002 PLATFORM AS
46C4832 001 BATTERY WIRING
46C0992 001 DISCONNECT SWITCH AS
34B0297 002 DISCONNECT SWITCH
46C1843 002 SOUND SYSTEM
46C1841 003 RADIO/CASSETTE PLAYER
50E0523 000 HYDRAULIC SCHEMATIC
50E0660 000 ELECTRICAL SCHEMATIC
45E0739 006 DECAL GROUP
45E1224 002 NAMEPLATE GP
1
2
3
3
4
4
5
5
6
7
8
9
10
10
11
12
13
14
15
16
17
18
19
20
21
22
23
24
25
25
26
26
27
27
28
29
30
31
32
33
34
35
36
37
38
39
Позиция на иллюстрации
Заводской номер детали
Название детали
1
20C0947
WATER RADIATOR
2
20C0943
OIL COOLER
3
00B0012
BOLT
4
06B0002
Шайба
5
06B0001
WASHER
6
32A1174
HOSE
7
20A0162
CLAMP
8
37A0054
HANDRAIL
9
00B0017
BOLT
10
06B0008
Шайба
11
06B0007
WASHER
12
23A0609
PLATE
13
45D0029
GUARD
14
45D0030
GUARD
15
00B0031
Болт
16
20A2649
CLAMP
17
20C0117
EXHAUST DEVICE
18
00B0094
Болт
19
06B0015
Шайба
20
06B0012
Шайба
21
12B0373
O-RING
22
12B0245
O-RING
23
09C0236
Clamp
24
00B0007
Болт
25
06B0006
Шайба
26
06B0005
WASHER
27
03B0021
NUT
28
00B0085
Болт
29
20C0948
OIL DRAIN DEVICE
30
10D0797
PIPE
31
09C0244
CLAMP
32
11B0020
HOSE
33
09C0245
Clamp
34
32A0203
HOSE
35
32A1439
HOSE
36
37B0010
Соединения блокировочного кабеля
37
09C0232
Clamp
38
11A5278
MOUNTING PLATE
39
09C0237
Clamp
Содержащиеся в справочниках-каталогах запасные части и детали не предлагаются к продаже, а носят исключительно информационный характер
Дополнительная информация
×
Название:
Номер:
Примечание: