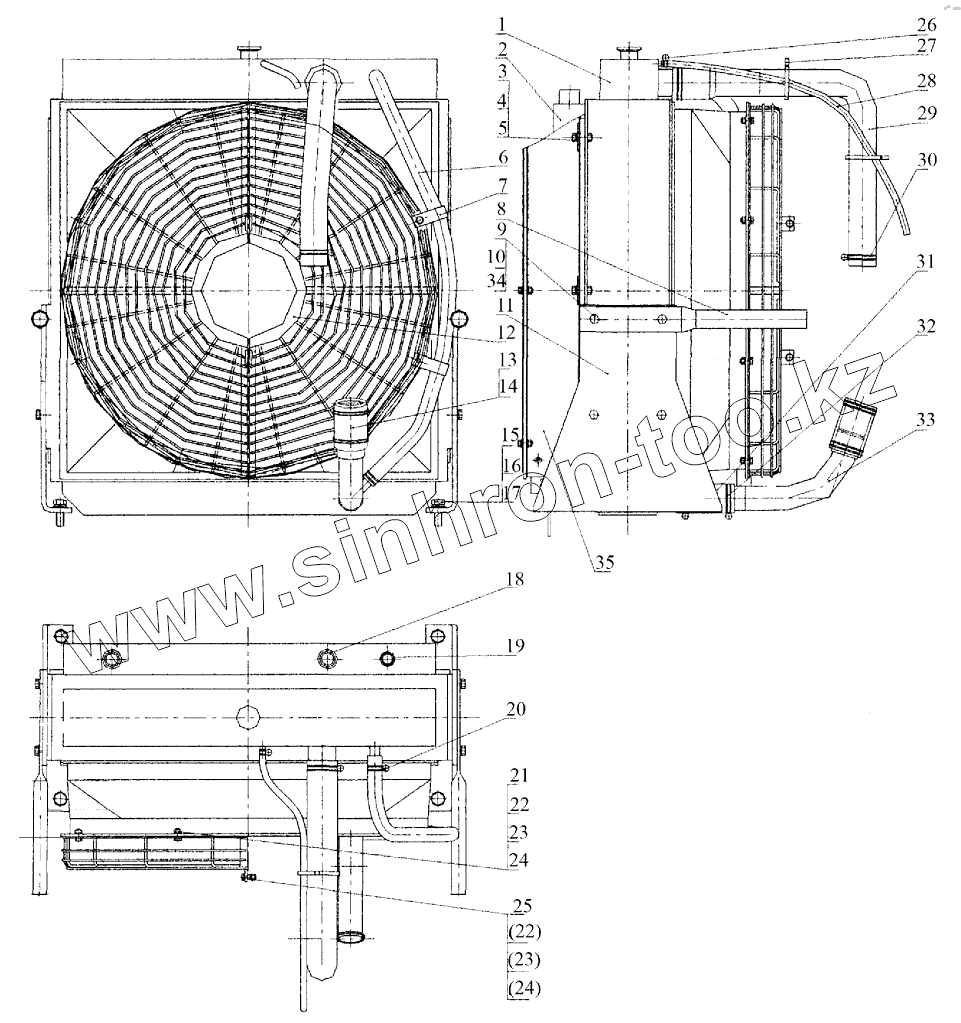
Каталог запасных частей к технике: LiuGong CLG-842. 00E0025 Система охлаждения радиатора
1
2
3
4
5
6
7
8
9
10
11
12
13
14
15
16
17
18
19
20
21
22
22
23
23
24
24
25
26
27
28
29
30
31
32
33
34
35
| Позиция на иллюстрации | Заводской номер детали | Название детали | |
|---|---|---|---|
| 1 | 20С0032 | Радиатор водяной | |
| 2 | 20С0033 | Радиатор масляный | |
| 3 | 00В0015 | Болт | |
| 4 | 06В0002 | Шайба стопорная | |
| 5 | 06В0001 | Шайба | |
| 6 | 30А0039 | Рукав | |
| 7 | 20А0162 | Хомут | |
| 8 | 37А0054 | Поручень | |
| 9 | 00В0017 | Болт | |
| 10 | 06В0008 | Шайба | |
| 11 | 23А0609 | Пластина | |
| 12 | 45D0026 | Колпак | |
| 13 | 32А0043 | Рукав | |
| 14 | 15В0006 | Хомут | |
| 15 | 00В0094 | Болт | |
| 16 | 06В0015 | Шайба | |
| 17 | 06В0012 | Шайба | |
| 18 | 12В0056 | Кольцо круглого сечения | |
| 19 | 12В0245 | Кольцо круглого сечения | |
| 20 | 15В0053 | Хомут | |
| 21 | 00В0007 | Болт | |
| 22 | 06В0006 | Шайба | |
| 23 | 06В0005 | Шайба | |
| 24 | 03В0177 | Гайка | |
| 25 | 00В0085 | Болт | |
| 26 | 15В0014 | Хомут | |
| 27 | 15В0052 | Ремень | |
| 28 | 11В0067 | Рукав | |
| 29 | 32А0144 | Трубка | |
| 30 | 15В0040 | Хомут | |
| 31 | 11В0020 | Рукав | |
| 32 | 15В0004 | Хомут | |
| 33 | 10D0652 | Трубка | |
| 34 | 06В0007 | Шайба | |
| 35 | 20С0117 | Система отвода |
Содержащиеся в справочниках-каталогах запасные части и детали не предлагаются к продаже, а носят исключительно информационный характер