Каталог запасных частей к технике: LiuGong CLG-835. 46C8015 000 CAB WIRING
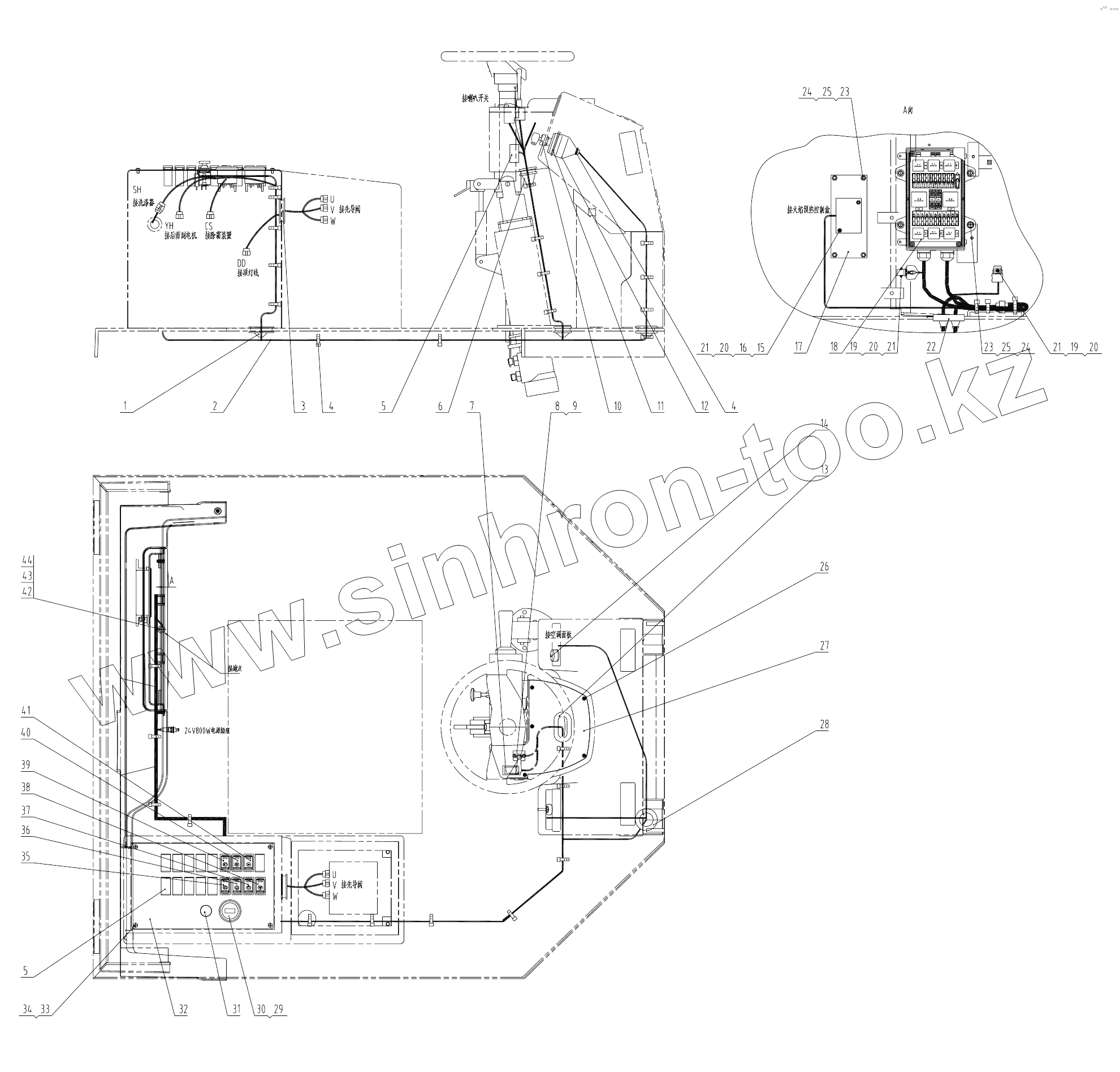
1
2
3
4
4
5
5
6
7
8
9
10
11
12
13
14
15
16
17
18
19
19
20
20
20
21
21
21
22
23
23
24
24
25
25
26
27
28
29
30
31
32
33
34
35
36
37
38
39
40
41
42
43
44
| Позиция на иллюстрации | Заводской номер детали | Название детали | |
|---|---|---|---|
| 1 | 83A0273 | Кольцо резиновое | |
| 2 | 08C6061 | CAB HARNESS | |
| 3 | 83A0148 | Кольцо резиновое | |
| 4 | 37B0004 | Хомут | |
| 5 | 34B0655 | Cover | |
| 6 | 83A0262 | Кольцо резиновое | |
| 7 | 34B0701 | Front floodlight sw | |
| 8 | 34B0077 | Выключатель | |
| 9 | 04B0292 | SCREW | |
| 10 | 34B0118 | Переключатель клавишный | |
| 11 | 37B0010 | Соединения блокировочного кабеля | |
| 12 | 83A0192 | Кольцо уплотнительное | |
| 13 | 83A0271 | Выключатель тормозной | |
| 14 | 32B0246 | Indicator | |
| 15 | 00B0252 | BOLT | |
| 16 | 03B0296 | Гайка | |
| 17 | 10A9601 | PLATE | |
| 18 | 46C8016 | CONTROL BOX | |
| 19 | 04B0099 | Винт | |
| 20 | 06B0022 | Шайба | |
| 21 | 06B0097 | Шайба | |
| 22 | 83A0388 | Grommet | |
| 23 | 00B0010 | BOLT | |
| 24 | 06B0024 | WASHER | |
| 25 | 06B0003 | Шайба | |
| 26 | 04B0293 | Винт | |
| 27 | 46C1883 | INSTRUMENT AS | |
| 28 | 83A0274 | Кольцо резиновое | |
| 29 | 35B0038 | Счетчик моточасов | |
| 30 | 74A0388 | Шильдик | |
| 31 | 37B0061 | Прикуриватель | |
| 32 | 36D0618 | COVER | |
| 33 | 04B0256 | SCREW | |
| 34 | 06B0139 | Шайба | |
| 35 | 34B0644 | Rear wiper | |
| 36 | 34B0696 | Front washer swtich | |
| 37 | 34B0697 | Front wiper switch | |
| 38 | 34B0698 | Hazard flasher switch | |
| 39 | 34B0699 | Rear floodlight switch | |
| 40 | 34B0650 | Work light switch | |
| 41 | 34B0700 | Position light switch | |
| 42 | 06B0001 | WASHER | |
| 43 | 06B0002 | Шайба | |
| 44 | 03B0053 | NUT |
Содержащиеся в справочниках-каталогах запасные части и детали не предлагаются к продаже, а носят исключительно информационный характер