Каталог запасных частей к технике: LiuGong CLG-835. 42C0350 (A) TRANSMISSION
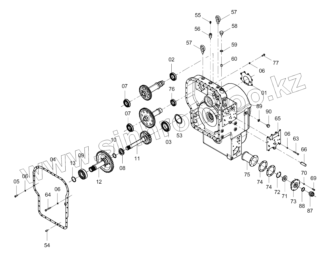
1
2
3
4
5
6
6
6
6
7
7
8
9
10
11
12
13
53
54
55
56
57
57
58
59
60
63
64
65
66
69
70
71
72
73
74
74
75
76
77
87
88
89
90
| Позиция на иллюстрации | Заводской номер детали | Название детали | |
|---|---|---|---|
| 1 | 80A0013 | Сальник | |
| 2 | 21B0005 | Шарикоподшипник | |
| 3 | 21B0006 | Шарикоподшипник | |
| 4 | 80A0014 | Сальник | |
| 5 | 00B0002 | Болт | |
| 6 | 06B0002 | Шайба | |
| 7 | 21B0023 | Шарикоподшипник | |
| 8 | 26B0002 | Шарикоподшипник | |
| 9 | 21B0007 | Шарикоподшипник | |
| 10 | 80A0015 | Уплотнение кольцевое | |
| 11 | 40A0004 | 1-ая ведущая шестерня турбины | |
| 12 | 40A0005 | 2-ая ведущая шестерня турбины | |
| 13 | 80A0016 | Уплотнение кольцевое | |
| 53 | 28C0089 | Shim gp | |
| 54 | 60A0037 | Палец | |
| 55 | 38C0293 | Respirator | |
| 56 | 10D5494 | Breather pipe | |
| 57 | 04B0087 | SCREW | |
| 58 | 05A0008 | Резьбовая пробка | |
| 59 | 12B0379 | Кольцо круглого сечения | |
| 60 | 60A0038 | Пробка цилиндрическая | |
| 63 | 00B0018 | Болт | |
| 64 | 01B0028 | Болт | |
| 65 | 82A0025 | Сальник | |
| 66 | 60A0040 | Палец | |
| 69 | 00B0020 | BOLT | |
| 70 | 06B0006 | Шайба | |
| 71 | 43B0003 | Электромагнит | |
| 72 | 07B0012 | Кольцо упорное | |
| 73 | 53A0930 | Cap | |
| 74 | 56A0032 | Сальник | |
| 75 | 53C0027 | Фильтр | |
| 76 | 21B0013 | Шарикоподшипник | |
| 77 | 04B0022 | Винт | |
| 87 | 00A3383 | Connector | |
| 88 | 06B0293 | WASHER | |
| 89 | 06B0119 | WASHER | |
| 90 | 05A0802 | Plug |
Содержащиеся в справочниках-каталогах запасные части и детали не предлагаются к продаже, а носят исключительно информационный характер