Каталог запасных частей к технике: LiuGong CLG-835. 45C0004 Цилиндр тормозной в сборе
1
1
1
1
2
2
2
2
3
3
3
3
7
7
8
9
10
10
10
10
11
11
11
11
12
12
12
12
16
17
17
18
19
19
19
19
20
20
21
22
22
23
24
25
26
27
28
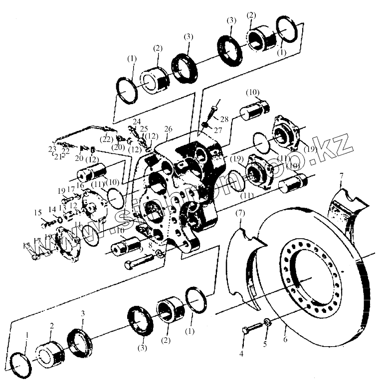
| Позиция на иллюстрации | Заводской номер детали | Название детали | |
|---|---|---|---|
| 1 | 13В0108 | Уплотнитель кольцевой | |
| 2 | 50А0009 | Поршень | |
| 3 | 13В0008 | Башмак | |
| 7 | 35С0025 | Накладка барабанного тормоза | |
| 8 | 06В0014 | Шайба | |
| 9 | 01В0043 | Болт | |
| 10 | 61А0045 | Палец | |
| 11 | 12В0148 | Кольцо круглого сечения | |
| 12 | 56А0045 | Шайба | |
| 16 | 53А0042 | Крышка цилиндра нижняя | |
| 17 | 06В0002 | Шайба стопорная | |
| 18 | 00В0019 | Болт | |
| 19 | 53А0043 | Крышка цилиндра верхняя | |
| 20 | 00А0040 | Шов | |
| 21 | 05С0007 | Трубка масляная в сборе | |
| 22 | 00А0048 | Гайка упорная | |
| 23 | 33А0013 | Трубка масляная | |
| 24 | 00А0044 | Клапан пробоотборный | |
| 25 | 00А0041 | Седло пробоотборного клапана | |
| 26 | 71А0018 | Цилиндр тормозной | |
| 27 | 0ЗВ0306 | Гайка | |
| 28 | 04В0027 | Винт стопорный |
Содержащиеся в справочниках-каталогах запасные части и детали не предлагаются к продаже, а носят исключительно информационный характер