Вернуться на главную
Поиск
Каталоги запчастей к технике
Спецтехника
LiuGong
CLG-816G
15E0418 004 BRAKE SYSTEM
Каталог запасных частей к технике: LiuGong CLG-816G. 15E0418 004 BRAKE SYSTEM
zoom-in
zoom-out
enlarge
shrink
circle-right
circle-left
file-text2
info
cart
Тип техники
Не выбрано
Легковые автомобили
Грузовые автомобили и прицепы
Автобусы
Сельхозтехника
Спецтехника
Двигатели
Мототехника
Марка
Не выбрано
Ammann
BOMAG
CARMIX
CASE IH
Changlin
ChengGong
Dimex
Doosan
DYNAPAC
Foton
HAMM
Hidromek
Hitachi
Hyundai
JCB
JLG
John Deere
Komatsu
LIEBHERR
LiuGong
Lonking (LongGong)
Luneng
MANITOU
Mitsuber
New Holland
PENGPU
RM-Terex
SANY
SDLG
SEM
Shantui
Shehwa HBXG
Soosan
TIGARBO
VOGELE
Volvo
WAY
WIRTGEN
XCMG
XGMA
Xiamen
YTO
Yuchai
Zoomlion
Автокран
АЗСМ
Алтайлесмаш
Амкодор
АОМЗ
Атек
АТЗ
Балканкар Рекорд
БелАЗ
Беловеж
Борекс
Брянский Арсенал
Булат
ВЭКС
ГАЗ
Геомаш
Гидромаш
Донекс
Дормаш
Дормашина
Дорэлектромаш
ДЭЗ
ЕлАЗ
ЗЗГТ
Ижнефтемаш
Канаш-электрокар
КЗКТ
ККЗ
Клевер
Клинцовский автокрановый завод
КМЗ
КМЗ 1 Мая
Ковровец
Коммаш
Кранэкс
КЭЗ
КЭМЗ
ЛЗА
МАЗ
МЗИК
МЗКМ
МЗКТ
Михневский РМЗ
МоАЗ
Мозырский МЗ
МТЗ
ОЗП
Онежец
ПАО "ТЗА"
ППС Детва
Промтрактор
ПТЗ
Раскат
СпецАгрегат
ТВЭКС
ТТМ
УВЗ
Угличмаш
УЗТМ
ХТЗ
ЧЗКМ
ЧСДМ
ЧТЗ
ЭКСКО
ЭКСМАШ
ЮрМаш
Модель
Не выбрано
CLG 425 (2010)
CLG 777A-S (2010)
CLG-2040H (2045H, 2050HL, 2040H, 2045H, 2050HL) (2016)
CLG-220 (2008)
CLG-225 (2008)
CLG-365A (2012)
CLG-375 (2008)
CLG-375A (2008)
CLG-385A (2008)
CLG-4165 (2015)
CLG-418 (2008)
CLG-4215 (2010)
CLG-612 (2008)
CLG-614 (2010)
CLG-618 (2010)
CLG-626R
CLG-766 (2015)
CLG-766A (2012)
CLG-816G (2012)
CLG-835
CLG-835 (2015)
CLG-835H (2015)
CLG-836 (2015)
CLG-842
CLG-842
CLG-842 (2015)
CLG-855N (2015)
CLG-856 (2015)
CLG-856H (2015)
CLG-856I
CLG-862 (2015)
CLG-877 (2015)
CLG-888 (2015)
CLG-904С (2007)
CLG-915D
CLG-915D
CLG-920D
CLG-920E (2015)
CLG-922D
CLG-922LC
CLG-922LC (2008)
CLG-925 (2015)
CLG-925D (2015)
CLG-933E (2010)
CLG-B160 (2010)
Схема
>
Не выбрано
45E0532 004 DECAL GROUP
45E0589 004 DECAL GROUP
00E0293 009 ENGINE SYSTEM
20C0945 000 COOLING SYSTEM
21C0507 000 FUEL TANK
16C0002 000 BREATHER CAP AS
40C0630 005 EXHAUST PIPE AS
01E0372 000 TYRE & RIM AS
41C1081 000 RIM AS
01M0004 002 FRONT AXLE AS
41C0395 000 AXLE PIPE
13C0280 001 OIL PIPE
13C0281 001 OIL PIPE
01M0005 002 REAR AXLE AS
02E0037 004 TORQUE CONVERTER AS
52C0084 000 TORQUE CONVERTER
03E0074 002 DRIVE SHAFT SYSTEM
03E0075 000 DRIVE SHAFT SYSTEM
04E0039 002 GEARBOX MOUNTING
42C0473 000 SHIFT CONTROL VALVE
00C0579 001 FILLER TUBE AS
16K0003 002 FILLER CAP
05E0073 000 GEARBOX & TORQUE CONVERTOR LINES
00K0012 001 ELBOW
05E0228 003 GEARBOX & TORQUE CONVERTER LINES
41K0003 001 TYRE & RIM AS
41K0004 001 RIM AS
10E0158 003 STEERING HYDRAULIC SYSTEM
10C0649 000 STEERING CYLINDER-LH AS
10K0006 001 STEERING CYLINDER
10C0650 000 STEERING CYLINDER-RH AS
11E0371 009 HYDRAULIC SYSTEM
10C0753 000 BUCKET TILTING CYLINDER
10K0012 002 BUCKET TILTING CYLINDER
09C0708 000 CLAMP
00C0838 005 PILOT CONTROL LINES
12C1254 001 PILOT OIL SUPPLY VALVE AS
12C1266 001 BALL VALVE
32C0362 000 TEE
12C1255 004 PRIORITY VALVE AS
30C1104 000 CONNECTOR
31C0351 000 CONNECTOR
12C0570 002 CHECK VALVE GP
11C1434 000 PUMP AS
12C1253 002 RETURN VALVE AS
31C0031 000 CONNECTOR
21C0244 000 HYDRAULIC OIL TANK
12C1327 000 CONTROL VALVE AS
31C0305 000 CONNECTOR
00C0854 000 TUBE AS
10C0646 000 BOOM CYLINDER AS-LH
10K0013 001 BOOM CYLINDER
10C0647 000 BOOM CYLINDER AS-RH
12C1786 005 CONTROL VALVE AS
15E0401 002 QUICKER COUPLE CYLINDER LINES
31C0401 000 CONNECTOR
10C0631 000 QUICK COUPLER CYLINDER
12C0685 010 DIVERTER VALVE
30C0721 000 CONNECTOR
32C0335 000 TEE
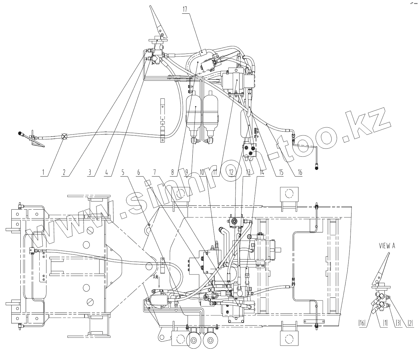
15E0418 004 BRAKE SYSTEM
11C0564 002 MOTOR PUMP MOUNTING
12C3394 000 CHARGE VALVE AS
31C1584 000 CONNECTOR
32C0363 000 CONNECTOR
12C1320 001 HYDRAULIC VALVE MOUNTING AS
32C0367 000 ADJUSTING CONNECTOR
13C0272 001 ACCUMULATOR MOUNTING AS
31C0454 000 ADJUSTING CONNECTOR
21E0040 001 PARKING BRAKE SYSTEM
22D0556 002 BUCKET
22D0617 001 BUCKET
30E0379 001 FRONT FRAME AS
00C0941 003 GREASE LINES
30E0385 003 HINGE SYSTEM
30E0389 003 REAR FRAME
00C0504 003 REAR FRAME GREASE LINES
00C0587 000 FRONT GREASE LINES
00C0988 000 GREASE LINES
30E0468 001 FRONT FRAME AS
32E0500 002 QUICK COUPLER
32E0654 000 WORK IMPLEMENT LIMIT SYSTEM
32E0682 001 WORK IMPLEMENT SYSTEM
24C0446 000 SUPPORT
32E0689 001 FORK COUPLER
43C0964 002 BUCKET
43C0965 001 BUCKET
43C1540 000 BUCKET
00C1291 001 BUCKET CYLINDER LINES
10C0134 000 BUCKET CYLINDER
10K0020 000 BUCKET CYLINDER
43C1611 001 BUCKET
43C1751 001 LOGGING FORK CLAMP
15E0828 000 HYDRAULIC SYSTEM
10C0269 001 LOADING CYLINDER
09K0017 001 CLAMP
41E0259 003 CAB AS
47C0821 001 CAB GP
47C0804 000 DASHBOARD
47C0703 001 DOOR AS-LH
48C0657 003 PLATE ASSEMBLY
34C1100 000 GEARBOX HOUSING
47C0736 001 DOOR AS-RH
34C1111 001 GEARBOX HOUSING
22C0360 002 CONTROL PANEL
47C0949 001 FIRE EXTINGUISHER
27C0526 000 FIRE EXTINGUISHER
27C0527 000 FIRE EXTINGUISHER
43E0180 000 REAR FENDER AS
43E0249 002 FRONT FENDER
47C0810 000 LADDER
48C0656 001 ENGINE HOOD AS
48C0759 001 COVER
48K0010 000 LOCK
23E0129 007 AIR CONDITIONING SYSTEM
46C2659 001 EVAPORATOR
46C6417 000 EVAPORATOR CORE
46C2663 001 HEATER
22E0472 003 ELECTRICAL SYSTEM
46C1586 002 FRONT FRAME WIRING
46C1577 002 CAB WIRING AS
46C2233 000 FRONT WIPER AS
46C2278 003 PLATE
46C2234 000 REAR WIPER AS
46C2279 001 RADIO AS
46C1595 002 INSTRUMENT PANEL
47C0815 000 STEERING WIRING
46C1575 005 ENGINE WIRING AS
40C0570 000 ECU AS
40C1334 000 RELAY ASSY
23C0102 001 THROTTLE CONTROL SYSTEM
46C1576 005 REAR FRAME WIRING
46C2270 000 REAR BEACON AS-RH
46C2269 000 REAR BEACON AS-LH
50E0272 000 ELECTRICAL SCHEMATIC
50E0791 001 ELECTRICAL SCHEMATIC
1
1
2
2
3
3
4
5
6
7
9
10
11
12
13
15
16
16
17
Позиция на иллюстрации
Заводской номер детали
Название детали
1
05C3494
HOSE AS
2
10D2563
PIPE AS
3
10D2562
PIPE AS
4
12C1320
HYDRAULIC VALVE MOUNTING AS
5
05C1658
HOSE AS
6
05C1712
HOSE AS
7
06C3260
HOSE AS
9
13C0272
ACCUMULATOR MOUNTING AS
10
05C1657
HOSE AS
11
11C0564
MOTOR PUMP MOUNTING
12
05C1656
HOSE AS
13
05C1655
HOSE AS
15
06C3248
HOSE AS
16
05C1678
HOSE AS
17
06C9633
HOSE AS
Содержащиеся в справочниках-каталогах запасные части и детали не предлагаются к продаже, а носят исключительно информационный характер
Дополнительная информация
×
Название:
Номер:
Примечание: